GM Service Manual Online
For 1990-2009 cars only
Makes
🢒
Cadillac
🢒
1998
🢒
Seville - RHD
🢒
Body and Accessories
🢒
Entertainment
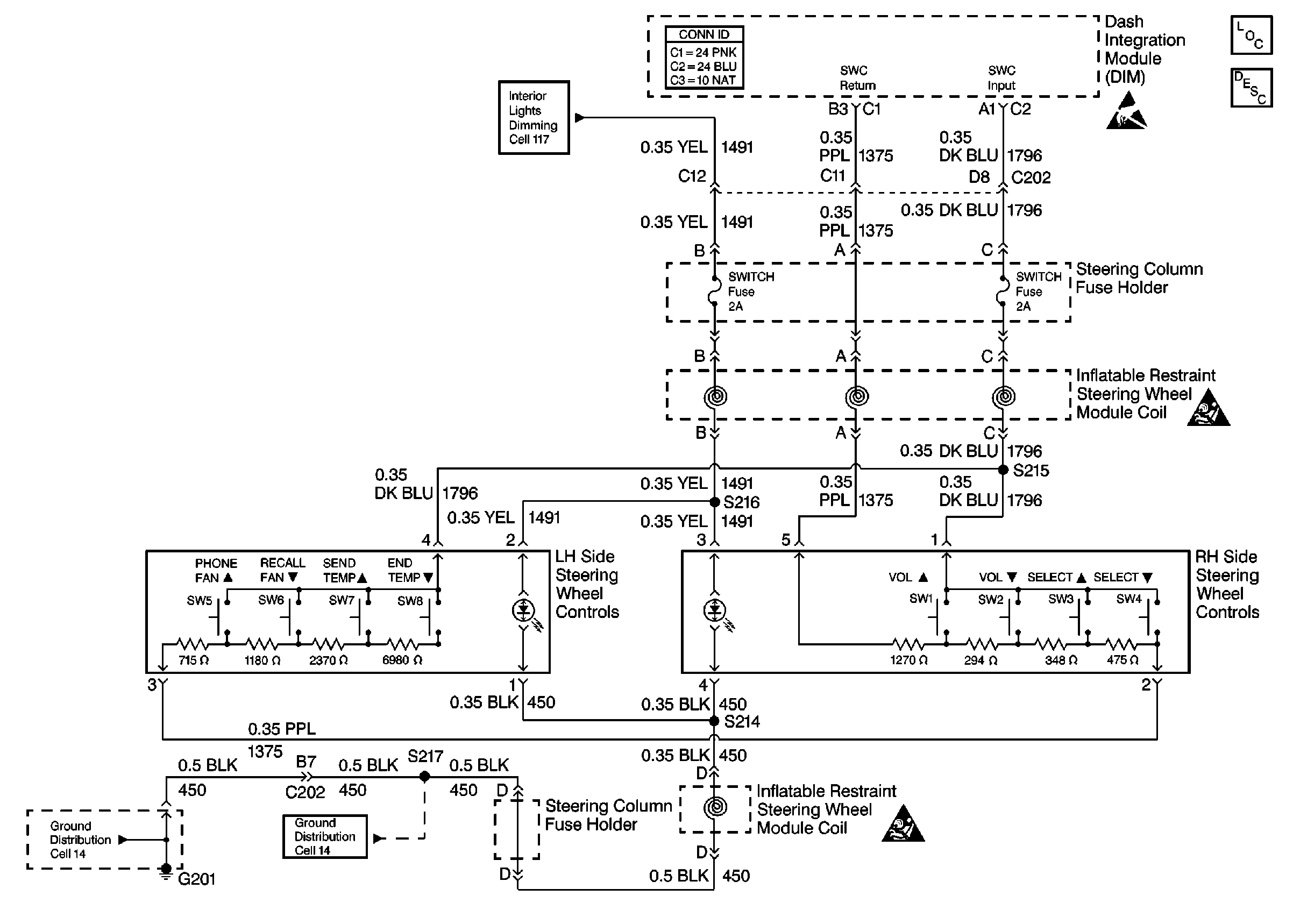
🢒 Steering Wheel Controls Schematics
Cell 152: Steering Wheel Controls