GM Service Manual Online
For 1990-2009 cars only
Figure 1:

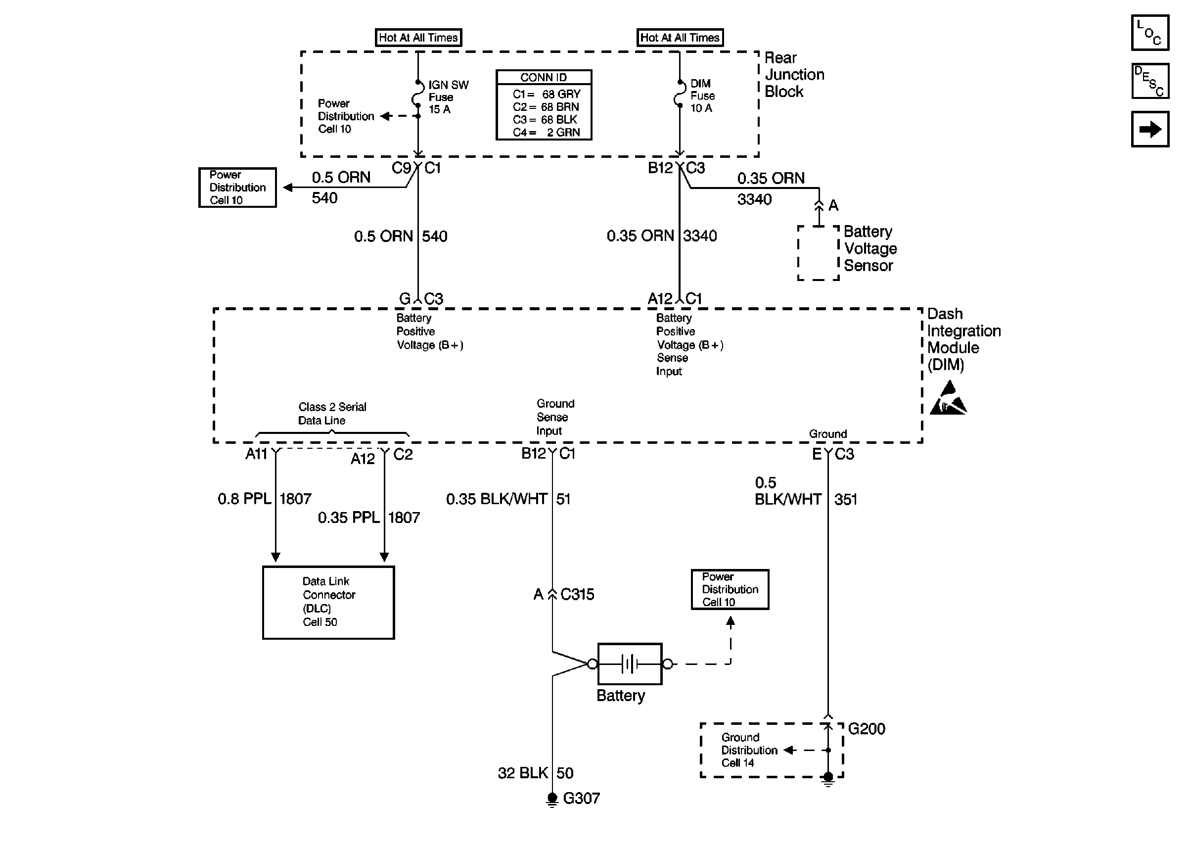
Cell 51: DIM Power and Ground


Object Number: 309219  Size: FS
Figure 2:

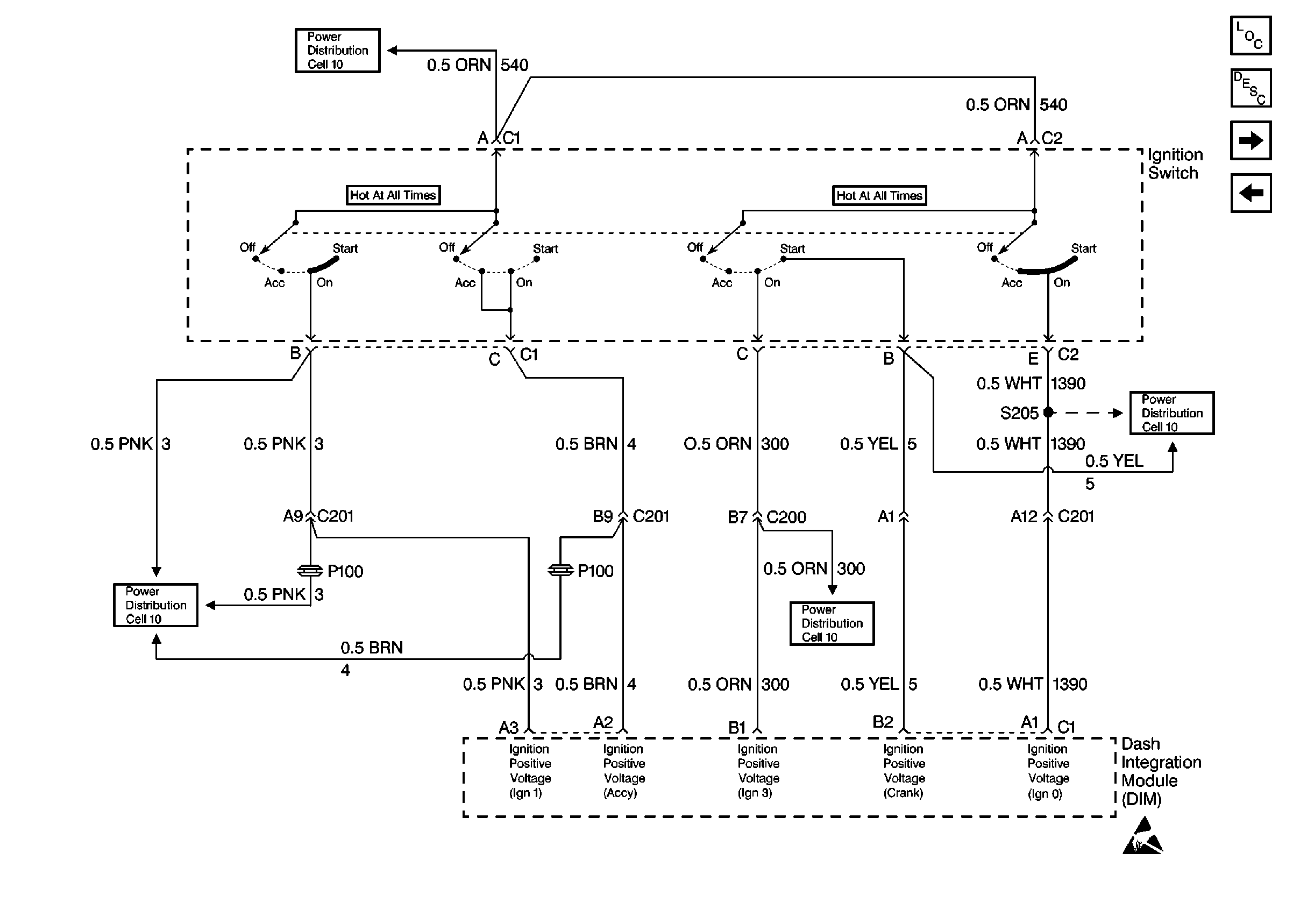
Cell 51: DIM Ignition Inputs


Object Number: 309222  Size: FS
Figure 3:

Cell 51: DIM Inputs and Outputs


Object Number: 309215  Size: FS
Figure 4:

Cell 51: DIM Inputs and Outputs


Object Number: 309225  Size: FS
Figure 5:

Cell 51: IPM Power and Ground


Object Number: 154534  Size: FS
Body Control Module Components
Body Control System Circuit Description
Cell 51: IPM Inputs and Outputs
Cell 51: DIM Inputs and Outputs
Handling ESD Sensitive Parts Notice
Ground Distribution Schematics
Ground Distribution Schematics
Power and Grounding Connector End Views
Power Distribution Schematics
Power and Grounding Connector End Views
Power and Grounding Connector End Views
Figure 6:

Cell 51: IPM Inputs and Outputs


Object Number: 154547  Size: FS
Body Control Module Components
Body Control System Circuit Description
Cell 51: IPM Inputs and Outputs
Cell 51: IPM Power and Ground
Handling ESD Sensitive Parts Notice
Power and Grounding Connector End Views
Figure 7:

Cell 51: IPM Inputs and Outputs


Object Number: 154554  Size: FS
Body Control Module Components
Body Control System Circuit Description
Cell 51: RIM Power and Ground
Cell 51: IPM Inputs and Outputs
Handling ESD Sensitive Parts Notice
Release Systems Schematics
Audible Warnings Schematics 98
Interior Lights Schematics
Interior Lights Dimming Schematics
Interior Lights Dimming Schematics
ABS/TCS Schematics
Instrument Cluster: Analog Schematics
Power and Grounding Connector End Views
Figure 8:

Cell 51: RIM Power and Ground


Object Number: 154556  Size: FS
Body Control Module Components
Body Control System Circuit Description
Cell 51: RIM Inputs and Outputs
Cell 51: IPM Inputs and Outputs
Handling ESD Sensitive Parts Notice
Ground Distribution Schematics
Data Link Connector Schematics
Power Distribution Schematics
Power Distribution Schematics
Power and Grounding Connector End Views
Power Distribution Schematics
Figure 9:

Cell 51: RIM Inputs and Outputs


Object Number: 154559  Size: FS
Body Control Module Components
Body Control System Circuit Description
Cell 51: RIM Inputs and Outputs
Cell 51: RIM Power and Ground
Handling ESD Sensitive Parts Notice
Retained Accessory Power (RAP) Schematics
Theft Deterrent System Schematics
Instrument Cluster: Analog Schematics
Release Systems Schematics
Interior Lights Schematics
Cigar Lighter/Power Outlet Schematics
Interior Lights Schematics
Backup Lamp Schematics
Automatic Day-Night Mirrors Schematics
Power and Grounding Connector End Views
Figure 10:

Cell 51: RIM Inputs and Outputs


Object Number: 309209  Size: FS