GM Service Manual Online
For 1990-2009 cars only
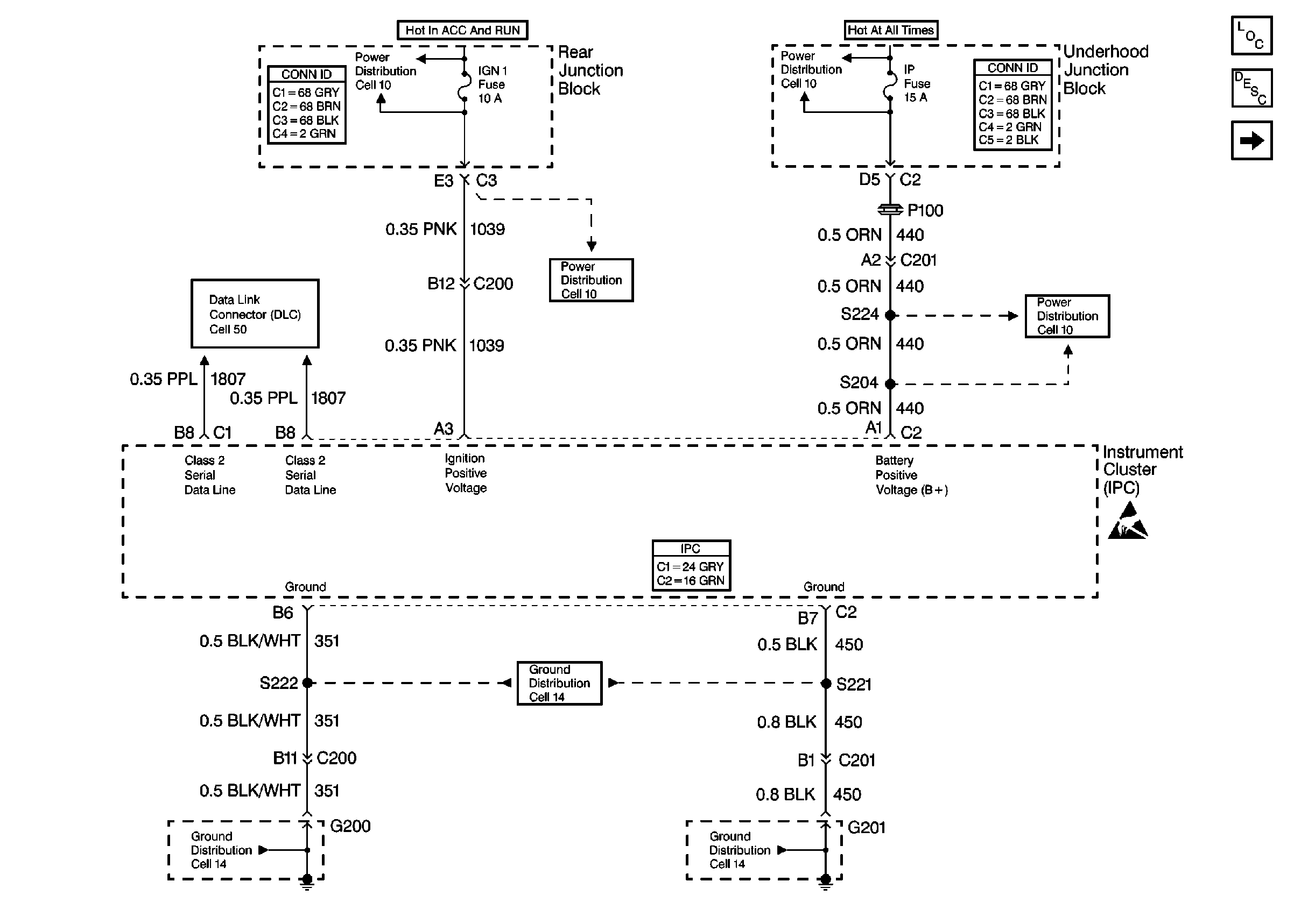
Figure 1:

Cell 81: Power and Ground


Object Number: 317460  Size: FS
Figure 2:

Cell 81: Coolant Level, Brake Fluid, Park Brake, and Windshield Washer Inputs


Object Number: 317468  Size: FS
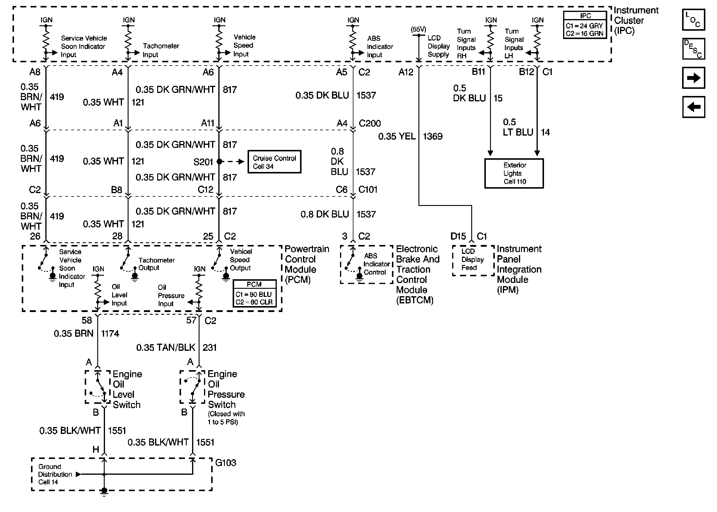
Figure 3:

Cell 81: Engine Oil, VSS, MIL, Tachometer, EBTCM, IPM and Turn Signals Inputs


Object Number: 317500  Size: FS
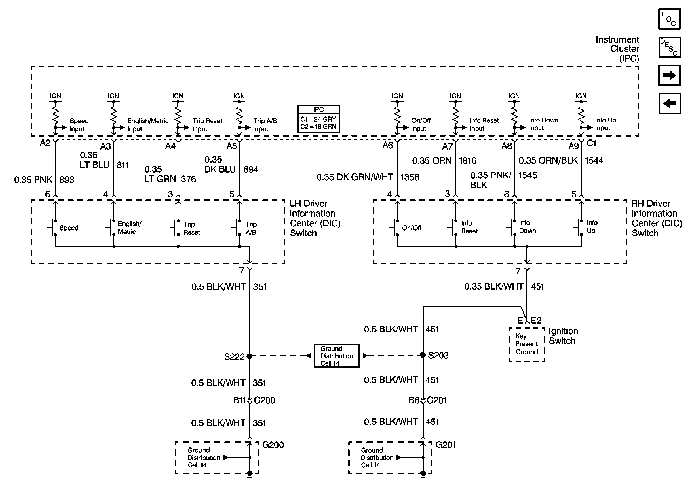
Figure 4:

Cell 81: DIC Switches


Object Number: 317491  Size: FS
Figure 5:

Cell 81: Fuel Sender and Rear Compartment Lid Release


Object Number: 317507  Size: FS
Figure 6:

Cell 81: Door Jamb Switch Inputs


Object Number: 317517  Size: FS