GM Service Manual Online
For 1990-2009 cars only
Makes
🢒
Cadillac
🢒
1998
🢒
Seville - RHD
🢒
Body and Accessories
🢒
Instrument Panel, Gauges, and Console
🢒 Audible Warnings Schematics
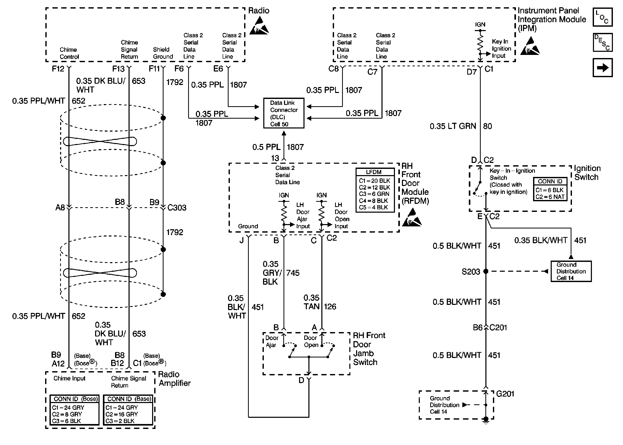
Figure
1:
Cell 76: Chime Control, RH Door Jamb Switch, and Key-In-Ignition Switch
Figure
2:
Cell 76: RH Front Seat Belt Switch and Headlamp Switch