GM Service Manual Online
For 1990-2009 cars only

Removal Procedure


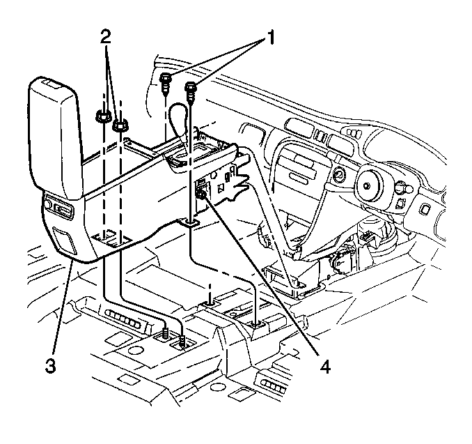
    Object Number: 298088  Size: SH
  1. Disable SIR. Refer to Disabling the SIR System in SIR.
  2. Remove the console (3). Refer to Console Replacement .
  3. Remove left insulator panel. Refer to Instrument Panel Insulator Panel Replacement .
  4. Remove the side window air outlet ducts. Refer to Side Window Air Outlet Replacement .
  5. Remove the right and left windshield garnish molding. Refer to Windshield Pillar Garnish Molding Replacement in Interior Trim.

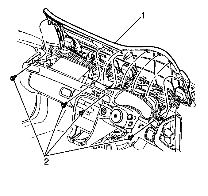
  6. Object Number: 298111  Size: SH
  7. Remove the IP upper trim pad (1). Refer to Instrument Panel Upper Trim Pad Replacement .
  8. Remove the passenger side SIR inflator module from the vehicle. Refer to Inflatable Restraint Instrument Panel Module Replacement in SIR.
  9. Remove the left IP trim plate. Refer to Instrument Panel Accessory Trim Plate Replacement .
  10. Remove the IP cluster. Refer to Instrument Cluster Replacement .
  11. Remove the IP center trim plate. Refer to Instrument Panel Center Trim Panel Replacement .
  12. Remove the radio and heater control. Refer to Radio Replacement in Entertainment.
  13. Remove the lap cooler duct. Refer to Lap Cooler Duct Replacement .
  14. Remove the knee bolster. Refer to Knee Bolster Replacement .
  15. Remove the steering column. Refer to Steering Column Replacement in Steering Wheel and Column Tilt.
  16. Remove fog lamp switch. Refer to Fog Lamp Switch Replacement in Lighting System.
  17. Remove the trunk/fuel door release. Refer to Fuel/Rear Compartment Release Switch Replacement .

  18. Object Number: 291658  Size: SH
  19. Remove the ignition switch from the IP. Refer to Ignition and Start Switch Replacement .
  20. Remove the IP compartment from the IP. Refer to Instrument Panel Compartment Replacement .
  21. Remove the IP retaining screws from the ends of the retainer.
  22. Remove fasteners from IP retainer. One fastener is located in the opening for the fuel/rear compartment release switch.
  23. Remove the retaining bolts from the IP retainer to lower support bracket.
  24. Partially remove the IP retainer from the carrier.
  25. Guide wiring through openings.

  26. Disconnect the inside air temperature sensor electrical connector.
  27. Complete IP retainer removal from vehicle.

  28. Remove the inside temperature sensor from the IP retainer. Refer to Inside Air Temperature Sensor Replacement in HVAC System with A/C.
  29. Remove the right IP trim plate from the IP carrier. Refer to Instrument Panel Accessory Trim Plate Replacement .

Installation Procedure

  1. Install the right IP trim plate to the IP carrier. Refer to Instrument Panel Accessory Trim Plate Replacement .
  2. Install the inside temperature sensor to the IP retainer. Refer to Inside Air Temperature Sensor Replacement in HVAC System with A/C.
  3. Partially install the IP retainer to the carrier.
  4. Connect the inside air temperature sensor electrical connector.

  5. Guide the wiring through the IP retainer openings.
  6. Align the IP retainer to the carrier complete installation.

  7. Install the retaining bolts to the IP retainer to the lower support bracket.
  8. Install IP retainer to the carrier, feed wiring through openings as removed.
  9. Install the fasteners to the IP retainer. One fastener is located in the opening for the fuel/rear compartment release switch.
  10. Install the IP retaining screws to the ends of the retainer.
  11. Install the IP compartment. Refer to Instrument Panel Compartment Replacement .

  12. Object Number: 291658  Size: SH
  13. Install the ignition switch. Refer to Ignition and Start Switch Replacement .
  14. Install the trunk/fuel door release. Refer to Fuel/Rear Compartment Release Switch Replacement .
  15. Install fog lamp switch. Refer to Fog Lamp Switch Replacement in Lighting System.
  16. Install the steering column. Refer to Steering Column Replacement in Steering Wheel and Column Tilt.
  17. Install the knee bolster. Refer to Knee Bolster Replacement .
  18. Install the lap cooler duct. Refer to Lap Cooler Duct Replacement .

  19. Object Number: 287815  Size: SH
  20. Install the radio and heater control. Refer to Radio Replacement in Entertainment.
  21. Install the IP center trim plate. Refer to Instrument Panel Center Trim Panel Replacement .
  22. Install the IP cluster. Refer to Instrument Cluster Replacement .
  23. Install the left IP trim plate to the IP carrier. Refer to Instrument Panel Accessory Trim Plate Replacement .
  24. Install the passenger side SIR inflator module. Refer to Inflatable Restraint Instrument Panel Module Replacement in SIR.
  25. Install the IP upper trim pad. Refer to Instrument Panel Upper Trim Pad Replacement .
  26. Install right and left windshield garnish molding. Refer to Windshield Pillar Garnish Molding Replacement in Interior Trim.
  27. Install the side window air outlets ducts. Refer to Side Window Air Outlet Replacement .
  28. Install left insulator panel. Refer to Instrument Panel Insulator Panel Replacement .

  29. Object Number: 298088  Size: SH
  30. Install the console (3). Refer to Console Replacement .
  31. Enable SIR. Refer to Enabling the SIR System in SIR.