GM Service Manual Online
For 1990-2009 cars only
Makes
🢒
Cadillac
🢒
2001
🢒
Seville - RHD
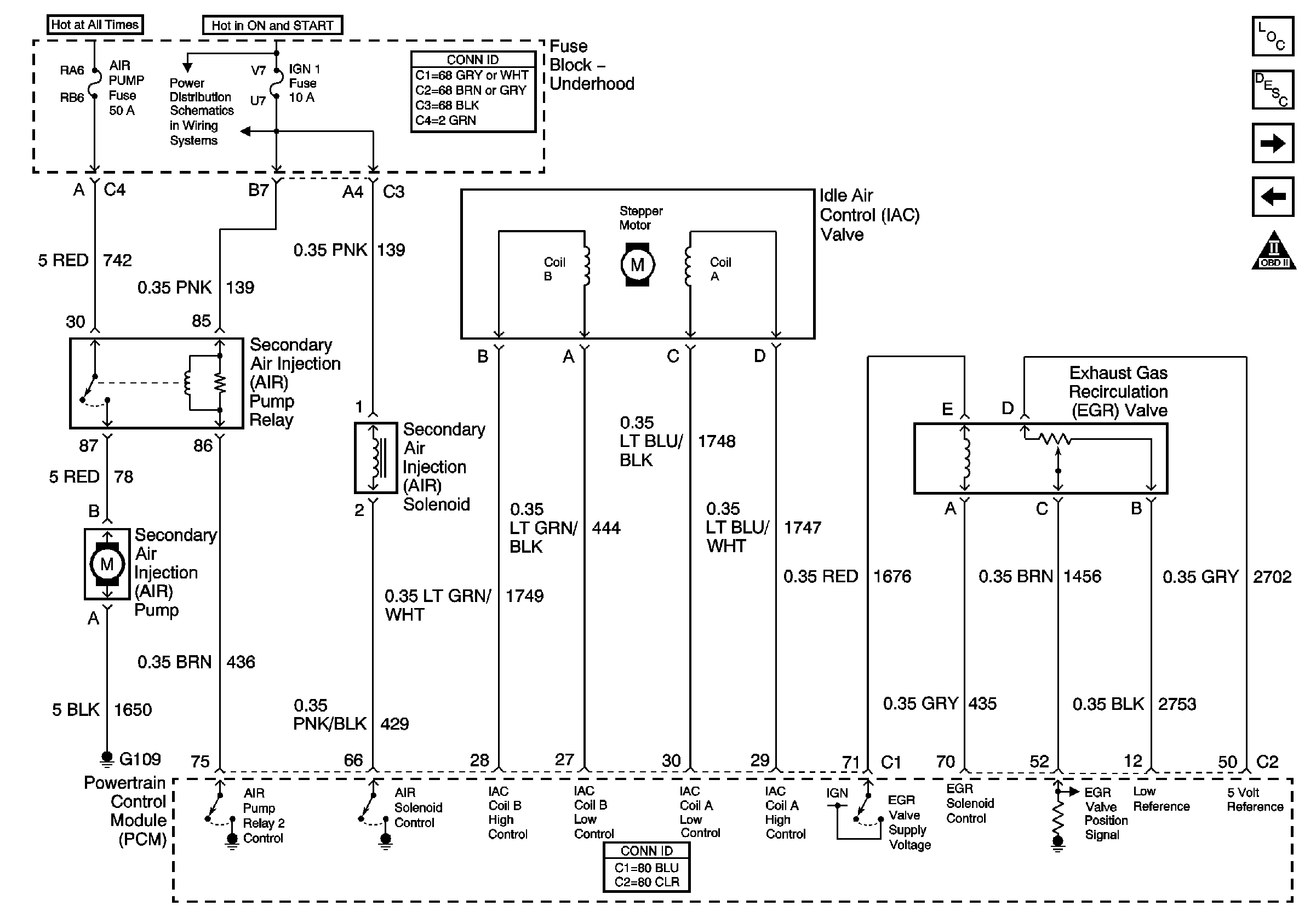
🢒 Device Controls
Device Controls
Device Controls
Master Electrical Component List
Powertrain Control Module Description
Controlled/Monitored Subsystem References
Fuel Controls-Fuel Injectors
Engine Controls Schematic Icons
Battery Feed to Fuse Block - Underhood