GM Service Manual Online
For 1990-2009 cars only
Makes
🢒
Cadillac
🢒
2001
🢒
Seville - RHD
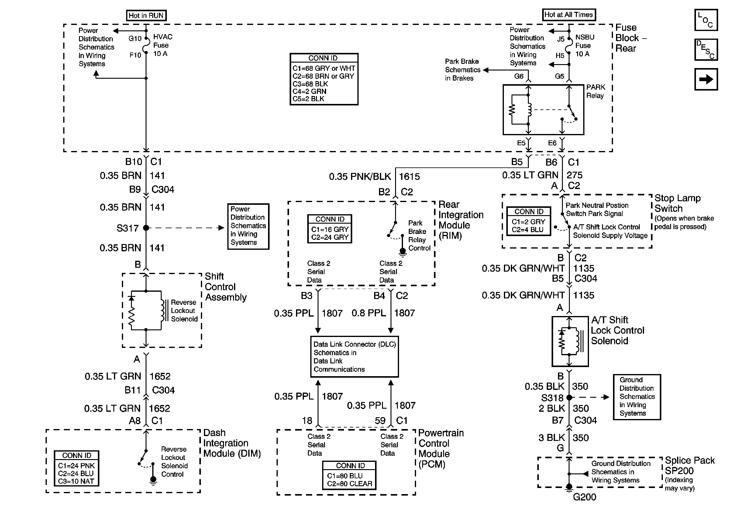
🢒 Reverse Lockout and AT Shift Lock Control Solenoids
Reverse Lockout and AT Shift Lock Control Solenoids
Reverse Lockout and A/T Shift Lock Control Solenoids
Master Electrical Component List
Reverse Lockout System Description and Operation
Automatic Transaxle Fluid Pressure Manual Valve Position Switch
G200 and G202
G200 and G202
Ignition Switch Supply and HVAC and ABS Fuses
Battery Feed to Fuse Block - Rear
Battery Feed to Fuse Block - Rear