GM Service Manual Online
For 1990-2009 cars only
Makes
🢒
Cadillac
🢒
2001
🢒
Seville - RHD
🢒 Park Brake System
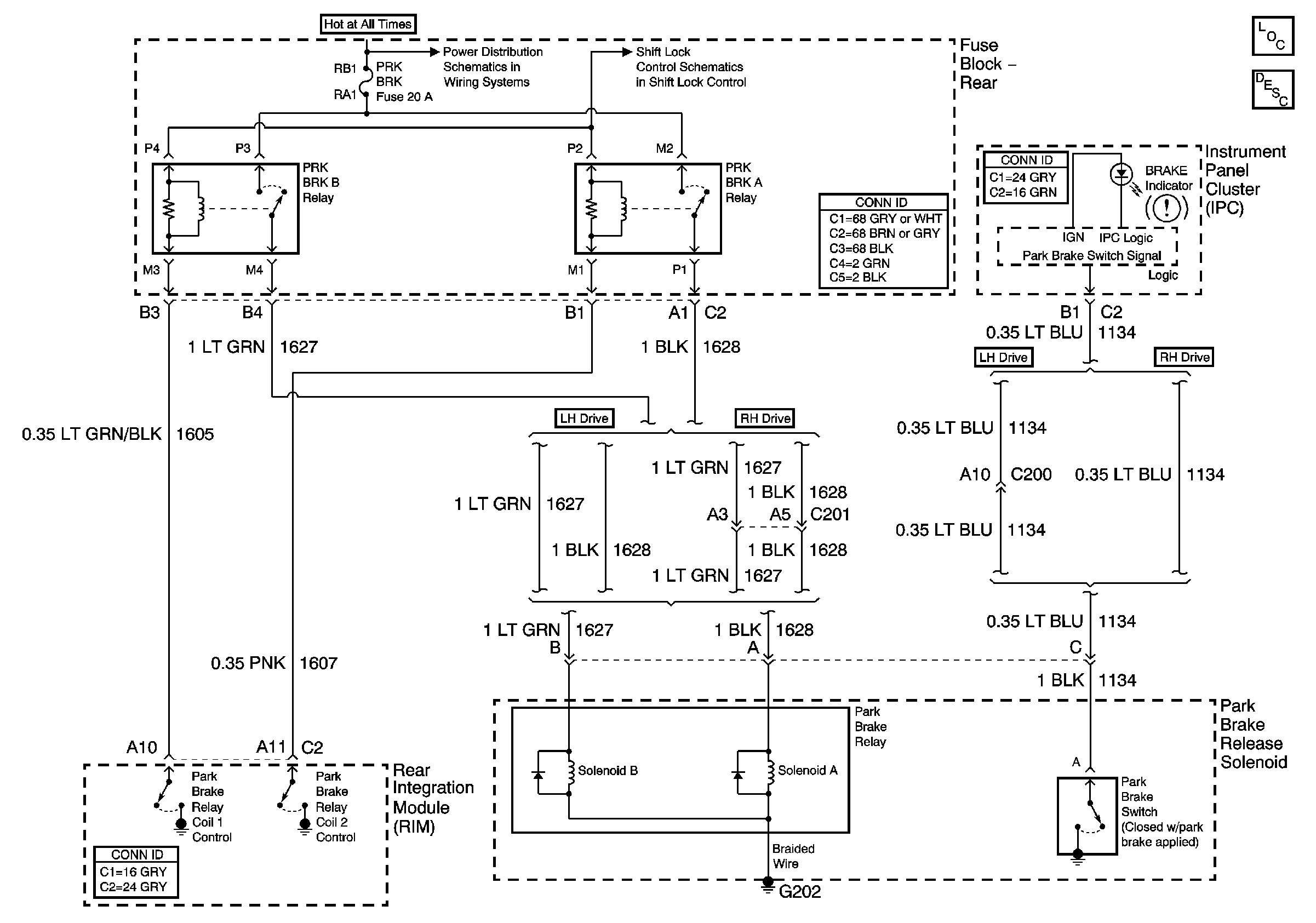
Park Brake System
Master Electrical Component List
Park Brake System Description and Operation
Battery Feed to Fuse Block - Rear
Battery Feed to Fuse Block - Rear