GM Service Manual Online
For 1990-2009 cars only
Makes
🢒
Cadillac
🢒
2001
🢒
Seville - RHD
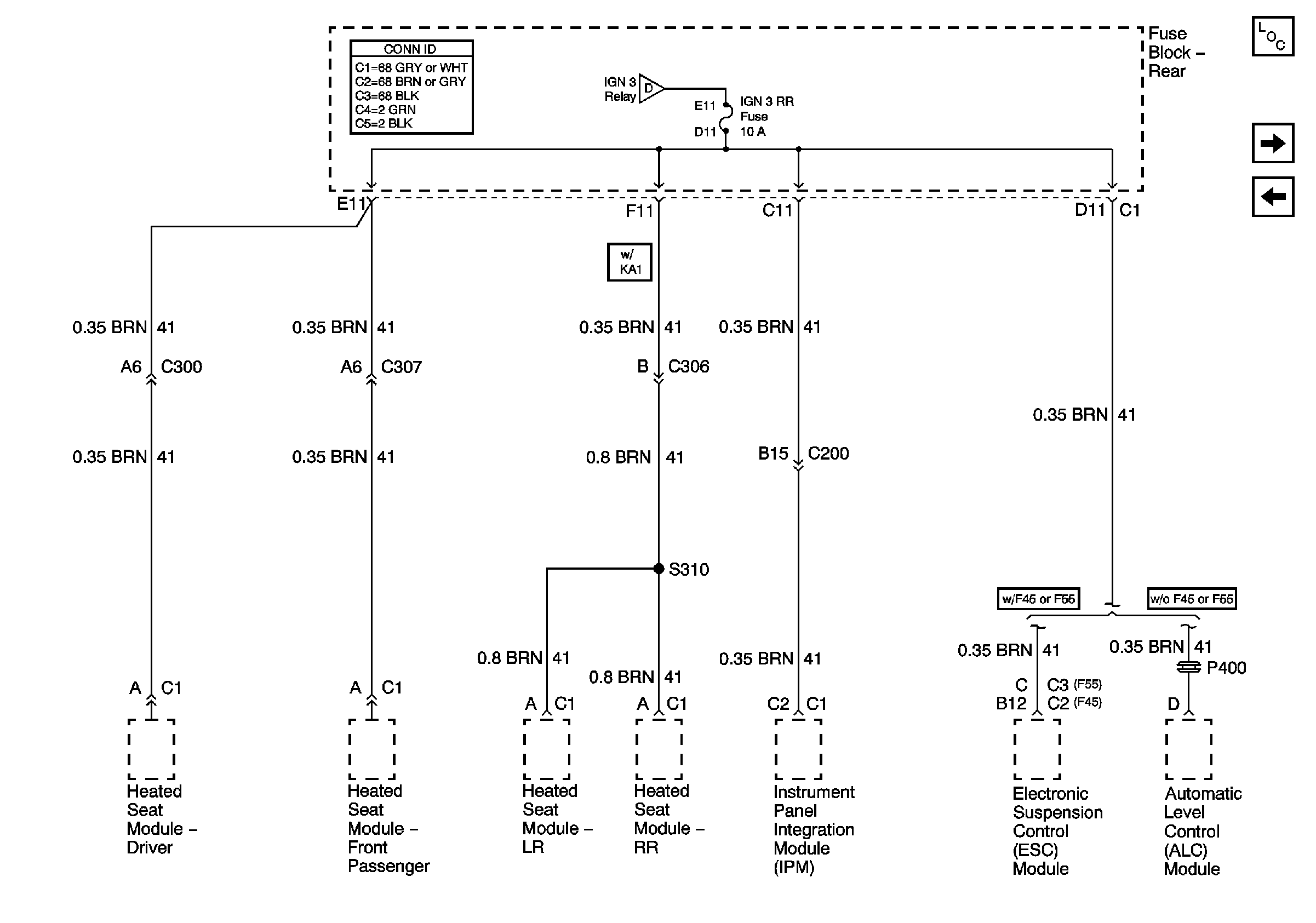
🢒 IGN 3 RR Fuse
IGN 3 RR Fuse
IGN 3 RR Fuse
Master Electrical Component List
MEM T&T, PWR T&T, and TSIG/HAZ Fuses
Ignition Switch Supply and HVAC and ABS Fuses
Ignition Switch Supply and HVAC and ABS Fuses