GM Service Manual Online
For 1990-2009 cars only
Makes
🢒
Cadillac
🢒
2001
🢒
Seville - RHD
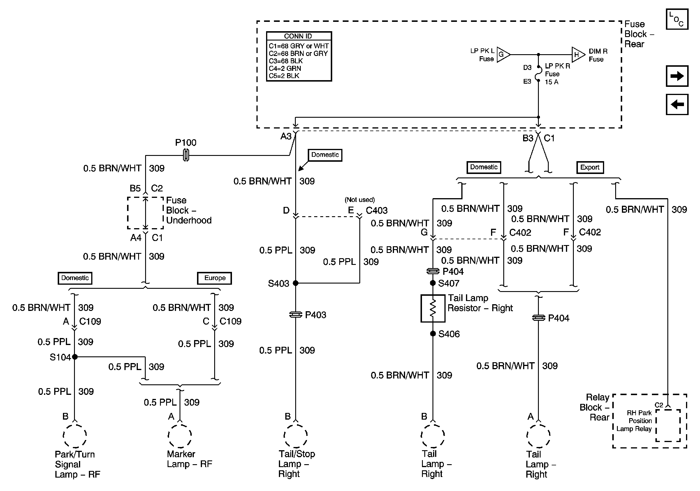
🢒 LP PK R Fuse
LP PK R Fuse
LP PK R Fuse
Master Electrical Component List
DIMR Fuse
PRK LP Relay and LP PK L Fuse
DIMR Fuse
PRK LP Relay and LP PK L Fuse