GM Service Manual Online
For 1990-2009 cars only
Makes
🢒
Cadillac
🢒
2001
🢒
Seville - RHD
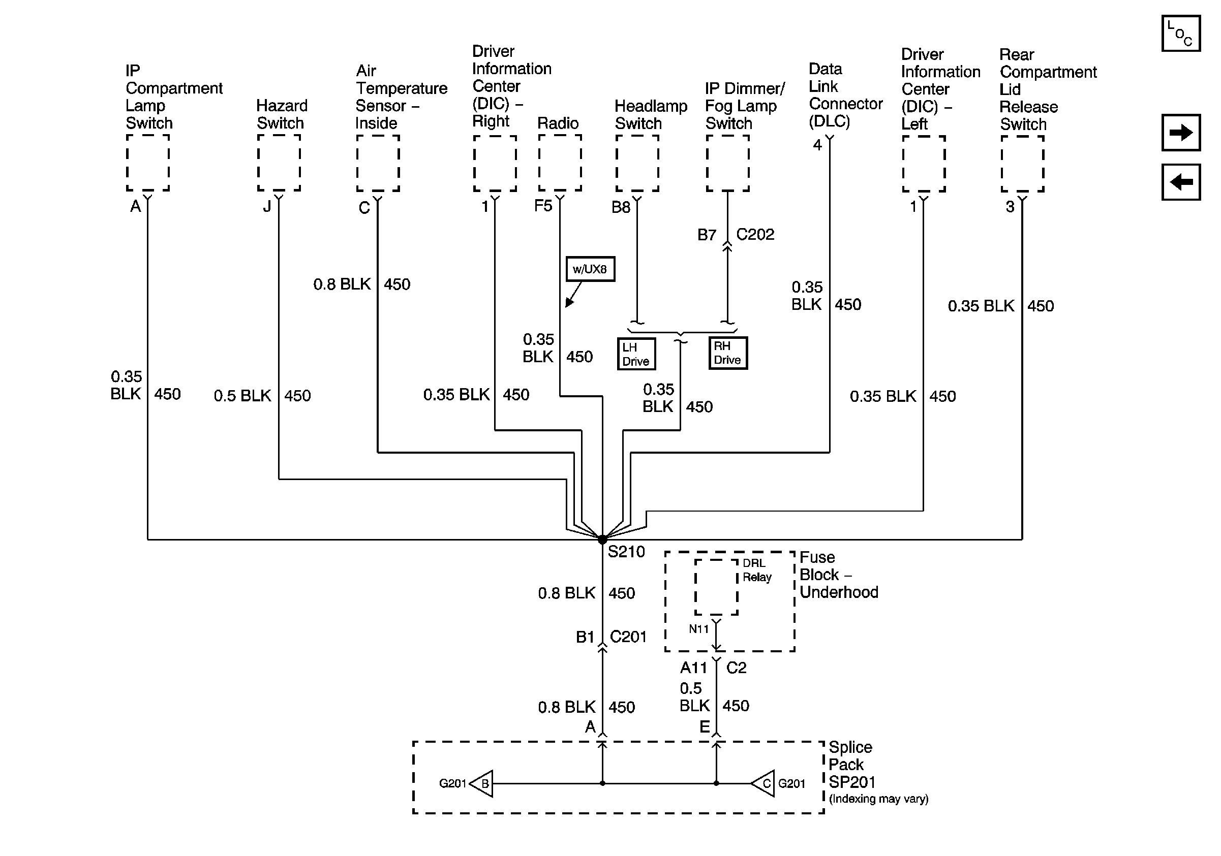
🢒 G201 2 of 3
G201 2 of 3
G201 2 of 5
Master Electrical Component List
G201 3 of 5 (LH Drive)
G202 1 of 3
G201 3 of 5 (LH Drive)
G202 1 of 3