GM Service Manual Online
For 1990-2009 cars only
Makes
🢒
Cadillac
🢒
2001
🢒
Seville - RHD
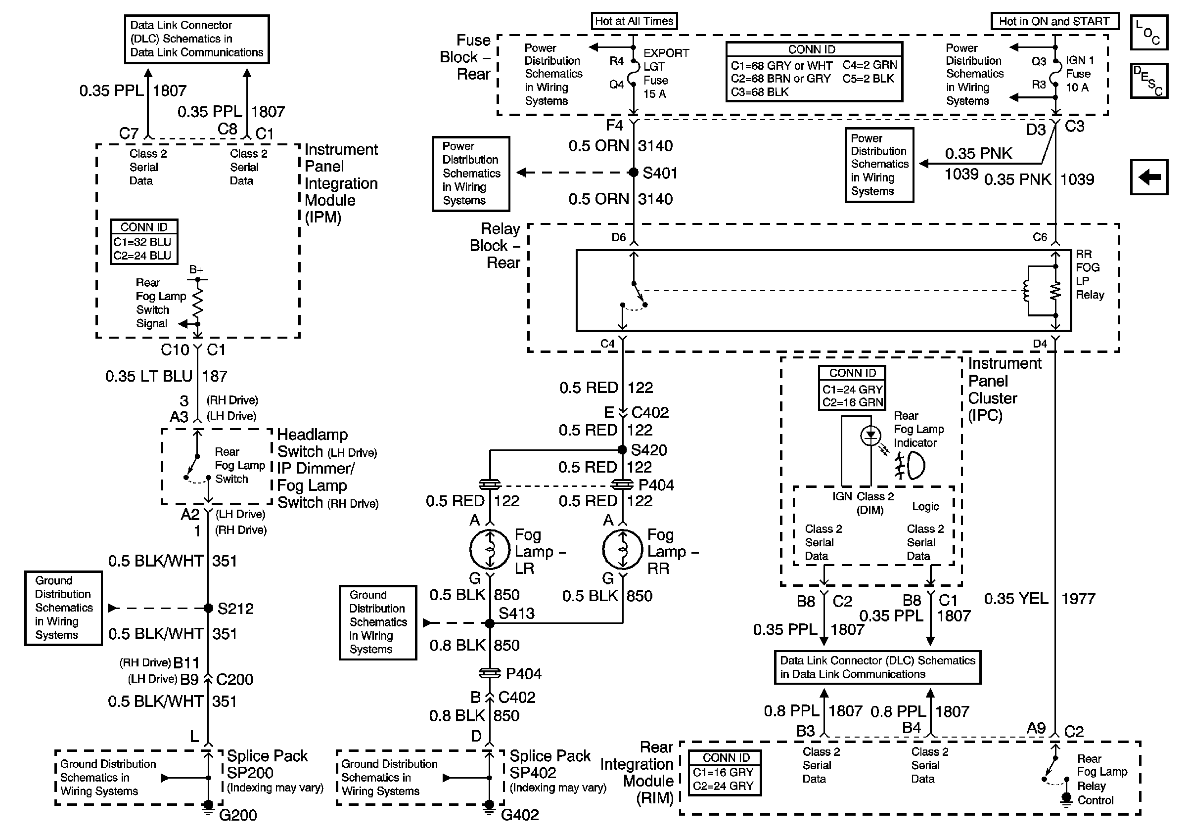
🢒 Rear Fog Lamps
Rear Fog Lamps
Rear Fog Lamps
Master Electrical Component List
Exterior Lighting Systems Description and Operation
Front Fog Lamps
Class 2 Serial Data Line (LH Drive) (1 of 2)
G402 2 of 2
G402 2 of 2
G200
G200
Class 2 Serial Data Line (LH Drive) (1 of 2)
EXPORT LGT Fuse
Battery Feed to Fuse Block - Rear
Battery Feed to Fuse Block - Rear