GM Service Manual Online
For 1990-2009 cars only
Makes
🢒
Cadillac
🢒
2001
🢒
Seville - RHD
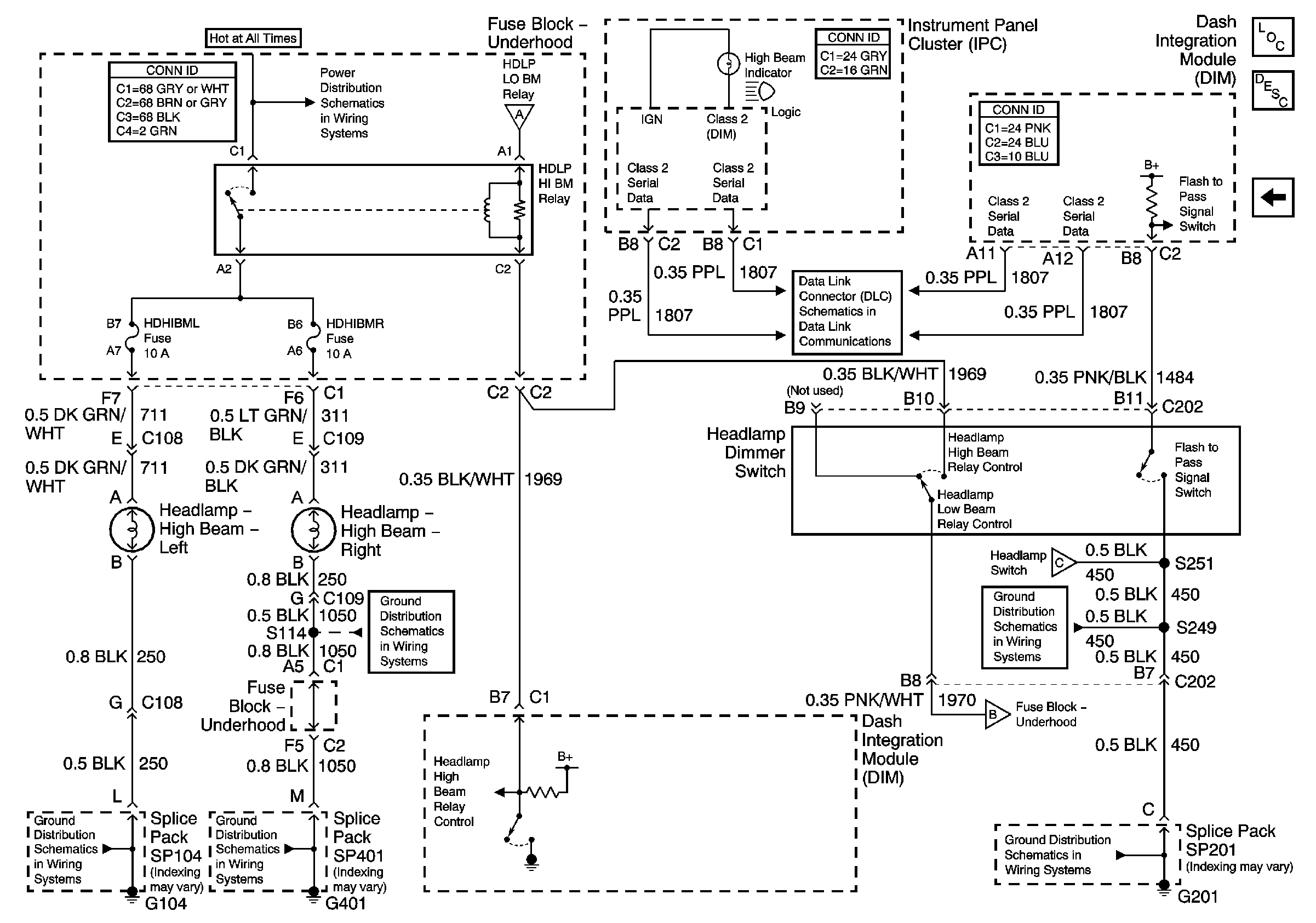
🢒 High Beam Headlamps
High Beam Headlamps
High Beam Headlamps
Master Electrical Component List
Low Beam Headlamps (Generation 3.0)
G200
Low Beam Headlamps (Generation 3.0)
G401 3 of 3
G401 3 of 3
G104
Battery Feed to Fuse Block - Underhood
Low Beam Headlamps (Generation 3.0)
Class 2 Serial Data Line (LH Drive) (1 of 2)