GM Service Manual Online
For 1990-2009 cars only
Makes
🢒
Cadillac
🢒
2001
🢒
Seville - RHD
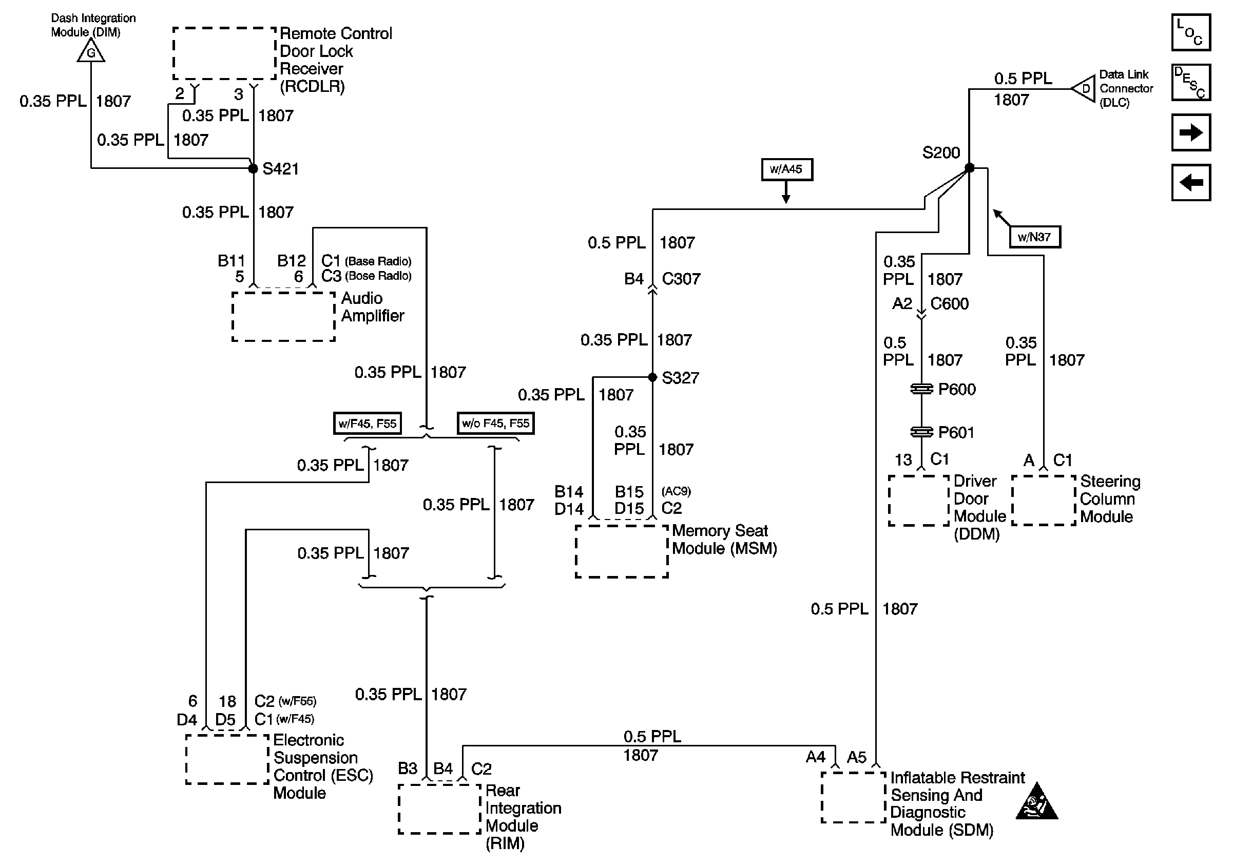
🢒 Class 2 Serial Data Line (RH Drive) (1 of 2)
Class 2 Serial Data Line (RH Drive) (1 of 2)
Class 2 Serial Data Line (RH Drive) (1 of 2)
Master Electrical Component List
Data Link Communications Description and Operation
Class 2 Serial Data Line (RH Drive) (2 of 2)
Data Link Connector Power and Ground (RH Drive)
Data Link Communications Schematic Icons
Class 2 Serial Data Line (RH Drive) (2 of 2)
Data Link Connector Power and Ground (RH Drive)