GM Service Manual Online
For 1990-2009 cars only
Makes
🢒
Cadillac
🢒
2001
🢒
Seville - RHD
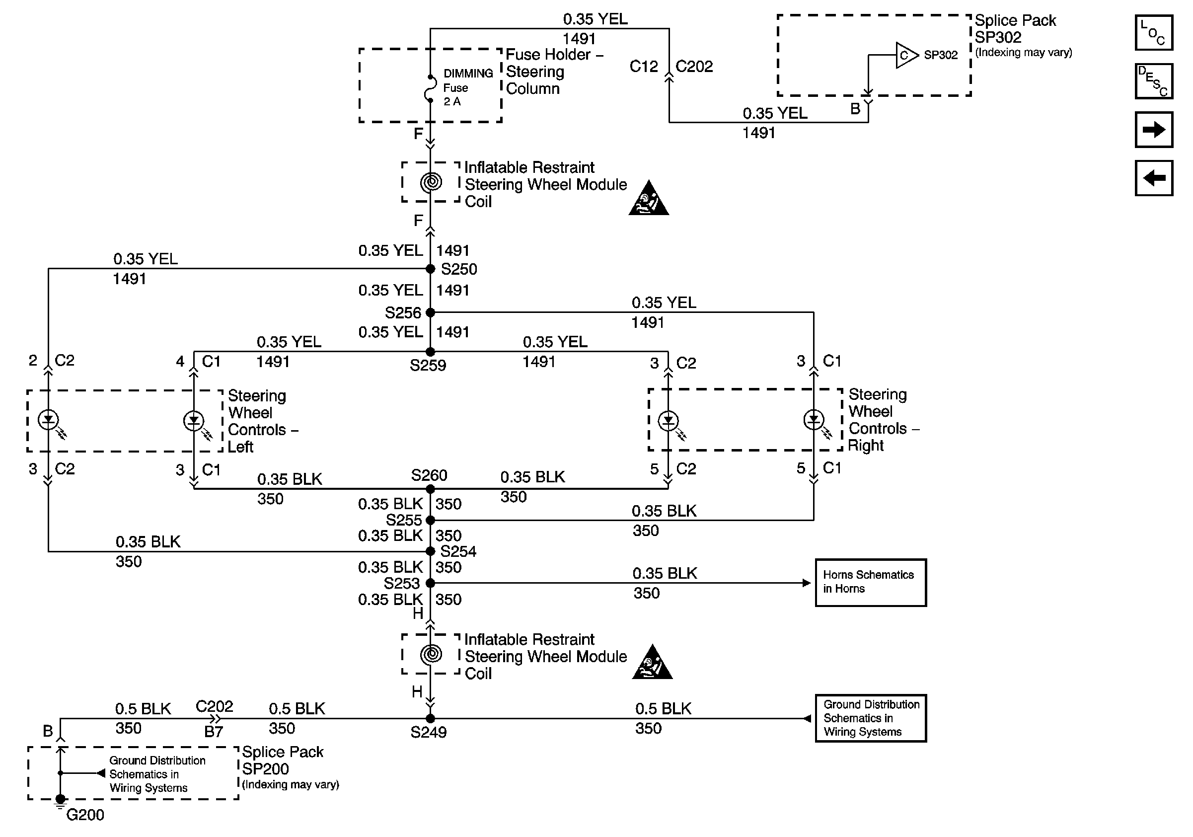
🢒 Steering Wheel Controls (LH Drive)
Steering Wheel Controls (LH Drive)
Steering Wheel Controls
Master Electrical Component List
Interior Lighting Systems Description and Operation
Front Door Dimming
DIC and Headlamp Switch
G200
G200
Ashtray Lamp and Steering Wheel Controls