GM Service Manual Online
For 1990-2009 cars only
Makes
🢒
Cadillac
🢒
2002
🢒
Seville - RHD
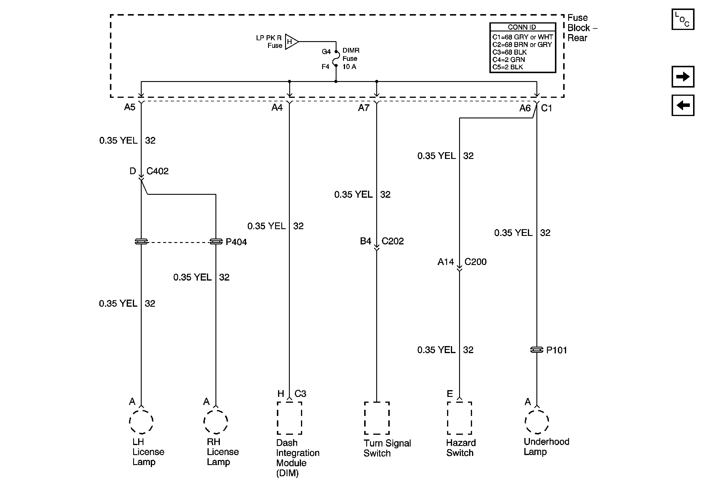
🢒 DIMR Fuse
DIMR Fuse
DIMR Fuse
Master Electrical Component List
HDLP HI BM and HDLP LO BM Relays and HDHI BM and HDLO BM Fuses
LP PK R Fuse
LP PK R Fuse