GM Service Manual Online
For 1990-2009 cars only
Makes
🢒
Cadillac
🢒
2002
🢒
Seville - RHD
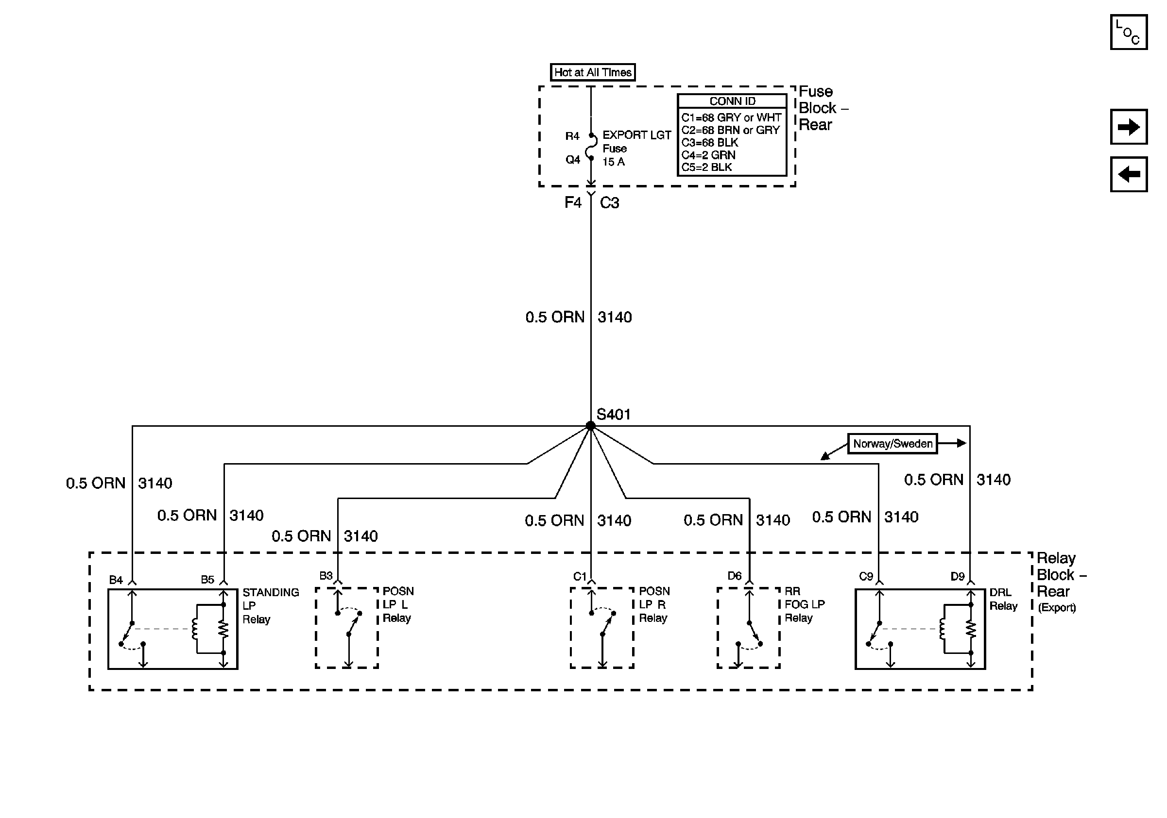
🢒 EXPORT LGT Fuse
EXPORT LGT Fuse
EXPORT LGT Fuse
Master Electrical Component List
PWR WDO Circuit Breaker
HDLP HI BM and HDLP LO BM Relays and HDHI BM and HDLO BM Fuses