GM Service Manual Online
For 1990-2009 cars only
Figure 1:

Fuse Block-Underhood Bussing


Object Number: 911659  Size: FS
Master Electrical Component List
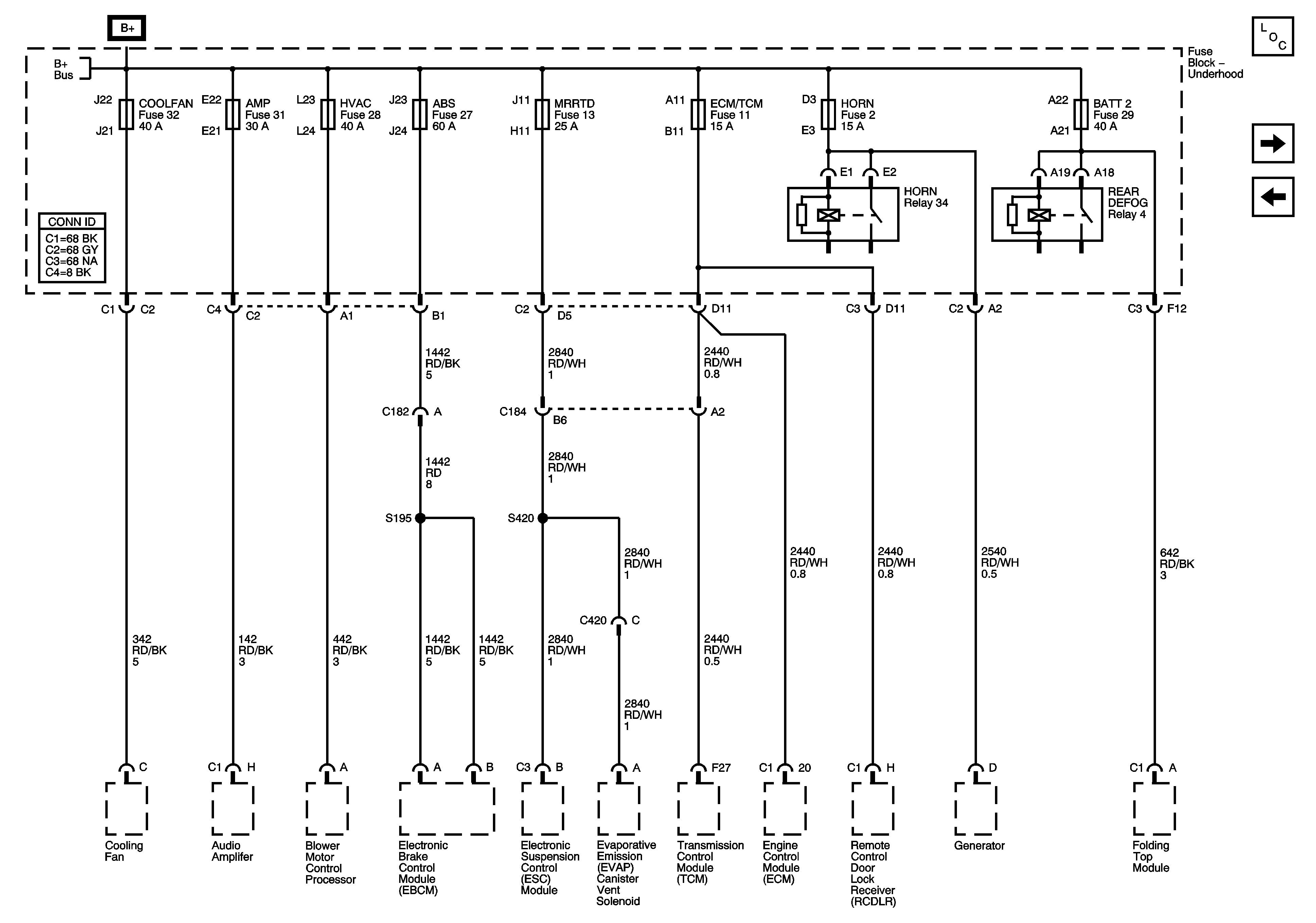
Fuse Block-Underhood Fuses; ABS, AMP, BATT2, COOLFAN, ECM/TCM, HORN, HVAC, and MRRTD
Figure 2:

Fuse Block-Underhood Fuses; ABS, AMP, BATT2, COOLFAN, ECM/TCM, HORN, HVAC, and MRRTD


Object Number: 911673  Size: FS
Master Electrical Component List
Fuse Block-Underhood Fuse; BATT1, Fuse Block-I/P Fuses; HEATED SEAT LH, HEATED SEAT RH, POWER LUMBAR LH/RH, Fuse Block-I/P Circuit Breakers; DOOR CONTROLS, and POWER SEATS
Fuse Block-Underhood Bussing
Figure 3:

Fuse Block-Underhood Fuse: BATT1, Fuse Block-I/P Fuses; HEATED SEAT LH, HEATED SEAT RH, POWER LUMBAR LH/RH, Fuse Block-I/P Circuit Breakers; DOOR CONTROLS, and POWER SEATS


Object Number: 911682  Size: FS
Master Electrical Component List
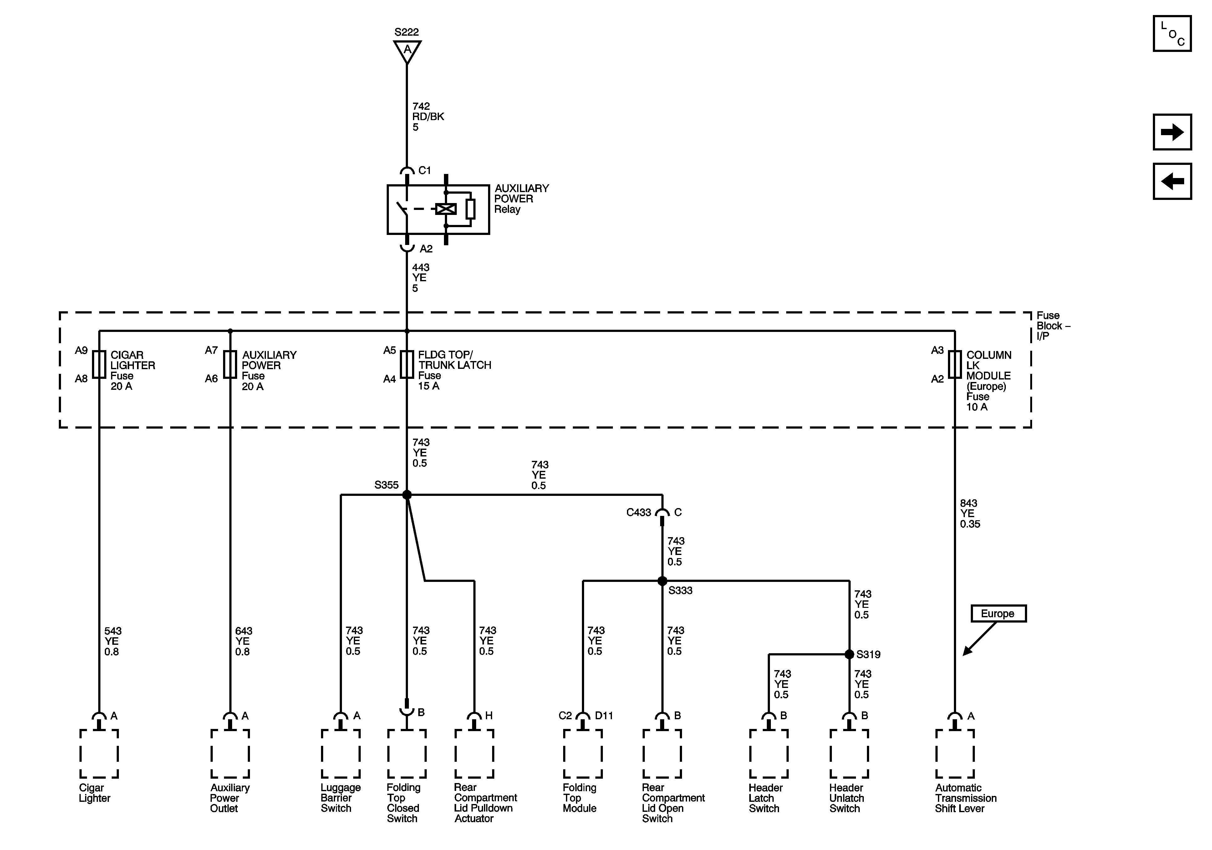
Fuse Block-Underhood Fuse: BATT1, Fuse Block-I/P Fuses; AUXILIARY POWER, CIGAR LIGHTER, COLUMN LK MODULE (EUROPE), and FLDG TOP/TRUNK LATCH
Fuse Block-Underhood Fuses; ABS, AMP, BATT2, COOLFAN, ECM/TCM, HORN, HVAC, and MRRTD
Fuse Block-Underhood Fuse: BATT1, Fuse Block-I/P Fuses; AUXILIARY POWER, CIGAR LIGHTER, COLUMN LK MODULE (EUROPE), and FLDG TOP/TRUNK LATCH
Figure 4:

Fuse Block-Underhood Fuse: BATT1, Fuse Block-I/P Fuses; AUXILIARY POWER, CIGAR LIGHTER, COLUMN LK MODULE (EUROPE), AND FLDG TOP/TRUNK LATCH


Object Number: 911693  Size: FS
Master Electrical Component List
Fuse Block-Underhood Fuse: BATT5, BCM Fuses; ACCA/DRIV DR SW, IGNITION SW/INTR SENS, ONSTAR, PARK BRAKE SOL A, and TILT/TELE SW/MEM SEAT MOD
Fuse Block-Underhood Fuse; BATT1, Fuse Block-I/P Fuses; HEATED SEAT LH, HEATED SEAT RH, POWER LUMBAR LH/RH, Fuse Block-I/P Circuit Breakers; DOOR CONTROLS, and POWER SEATS
Fuse Block-Underhood Fuse; BATT1, Fuse Block-I/P Fuses; HEATED SEAT LH, HEATED SEAT RH, POWER LUMBAR LH/RH, Fuse Block-I/P Circuit Breakers; DOOR CONTROLS, and POWER SEATS
Figure 5:

Fuse Block-Underhood Fuse: BATT5, BCM Fuses; ACCA/DRIV DR SW, IGNITION SW/INTR SENS, ONSTAR, PARK BRAKE SOL A, and TILT/TELE SW/MEM SEAT MOD


Object Number: 911701  Size: FS
Master Electrical Component List
Fuse Block-Underhood Fuses; BATT3 and STOP/B/U/LPS, BCM Fuses; BTSI SOL/COL LOCK, PWR FLDG MIR-EXT/RET, RADIO/ANT/VICS, REAR FOG/ALDL TOP SW, and REVERSE LAMPS
Fuse Block-Underhood Fuse: BATT1, Fuse Block-I/P Fuses; AUXILIARY POWER, CIGAR LIGHTER, COLUMN LK MODULE (EUROPE), and FLDG TOP/TRUNK LATCH
Figure 6:

Fuse Block-Underhood Fuses; BATT3 and STOP/B/U/LPS, BCM Fuses; BTSI SOL/COL LOCK, PWR FLDG MIR-EXT/RET, RADIO/ANT/VICS, REAR FOG/ALDL TOP SW, and REVERSE LAMPS


Object Number: 911710  Size: FS
Master Electrical Component List
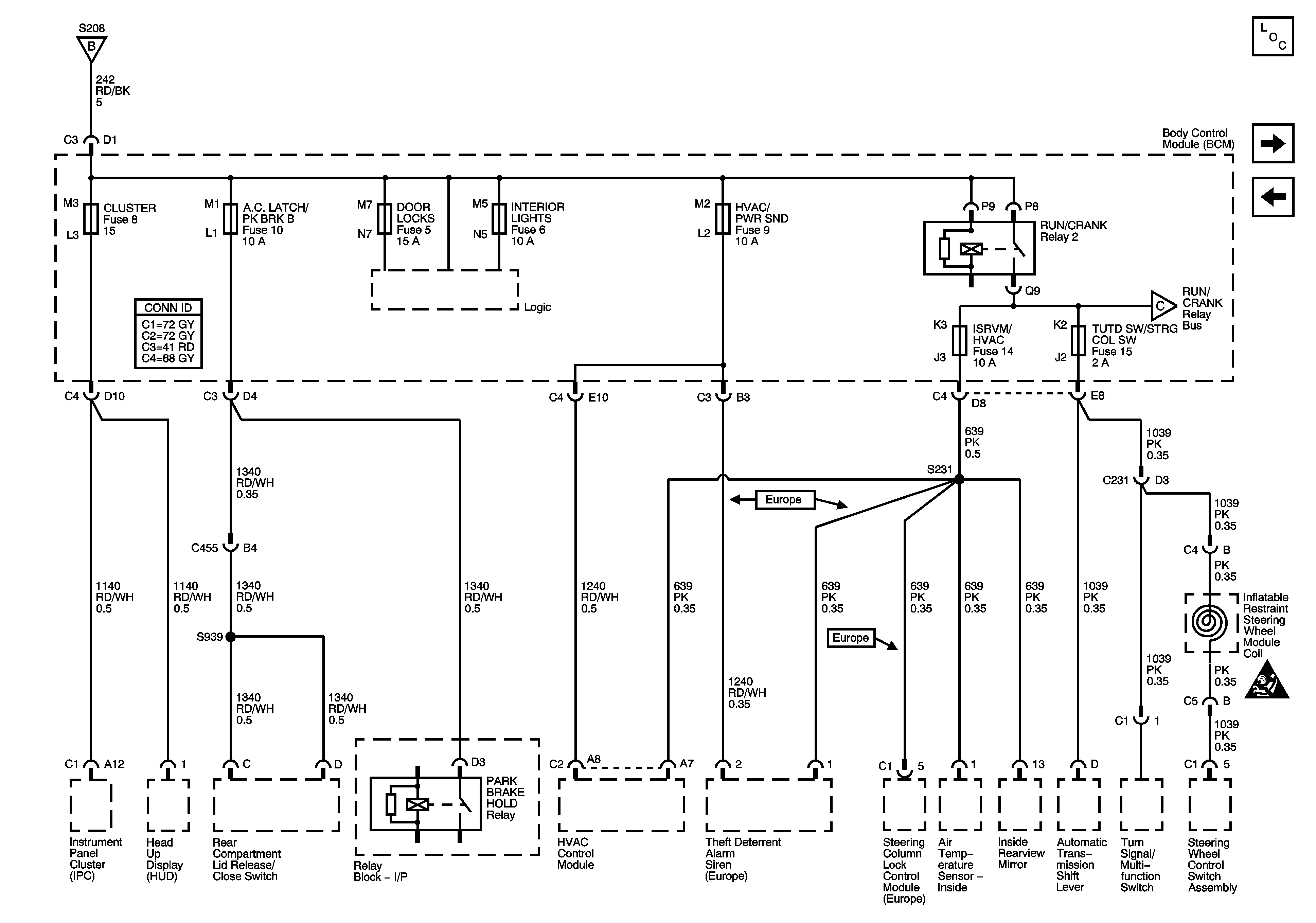
BCM Fuses; A.C.LATCH/PK BRK B, CLUSTER, DOOR LOCKS, HVAC/PWR SND, INTERIOR LIGHTS, ISRVM/HVAC, and TUTD SW/STRG COL SW
Fuse Block-Underhood Fuse: BATT5, BCM Fuses; ACCA/DRIV DR SW, IGNITION SW/INTR SENS, ONSTAR, PARK BRAKE SOL A, and TILT/TELE SW/MEM SEAT MOD
BCM Fuses; A.C.LATCH/PK BRK B, CLUSTER, DOOR LOCKS, HVAC/PWR SND, INTERIOR LIGHTS, ISRVM/HVAC, and TUTD SW/STRG COL SW
Figure 7:

BCM Fuses; A.C.LATCH/PK BRK B, CLUSTER, DOOR LOCKS, HVAC/PWR SND, INTERIOR LIGHTS, ISRVM/HVAC, and TUTD SW/STRG COL SW


Object Number: 911718  Size: FS
Master Electrical Component List
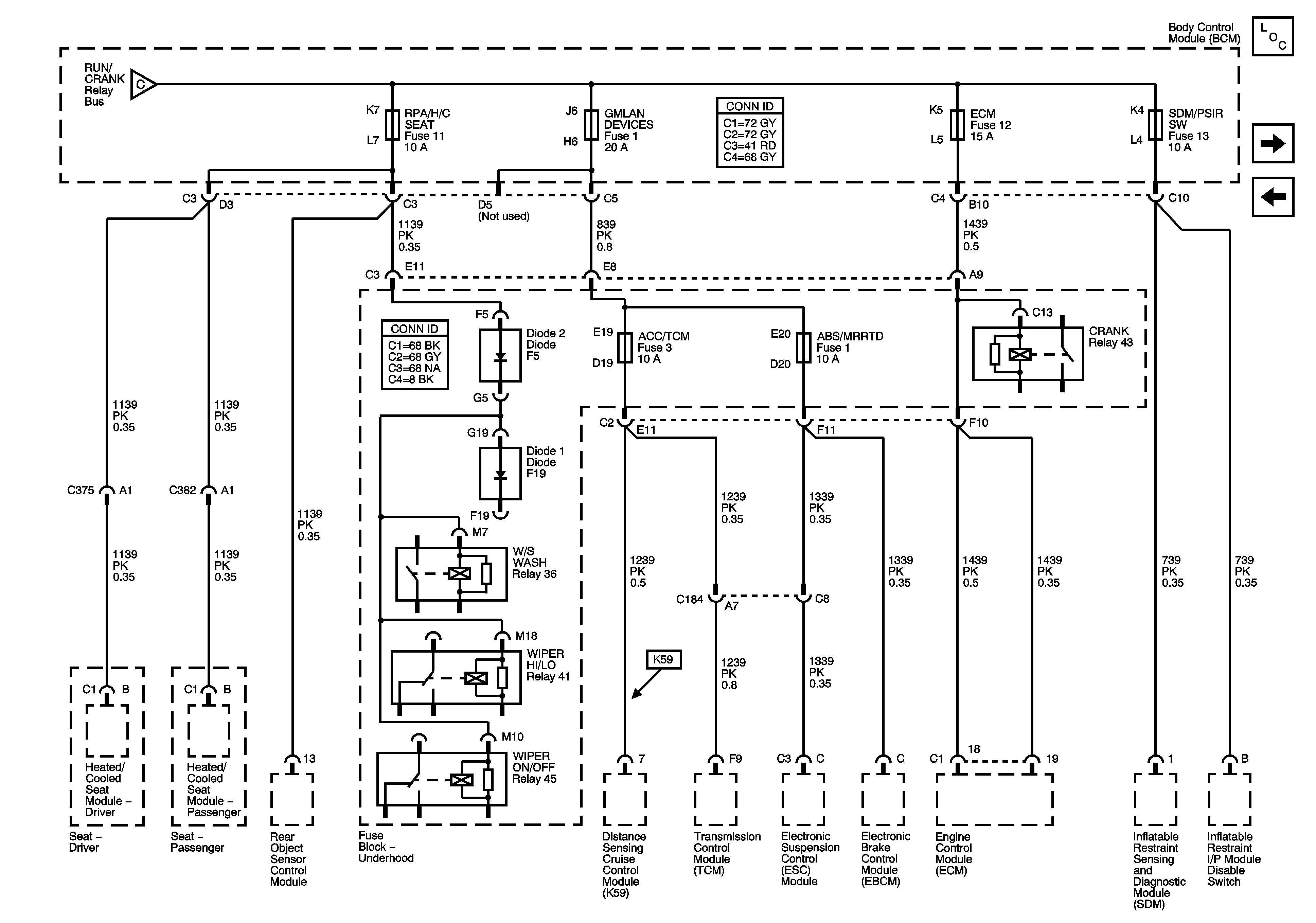
BCM Fuses; ECM, GMLAN DEVICES, RPA / H/C SEAT, and SDM/PSIR SW, Fuse Block-Underhood Fuses; ABS/MRRTD, and ACC/TCM
Fuse Block-Underhood Fuses; BATT3 and STOP/B/U/LPS, BCM Fuses; BTSI SOL/COL LOCK, PWR FLDG MIR-EXT/RET, RADIO/ANT/VICS, REAR FOG/ALDL TOP SW, and REVERSE LAMPS
Fuse Block-Underhood Fuses; BATT3 and STOP/B/U/LPS, BCM Fuses; BTSI SOL/COL LOCK, PWR FLDG MIR-EXT/RET, RADIO/ANT/VICS, REAR FOG/ALDL TOP SW, and REVERSE LAMPS
BCM Fuses; ECM, GMLAN DEVICES, RPA / H/C SEAT, and SDM/PSIR SW, Fuse Block-Underhood Fuses; ABS/MRRTD, and ACC/TCM
SIR Caution for Zoning
Figure 8:

BCM Fuses; ECM, GMLAN DEVICES, RPA / H/C SEAT, and SDM/PSIR SW, Fuse Block-Underhood Fuses; ABS/MRRTD, and ACC/TCM


Object Number: 911724  Size: FS
Master Electrical Component List
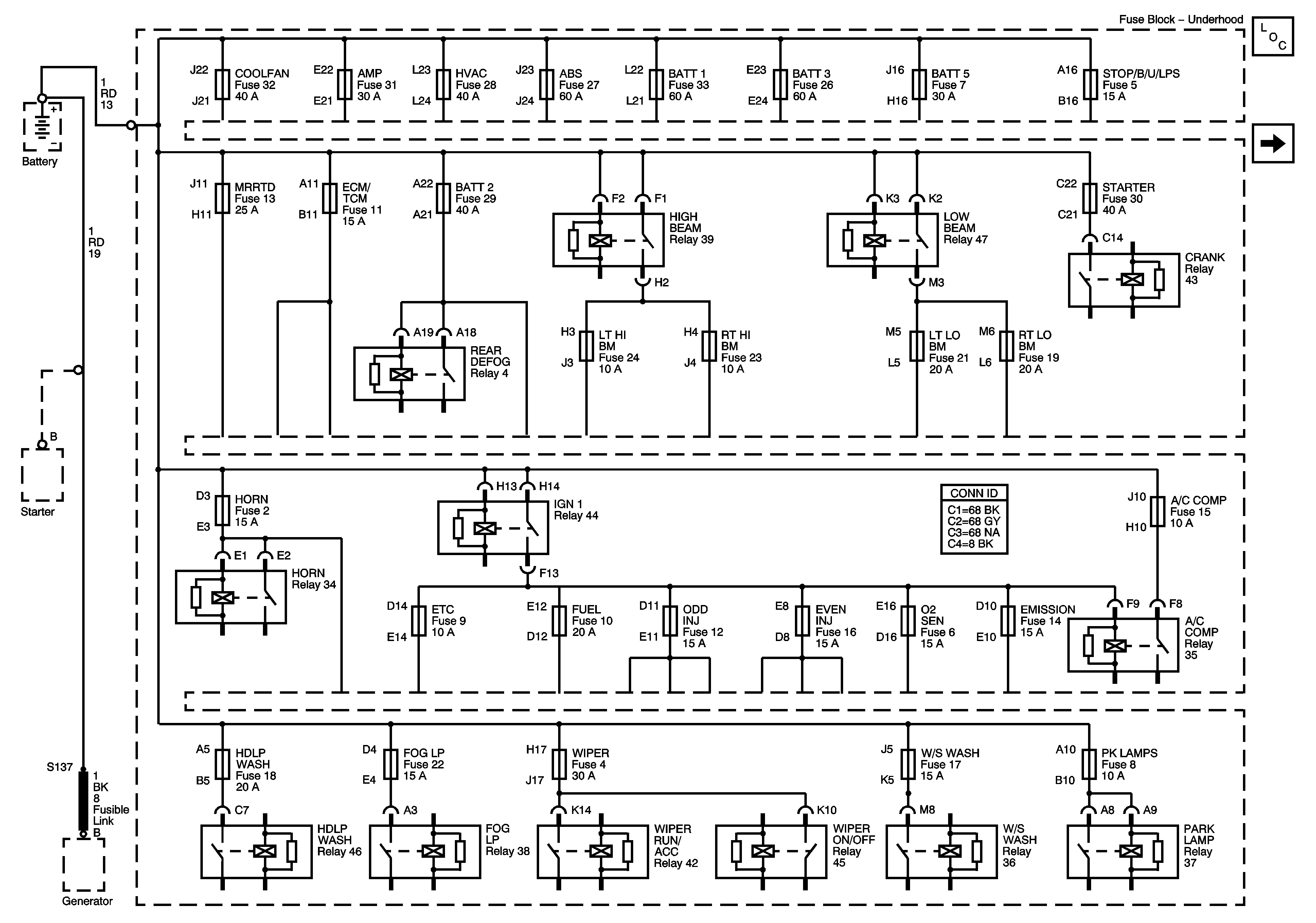
use Block-Underhood Fuses; EMISSIONS, ETC, EVEN INJ, FUEL, O2 SEN, and ODD INJ
BCM Fuses; A.C.LATCH/PK BRK B, CLUSTER, DOOR LOCKS, HVAC/PWR SND, INTERIOR LIGHTS, ISRVM/HVAC, and TUTD SW/STRG COL SW
BCM Fuses; A.C.LATCH/PK BRK B, CLUSTER, DOOR LOCKS, HVAC/PWR SND, INTERIOR LIGHTS, ISRVM/HVAC, and TUTD SW/STRG COL SW
Figure 9:

Fuse Block-Underhood Fuses; EMISSION, ETC, EVEN INJ, FUEL, O2 SEN, and ODD INJ


Object Number: 911760  Size: FS
Master Electrical Component List
Fuse Block-Underhood Fuses; LT HI BM, LT LO BM, RT HI BM, RT LO BM, Fuse Block-I/P Fuses; RUN/ACCESSORY POWER, STEERING WHEEL DIMMING, and WIPER DWELL
BCM Fuses; ECM, GMLAN DEVICES, RPA / H/C SEAT, and SDM/PSIR SW, Fuse Block-Underhood Fuses; ABS/MRRTD, and ACC/TCM
Figure 10:

Fuse Block-Underhood Fuses; LT HI BM, LT LO BM, RT HI BM, RT LO BM, Fuse Block-I/P Fuses; RUN/ACCESSORY POWER, STEERING WHEEL DIMMING, and WIPER DWELL


Object Number: 922508  Size: FS
Master Electrical Component List
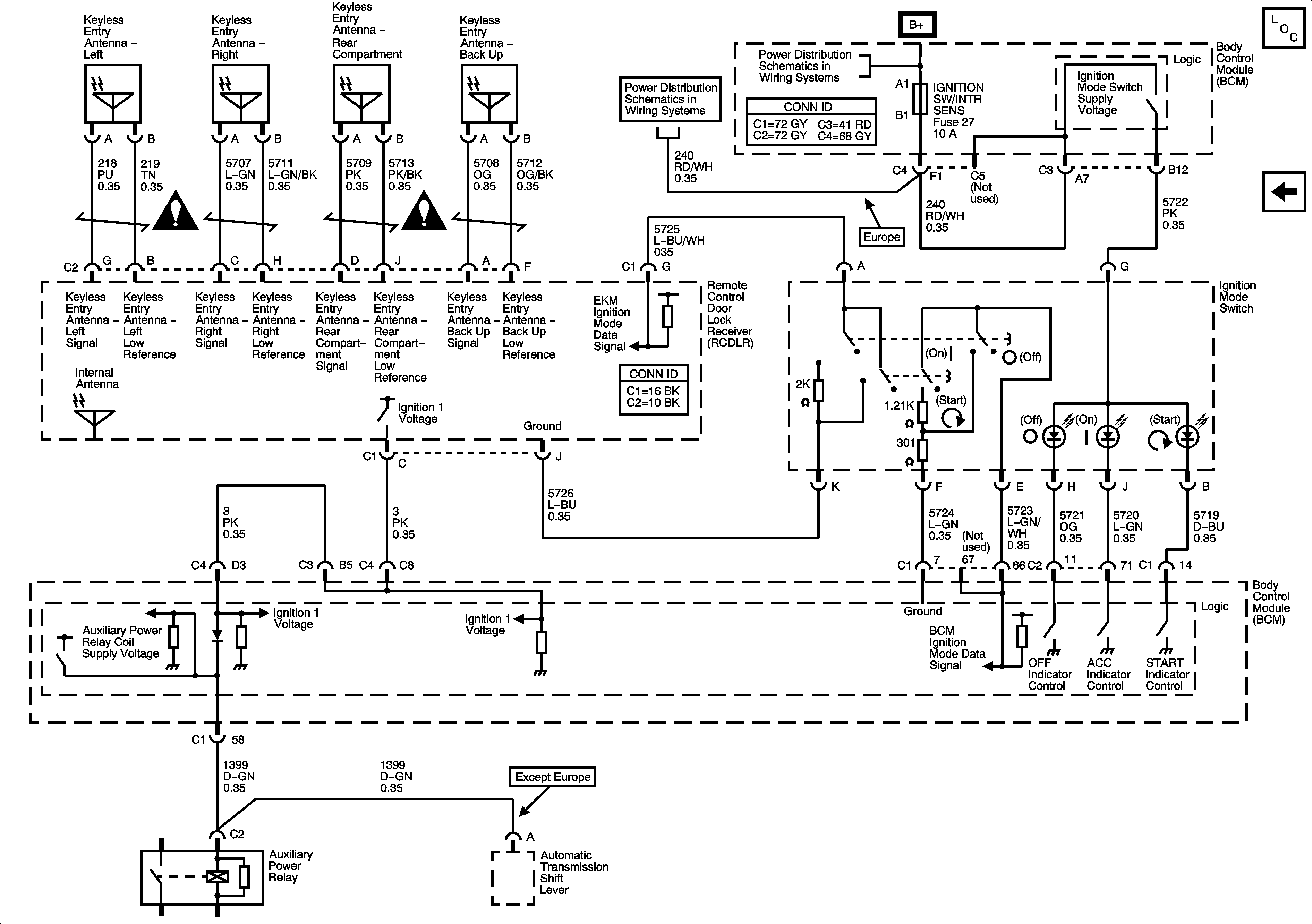
Ignition Modes
use Block-Underhood Fuses; EMISSIONS, ETC, EVEN INJ, FUEL, O2 SEN, and ODD INJ
SIR Caution for Zoning
Figure 11:

Ignition Modes


Object Number: 911765  Size: FS
Master Electrical Component List
Fuse Block-Underhood Fuses; LT HI BM, LT LO BM, RT HI BM, RT LO BM, Fuse Block-I/P Fuses; RUN/ACCESSORY POWER, STEERING WHEEL DIMMING, and WIPER DWELL
Fuse Block-Underhood Fuse: BATT5, BCM Fuses; ACCA/DRIV DR SW, IGNITION SW/INTR SENS, ONSTAR, PARK BRAKE SOL A, and TILT/TELE SW/MEM SEAT MOD
Fuse Block-Underhood Fuse: BATT5, BCM Fuses; ACCA/DRIV DR SW, IGNITION SW/INTR SENS, ONSTAR, PARK BRAKE SOL A, and TILT/TELE SW/MEM SEAT MOD
Power and Grounding Schematic Icons
Power and Grounding Schematic Icons