GM Service Manual Online
For 1990-2009 cars only
Makes
🢒
Cadillac
🢒
2004
🢒
XLR
🢒
Accessories
🢒
Cellular Communication
🢒 OnStar Schematics
Figure
1:
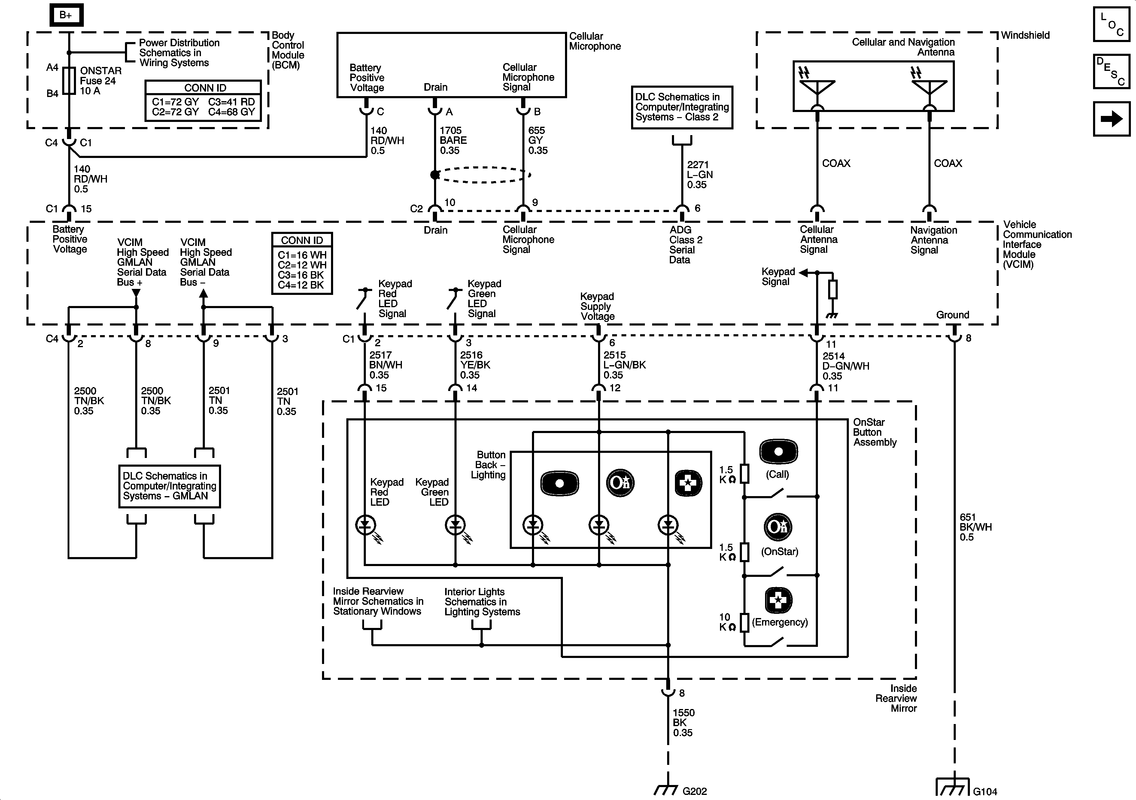
Antenna, DLC, Ground, Power, and User Inputs
Master Electrical Component List
OnStar Description and Operation
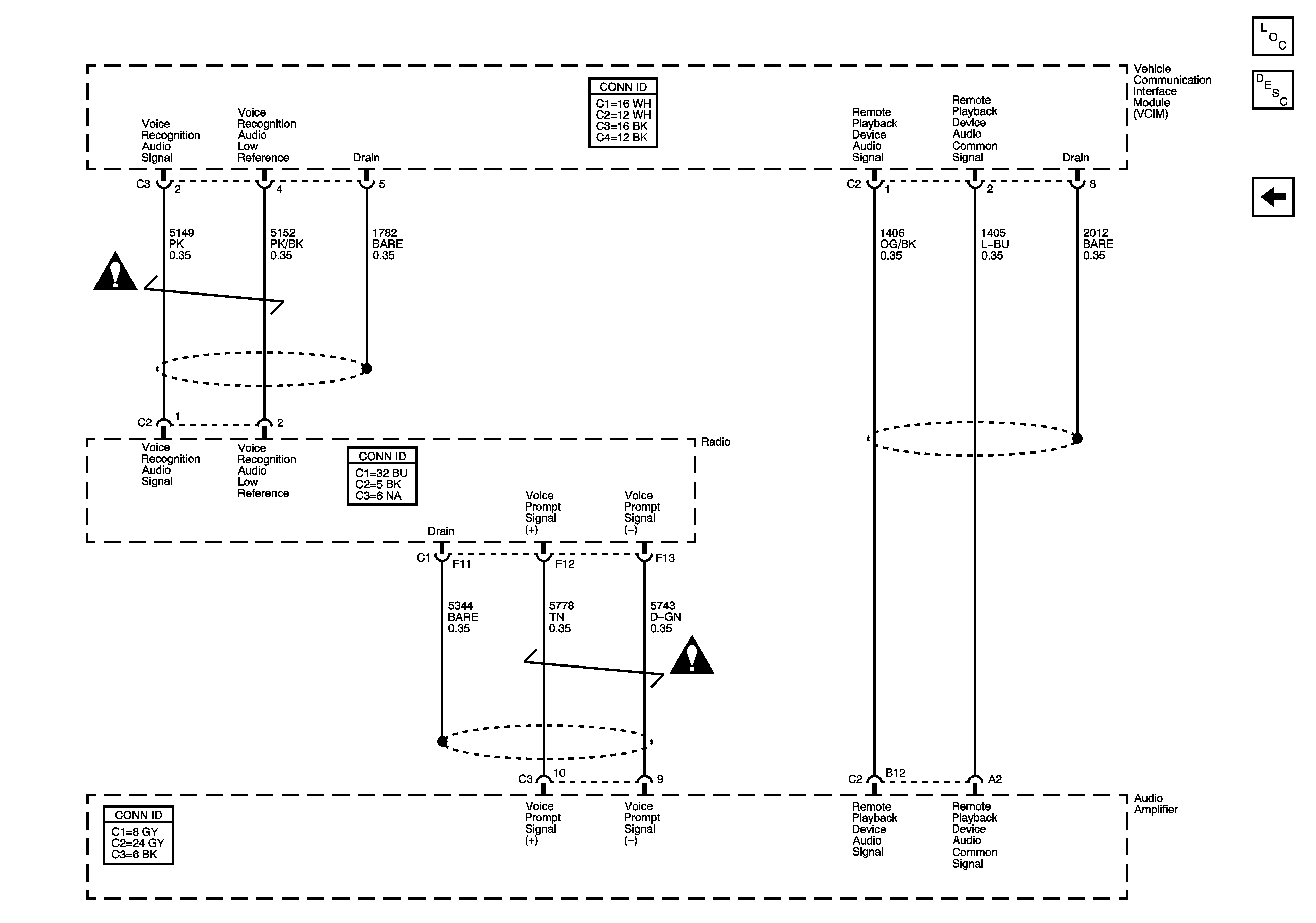
Audio Output
Fuse Block-Underhood Fuse: BATT5, BCM Fuses; ACCA/DRIV DR SW, IGNITION SW/INTR SENS, ONSTAR, PARK BRAKE SOL A, and TILT/TELE SW/MEM SEAT MOD
Class 2
GMLAN
Inside Rearview Mirror
Lamp Controls, Courtesy, Underhood, I/P Compartment, Vanity Mirrors and Inside Rearview Mirror Lamps
Figure
2:
Audio Output
Master Electrical Component List
OnStar Description and Operation
Antenna, DLC, Ground, Power, and User Inputs
Cellular Communication Schematic Icons
Cellular Communication Schematic Icons