GM Service Manual Online
For 1990-2009 cars only
Makes
🢒
Cadillac
🢒
2004
🢒
XLR
🢒
Steering
🢒
Steering Wheel and Column
🢒 Column/Ignition Lock Schematics
Master Electrical Component List
Steering Wheel and Column Description and Operation
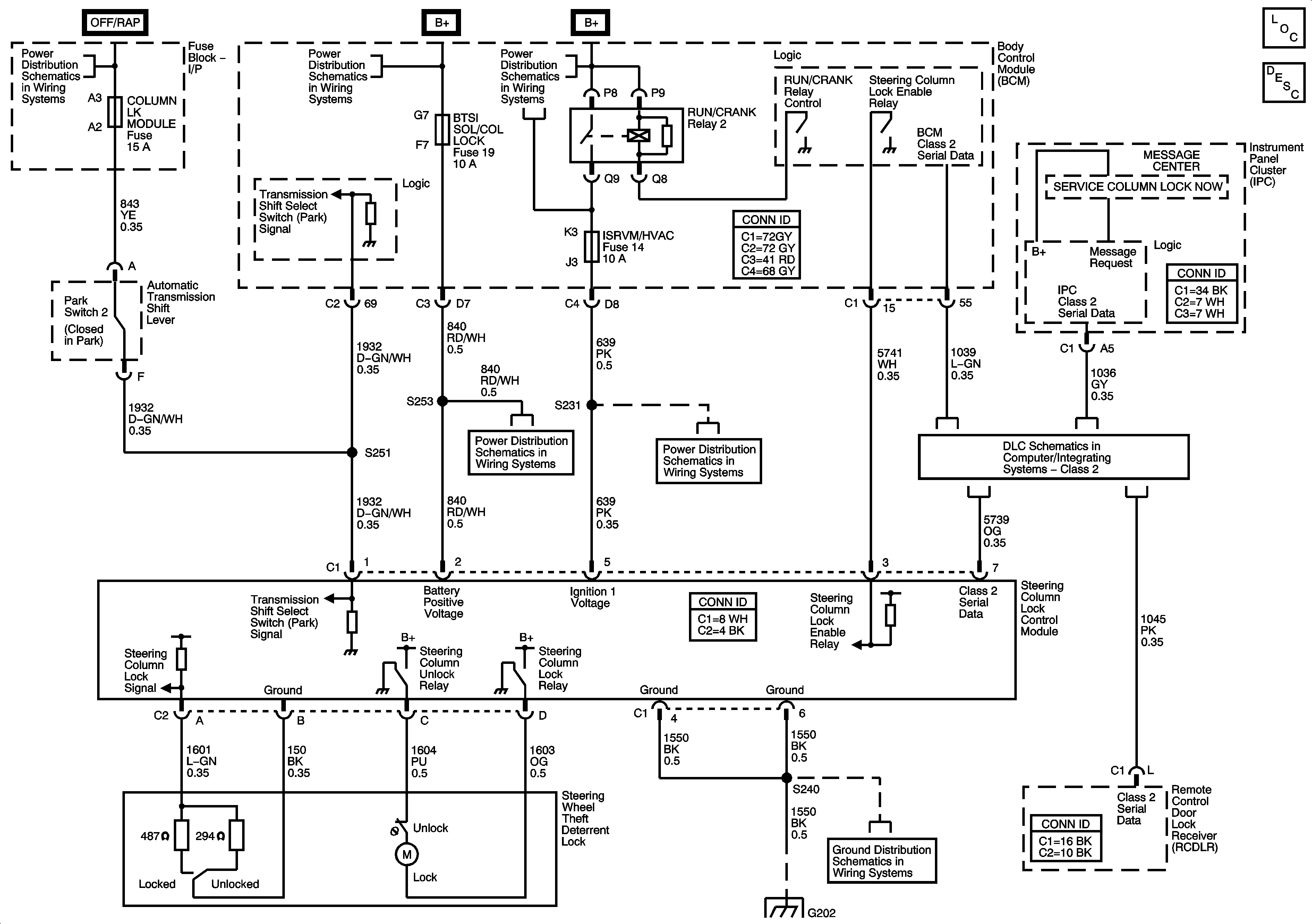
Fuse Block-Underhood Fuses; BATT3 and STOP/B/U/LPS, BCM Fuses; BTSI SOL/COL LOCK, PWR FLDG MIR-EXT/RET, RADIO/ANT/VICS, REAR FOG/ALDL TOP SW, and REVERSE LAMPS
BCM Fuses; A.C.LATCH/PK BRK B, CLUSTER, DOOR LOCKS, HVAC/PWR SND, INTERIOR LIGHTS, ISRVM/HVAC, and TUTD SW/STRG COL SW
Fuse Block-Underhood Fuse: BATT1, Fuse Block-I/P Fuses; AUXILIARY POWER, CIGAR LIGHTER, COLUMN LK MODULE (EUROPE), and FLDG TOP/TRUNK LATCH
Fuse Block-Underhood Fuses; BATT3 and STOP/B/U/LPS, BCM Fuses; BTSI SOL/COL LOCK, PWR FLDG MIR-EXT/RET, RADIO/ANT/VICS, REAR FOG/ALDL TOP SW, and REVERSE LAMPS
BCM Fuses; A.C.LATCH/PK BRK B, CLUSTER, DOOR LOCKS, HVAC/PWR SND, INTERIOR LIGHTS, ISRVM/HVAC, and TUTD SW/STRG COL SW
Class 2
G202-1 of 2