GM Service Manual Online
For 1990-2009 cars only
Makes
🢒
Cadillac
🢒
2004
🢒
XLR
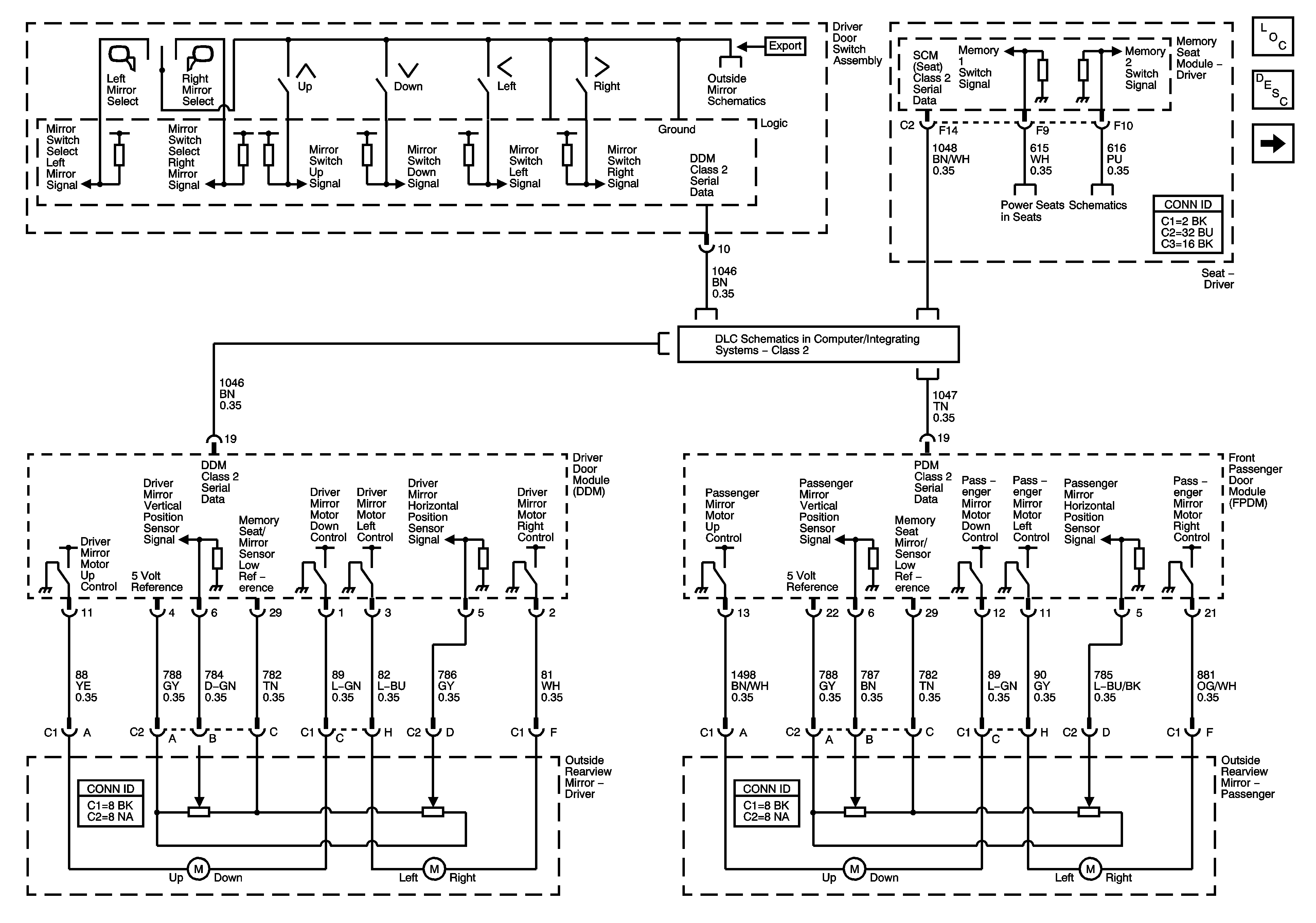
🢒 Memory Power Mirrors
Memory Power Mirrors
Memory Power Mirrors
Master Electrical Component List
Outside Mirror Description and Operation
Dimming Mirror, Heated Mirrors
Power Folding Mirrors-Export
DLC, Ground, Power, Switches, and References to Tilt/Telescope Steering
Class 2