GM Service Manual Online
For 1990-2009 cars only
Makes
🢒
Cadillac
🢒
2004
🢒
XLR
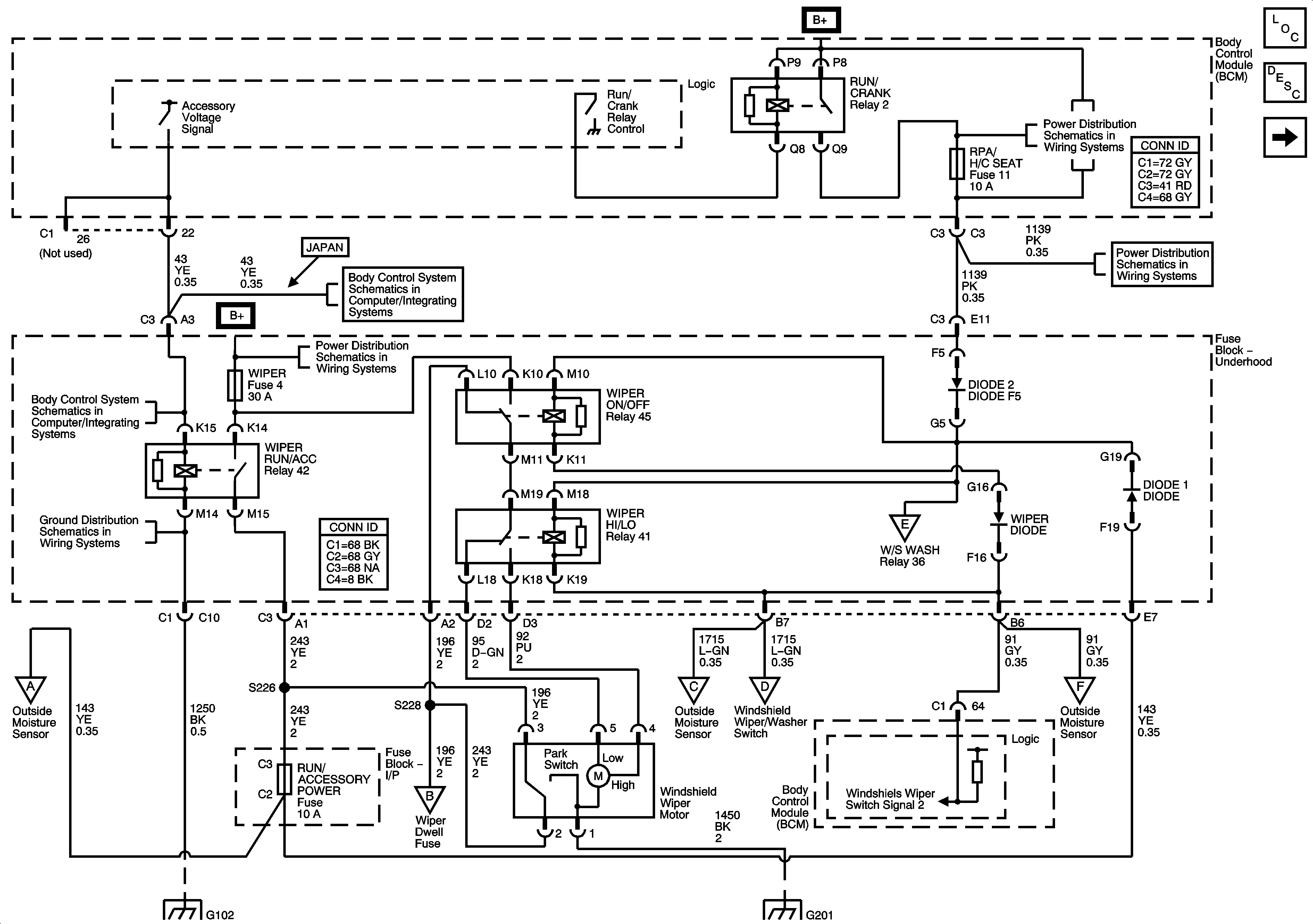
🢒 Power, Ground and Wiper Motor
Power, Ground and Wiper Motor
Power, Ground and Wiper Motor
Master Electrical Component List
Wiper/Washer System Description and Operation
Wiper Switch, Washers andOutside Moisture Sensor
BCM Fuses; A.C.LATCH/PK BRK B, CLUSTER, DOOR LOCKS, HVAC/PWR SND, INTERIOR LIGHTS, ISRVM/HVAC, and TUTD SW/STRG COL SW
BCM Fuses; ECM, GMLAN DEVICES, RPA / H/C SEAT, and SDM/PSIR SW, Fuse Block-Underhood Fuses; ABS/MRRTD, and ACC/TCM
DLC, Ground and Power
DLC, Ground and Power
Fuse Block-Underhood Fuses; LT HI BM, LT LO BM, RT HI BM, RT LO BM, Fuse Block-I/P Fuses; RUN/ACCESSORY POWER, STEERING WHEEL DIMMING, and WIPER DWELL
G102
Wiper Switch, Washers andOutside Moisture Sensor
Wiper Switch, Washers andOutside Moisture Sensor
Wiper Switch, Washers andOutside Moisture Sensor
Wiper Switch, Washers andOutside Moisture Sensor
Wiper Switch, Washers andOutside Moisture Sensor
Wiper Switch, Washers andOutside Moisture Sensor