GM Service Manual Online
For 1990-2009 cars only
Makes
🢒
Cadillac
🢒
2004
🢒
XLR
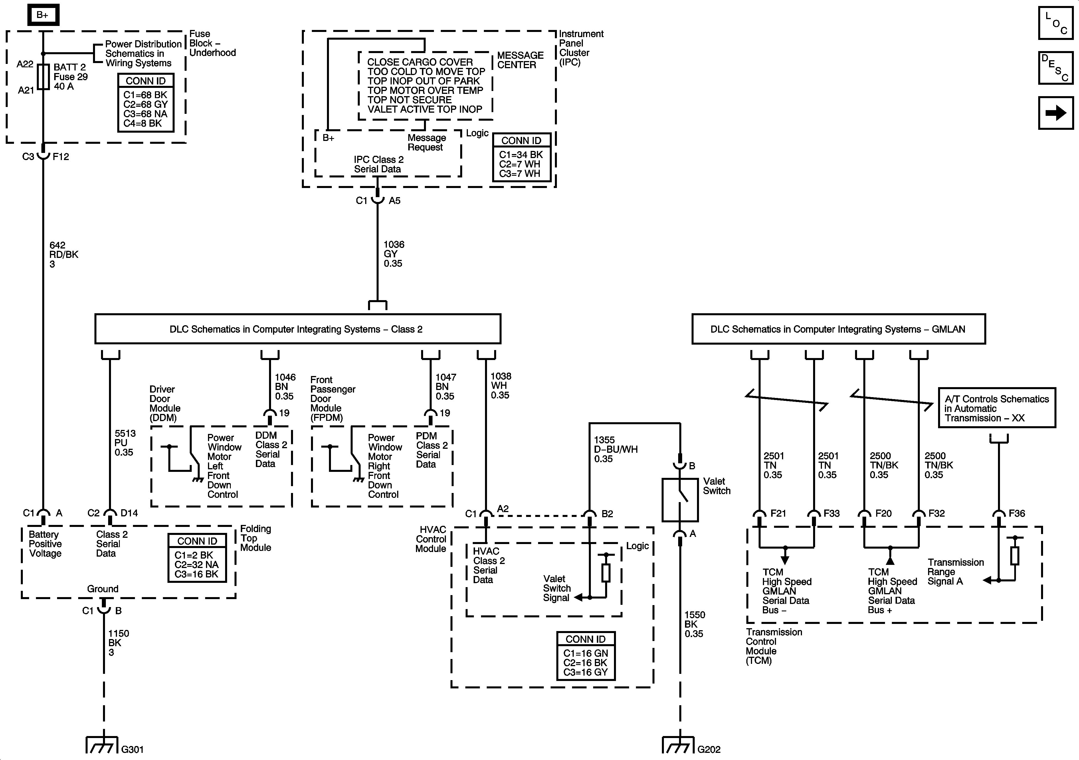
🢒 Power, Ground, DLC and Messages
Power, Ground, DLC and Messages
Power, Ground, DLC and Messages
Master Electrical Component List
Power Folding Top Description and Operation
Switches
Fuse Block-Underhood Fuses; ABS, AMP, BATT2, COOLFAN, ECM/TCM, HORN, HVAC, and MRRTD
Class 2
GMLAN
IMS, ISS, Solenoids, TFT, and VSS