GM Service Manual Online
For 1990-2009 cars only
Makes
🢒
Cadillac
🢒
2004
🢒
XLR
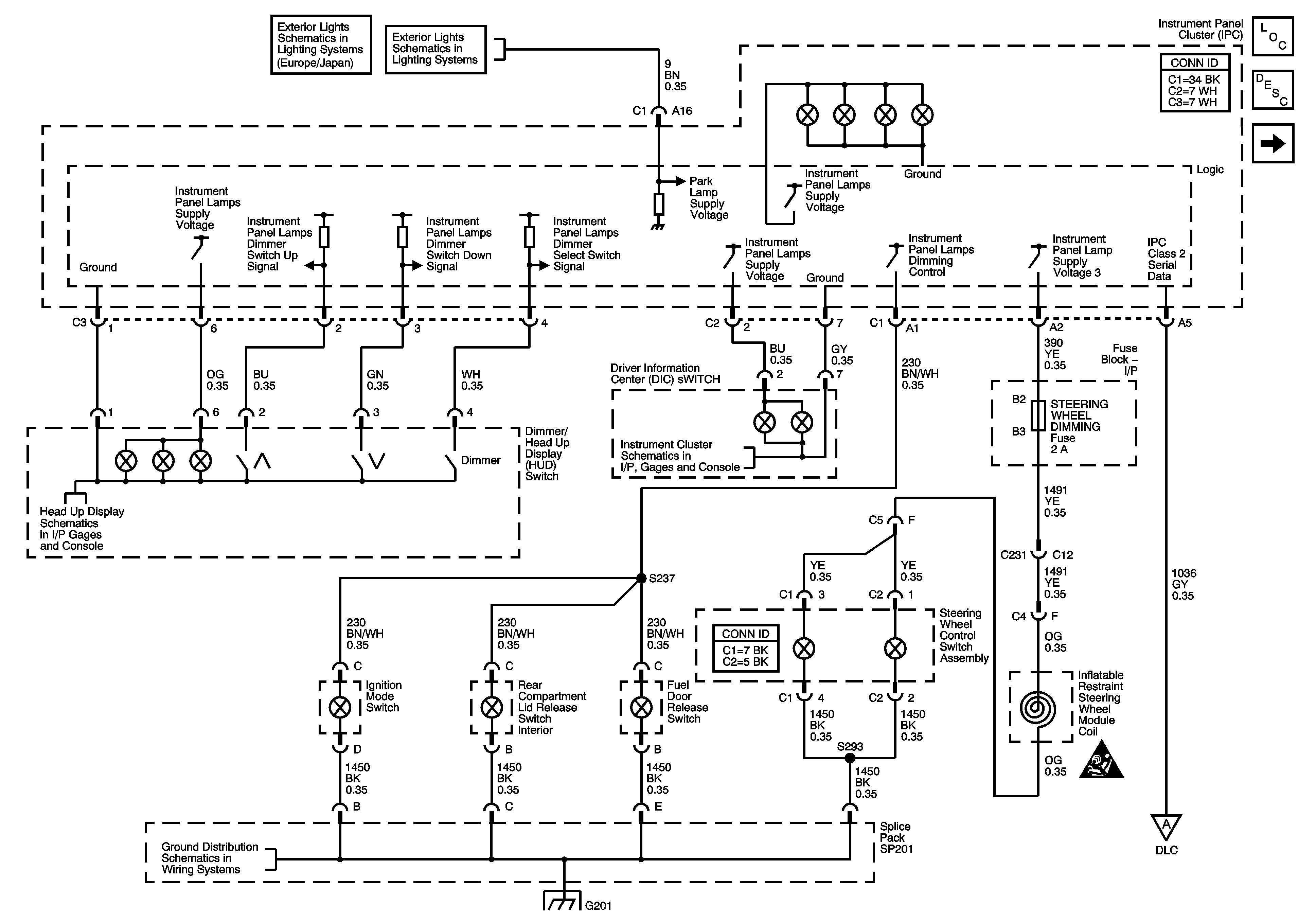
🢒 Dimmer Controls, IPC, Switches and DLC
Dimmer Controls, IPC, Switches and DLC
Dimmer Controls, IPC, Switches and DLC
Master Electrical Component List
Interior Lighting Systems Description and Operation
DLC, HVAC Control Module, Radio and Switches
Park Lamp Control, Sidemarker, Park and Position Lamps
Park Lamp Control, Sidemarker, Park and Position Lamps
Messages
Head Up Display Schematics
G201
DLC, HVAC Control Module, Radio and Switches
SIR Caution for Zoning