GM Service Manual Online
For 1990-2009 cars only
Makes
🢒
Cadillac
🢒
2004
🢒
XLR
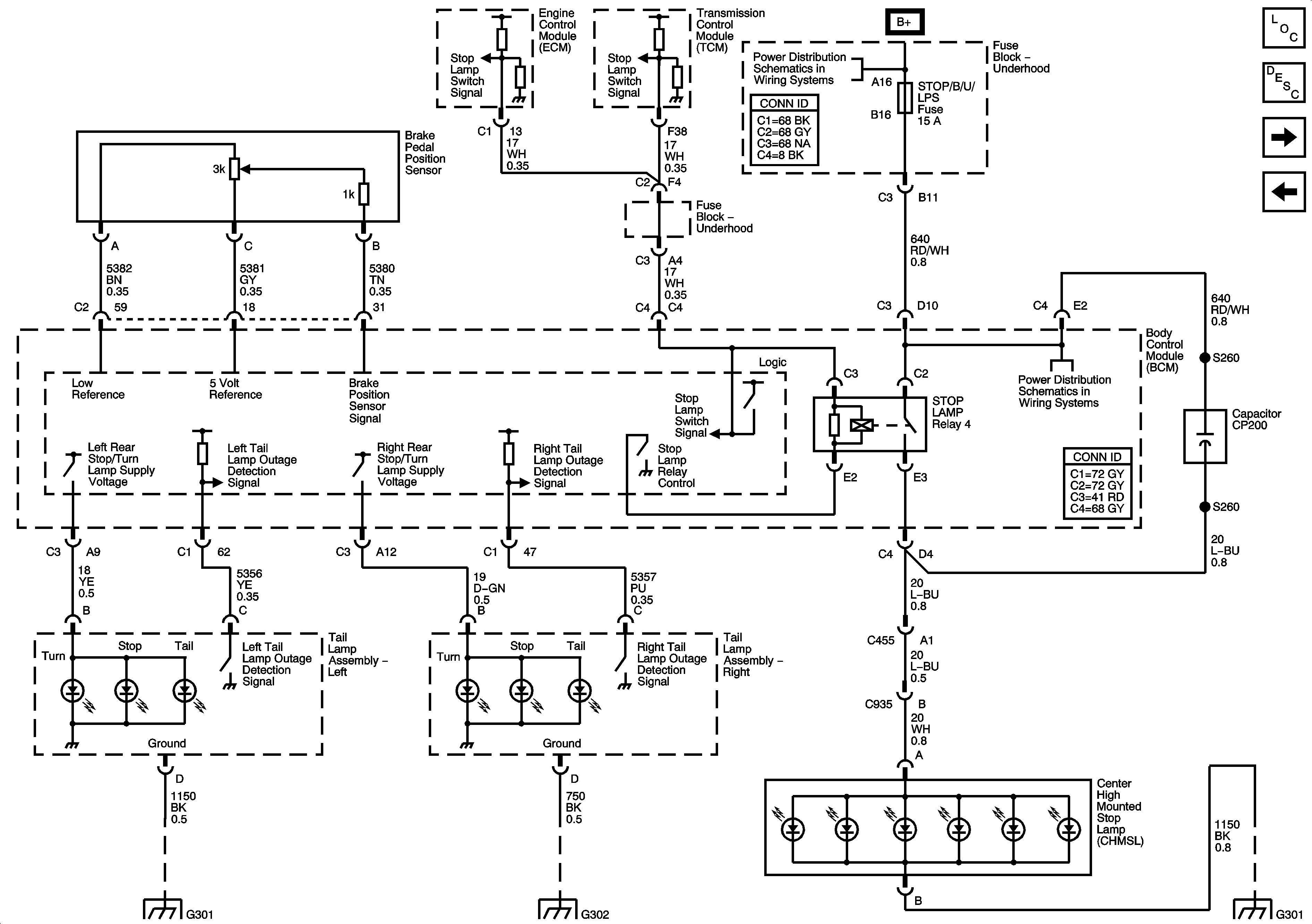
🢒 Stoplamps
Stoplamps
Stop Lamps
Master Electrical Component List
Exterior Lighting Systems Description and Operation
Backup Lamps
Turn Signal and Hazard Lamps (Domestic)
Fuse Block-Underhood Bussing
Engine Data Sensors-Pressure Temperature, MAF, VSS, and Brake Travel
Fuse Block-Underhood Fuses; BATT3 and STOP/B/U/LPS, BCM Fuses; BTSI SOL/COL LOCK, PWR FLDG MIR-EXT/RET, RADIO/ANT/VICS, REAR FOG/ALDL TOP SW, and REVERSE LAMPS