GM Service Manual Online
For 1990-2009 cars only
Makes
🢒
Cadillac
🢒
2004
🢒
XLR
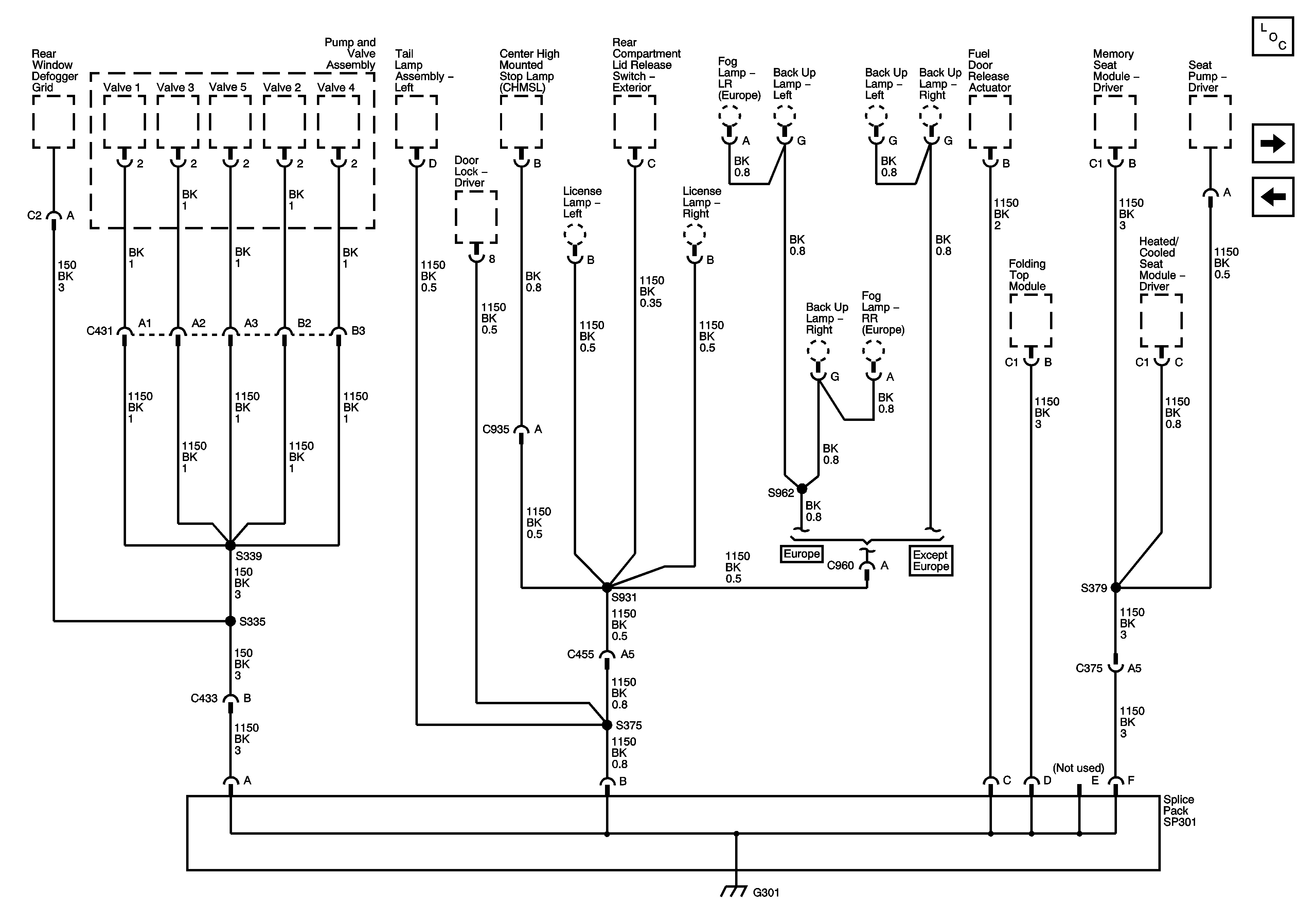
🢒 G301
G301
G301
Master Electrical Component List
G302, G401, and G402
G202-2 of 2