GM Service Manual Online
For 1990-2009 cars only
Makes
🢒
Cadillac
🢒
2004
🢒
XLR
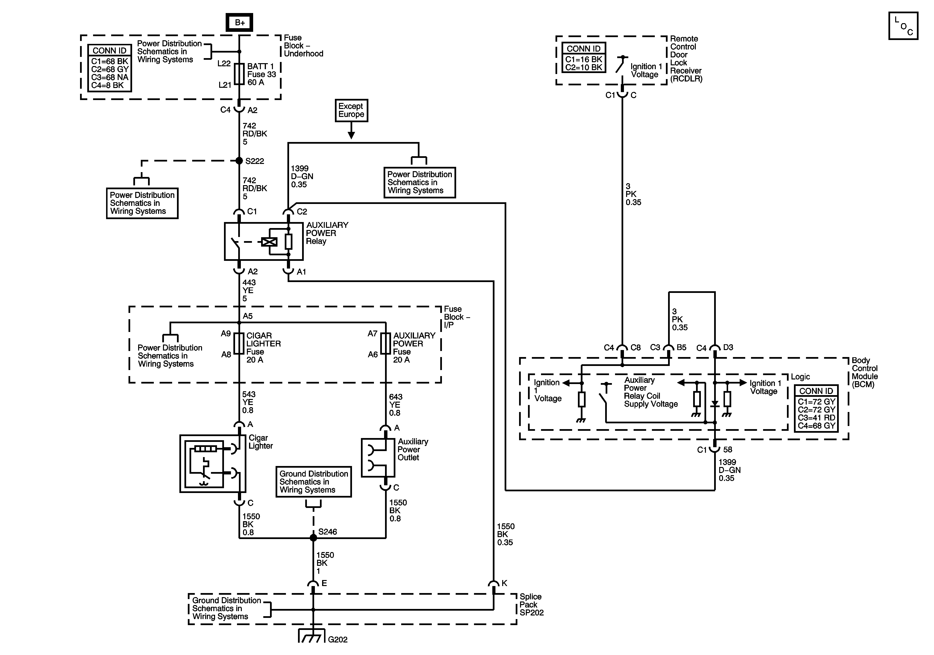
🢒 Cigar Lighter/ Auxiliary Outlet Schematics
Cigar Lighter/ Auxiliary Outlet Schematics
Master Electrical Component List
Fuse Block-Underhood Bussing
Fuse Block-Underhood Fuse; BATT1, Fuse Block-I/P Fuses; HEATED SEAT LH, HEATED SEAT RH, POWER LUMBAR LH/RH, Fuse Block-I/P Circuit Breakers; DOOR CONTROLS, and POWER SEATS
Ignition Modes
Fuse Block-Underhood Fuse: BATT1, Fuse Block-I/P Fuses; AUXILIARY POWER, CIGAR LIGHTER, COLUMN LK MODULE (EUROPE), and FLDG TOP/TRUNK LATCH
G202-1 of 2
G202-1 of 2