GM Service Manual Online
For 1990-2009 cars only
Makes
🢒
Cadillac
🢒
2004
🢒
XLR
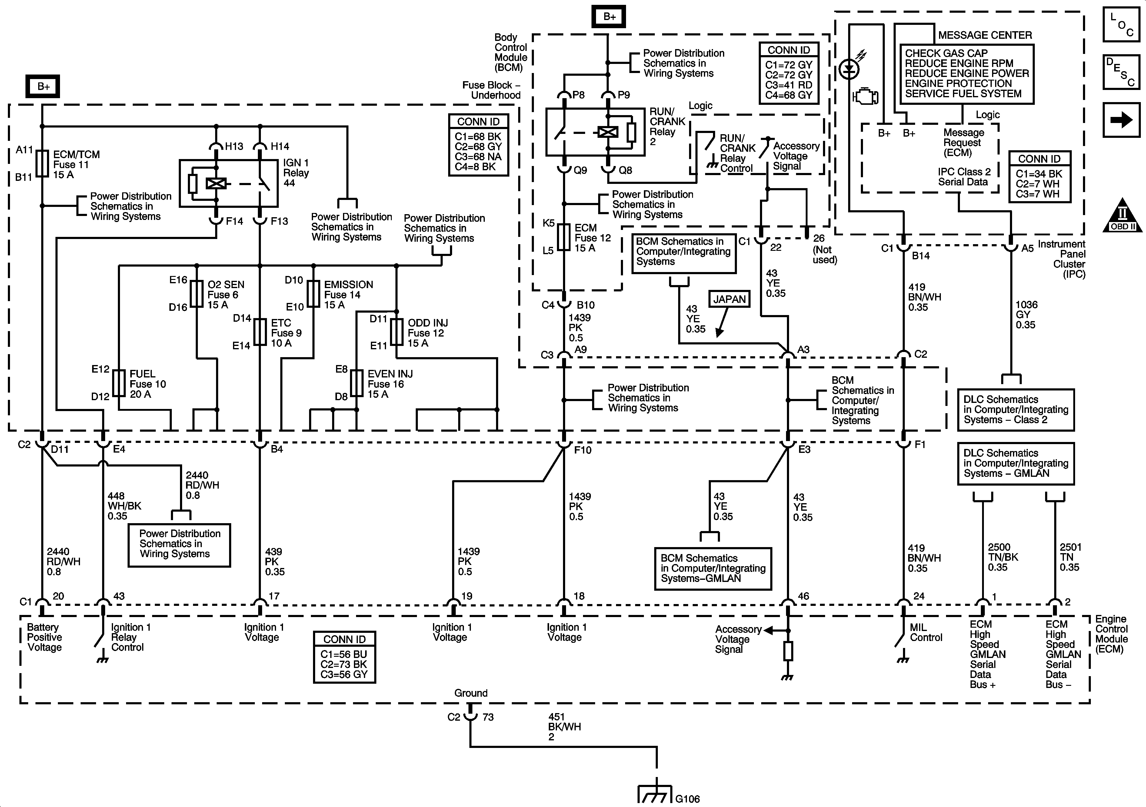
🢒 DLC, Ground, MIL, and Power
DLC, Ground, MIL, and Power
DLC, Ground, MIL, and Power
Master Electrical Component List
Engine Control Module Description
12 Volt and 5 Volt Reference Bussing
Engine Controls Schematic Icons
BCM Fuses; A.C.LATCH/PK BRK B, CLUSTER, DOOR LOCKS, HVAC/PWR SND, INTERIOR LIGHTS, ISRVM/HVAC, and TUTD SW/STRG COL SW
Fuse Block-Underhood Fuses; ABS, AMP, BATT2, COOLFAN, ECM/TCM, HORN, HVAC, and MRRTD
BCM Fuses; ECM, GMLAN DEVICES, RPA / H/C SEAT, and SDM/PSIR SW, Fuse Block-Underhood Fuses; ABS/MRRTD, and ACC/TCM
Fuse Block-Underhood Bussing
Fuse Block-Underhood Bussing
DLC, Ground and Power
BCM Fuses; ECM, GMLAN DEVICES, RPA / H/C SEAT, and SDM/PSIR SW, Fuse Block-Underhood Fuses; ABS/MRRTD, and ACC/TCM
DLC, Ground and Power
Class 2
GMLAN
Fuse Block-Underhood Fuses; ABS, AMP, BATT2, COOLFAN, ECM/TCM, HORN, HVAC, and MRRTD
DLC, Ground and Power