GM Service Manual Online
For 1990-2009 cars only
Figure 1:

DLC, Ground, Power, Switches and References to Tilt/Telescope Steering


Object Number: 1480753  Size: FS
Master Electrical Component List
Memory Seats Description and Operation
Control Module References
Motors
Fuse Block Underhood Fuses - BATT5, BCM Fuses - ACCA/DRIV DRSW, IGNITION SW/INTR SENS, ONSTAR, PARK BRAKE SOL A, TILT/TELE SW/MEM SEAT MOD
Fuse Block Underhood Fuses - BATT5, BCM Fuses - ACCA/DRIV DRSW, IGNITION SW/INTR SENS, ONSTAR, PARK BRAKE SOL A, TILT/TELE SW/MEM SEAT MOD
Fuse Block Underhood Fuses - BATT1, Fuse Block I/P Fuses - HEATED SEAT LH, HEATED SEAT RH, POWER LUMBAR LH/RH, Fuse Block I/P Circuit Breakers - Door Controls and Power Seats
DLC, HVAC Control Module, Radio and Switches
Tilt/Telescoping Steering Column
DLC - Class 2
G301
Figure 2:

Motors


Object Number: 1480756  Size: FS
Master Electrical Component List
Power Seats System Description and Operation
Control Module References
Lumbar Support
DLC, Ground, Power, Switches and References to Tilt/Telescope Steering
Tilt/Telescoping Steering Column
Tilt/Telescoping Steering Column
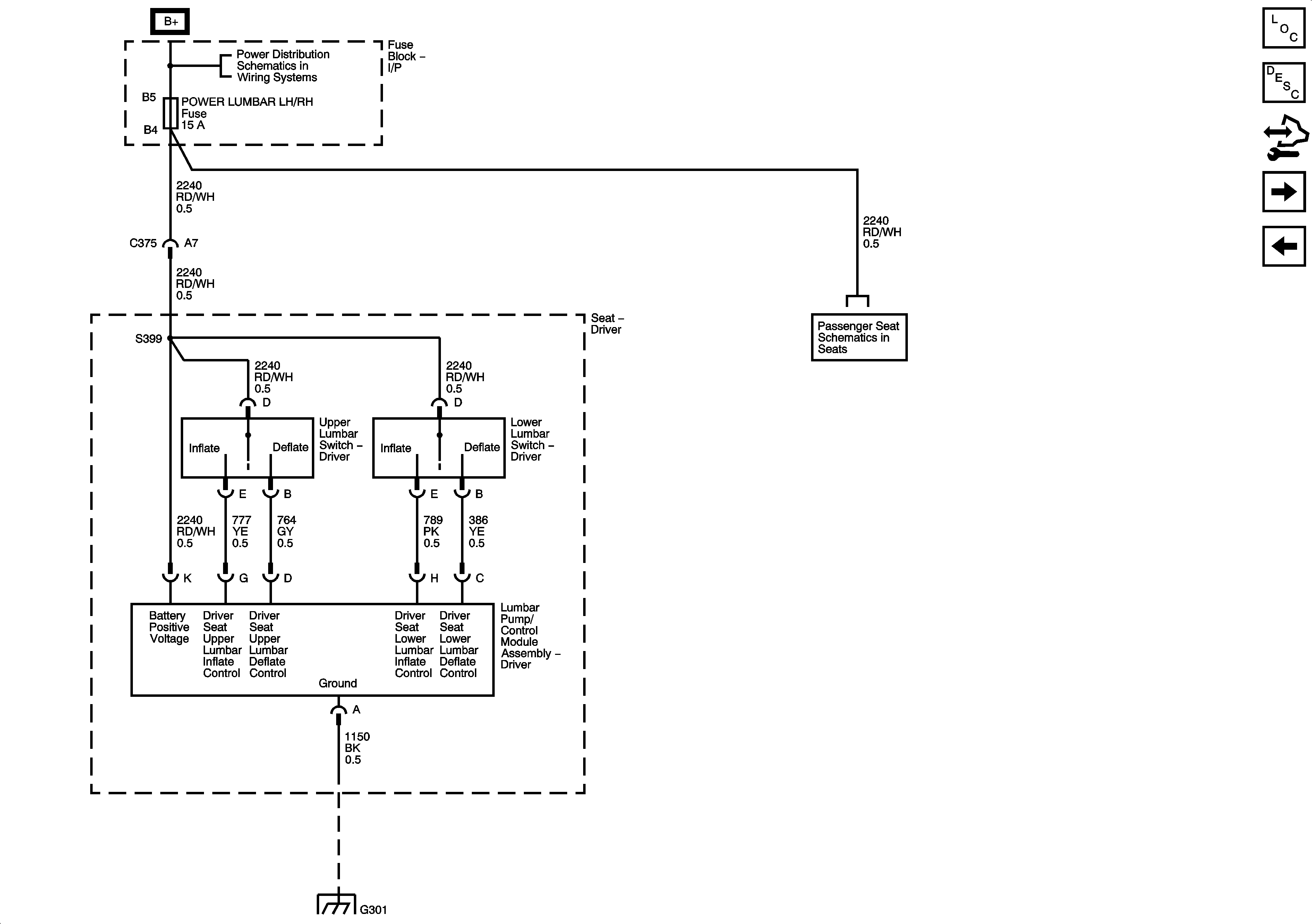
Figure 3:

Lumbar Support


Object Number: 1480764  Size: FS
Master Electrical Component List
Lumbar Support Description and Operation
Control Module References
Heated Seats - Driver
Motors
Fuse Block Underhood Fuses - BATT1, Fuse Block I/P Fuses - HEATED SEAT LH, HEATED SEAT RH, POWER LUMBAR LH/RH, Fuse Block I/P Circuit Breakers - Door Controls and Power Seats
Lumbar Support
G301
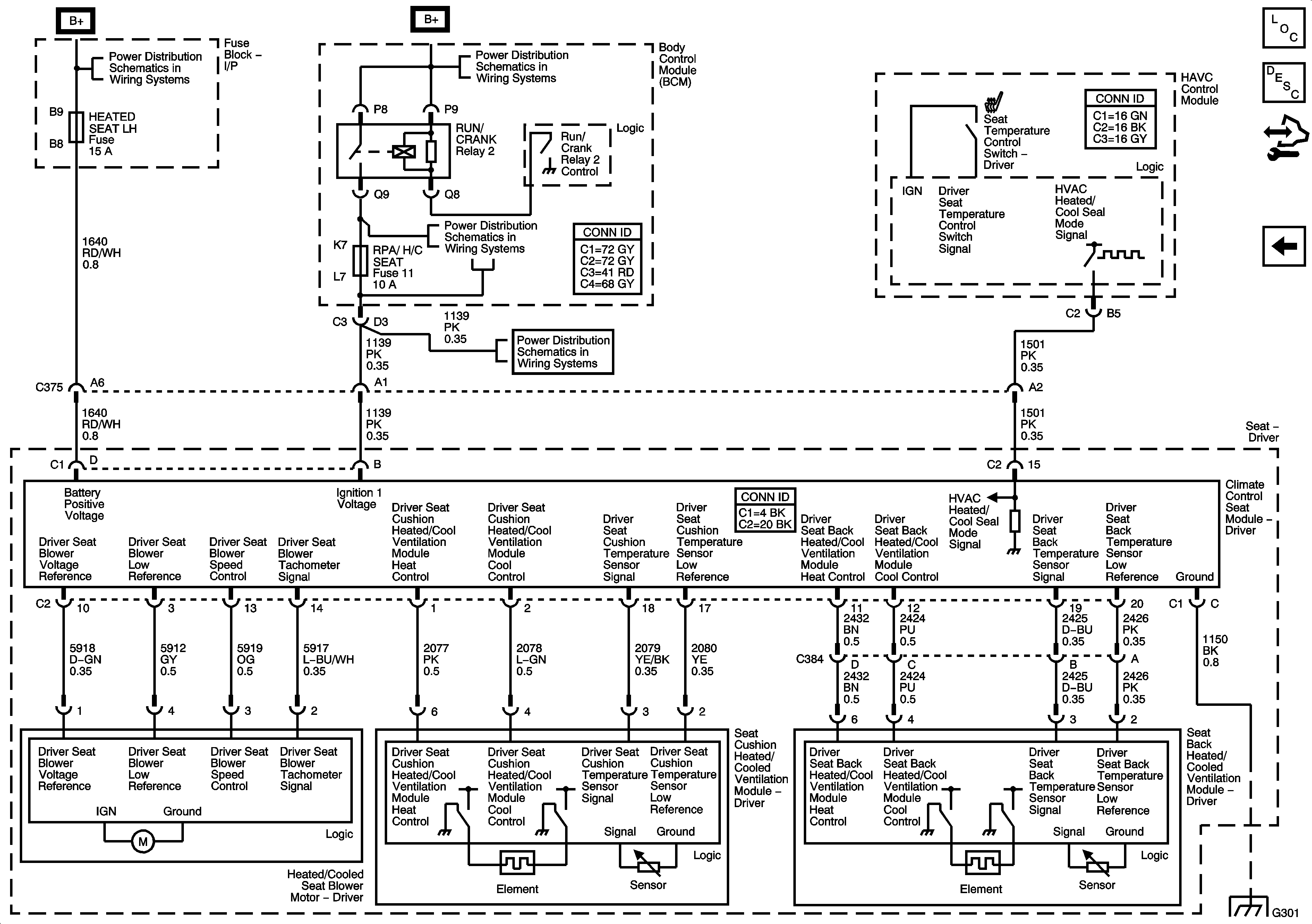
Figure 4:

Heated/Cooled Seats


Object Number: 1480768  Size: FS
Master Electrical Component List
Heated/Cooled Seats Description and Operation
Control Module References
Lumbar Support
Fuse Block Underhood Fuses - BATT1, Fuse Block I/P Fuses - HEATED SEAT LH, HEATED SEAT RH, POWER LUMBAR LH/RH, Fuse Block I/P Circuit Breakers - Door Controls and Power Seats
BCM Fuses - AC LATCH/PK BRK B, CLUSTER, DOOR LOCKS, HVAC/PWR SND, INTERIOR LIGHTS, ISRVM/HVAC, and TUTD SW/STRG COL SW
BCM Fuses - ECM. GMLAN Devices, RPA/H/C SEAT and SDM/PSIR SW, Fuse Block Underhood Fuses - ABS/MRRTD, and ACC/TCM
BCM Fuses - ECM. GMLAN Devices, RPA/H/C SEAT and SDM/PSIR SW, Fuse Block Underhood Fuses - ABS/MRRTD, and ACC/TCM
G301