GM Service Manual Online
For 1990-2009 cars only
Makes
🢒
Cadillac
🢒
2005
🢒
XLR
🢒
Body
🢒
Wiring Systems
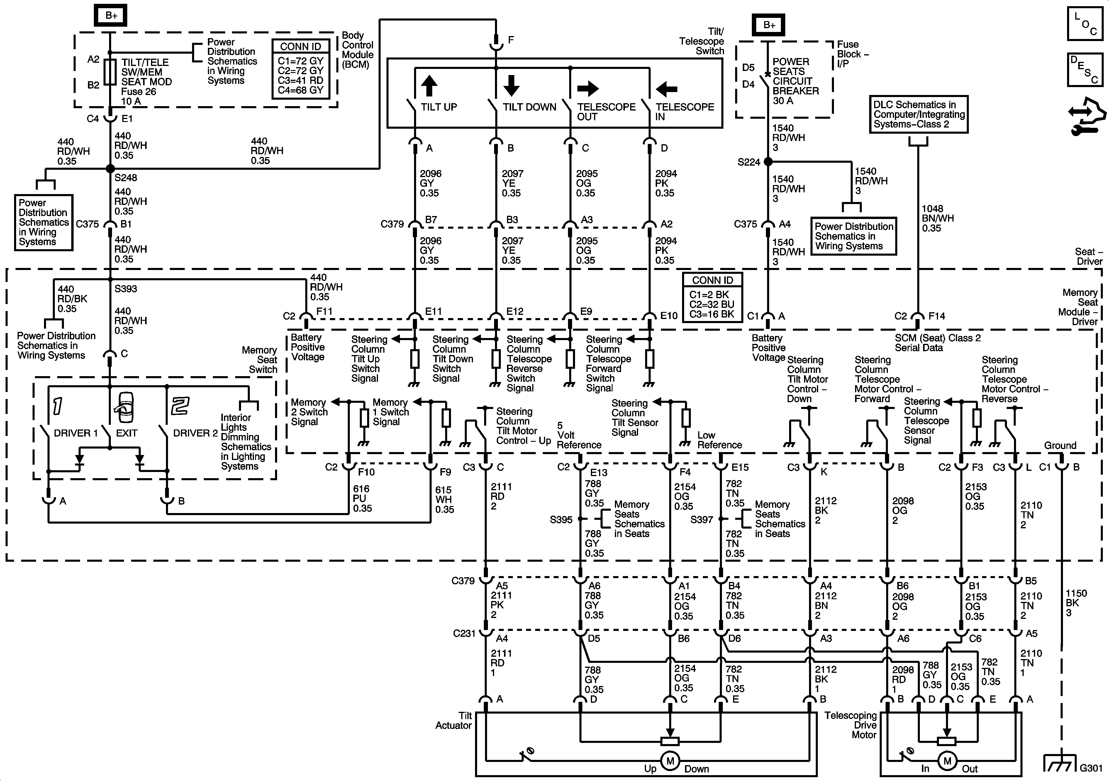
🢒 Tilt/Telescoping Steering Column Schematics
Master Electrical Component List
Steering Wheel and Column Description and Operation
Control Module References
Fuse Block Underhood Fuses - BATT5, BCM Fuses - ACCA/DRIV DRSW, IGNITION SW/INTR SENS, ONSTAR, PARK BRAKE SOL A, TILT/TELE SW/MEM SEAT MOD
Fuse Block Underhood Fuses - BATT5, BCM Fuses - ACCA/DRIV DRSW, IGNITION SW/INTR SENS, ONSTAR, PARK BRAKE SOL A, TILT/TELE SW/MEM SEAT MOD
DLC - Class 2
Fuse Block Underhood Fuses - BATT1, Fuse Block I/P Fuses - HEATED SEAT LH, HEATED SEAT RH, POWER LUMBAR LH/RH, Fuse Block I/P Circuit Breakers - Door Controls and Power Seats
Fuse Block Underhood Fuses - BATT5, BCM Fuses - ACCA/DRIV DRSW, IGNITION SW/INTR SENS, ONSTAR, PARK BRAKE SOL A, TILT/TELE SW/MEM SEAT MOD
DLC, HVAC Control Module, Radio and Switches
Motors
Motors
G301