GM Service Manual Online
For 1990-2009 cars only
Makes
🢒
Cadillac
🢒
2005
🢒
XLR
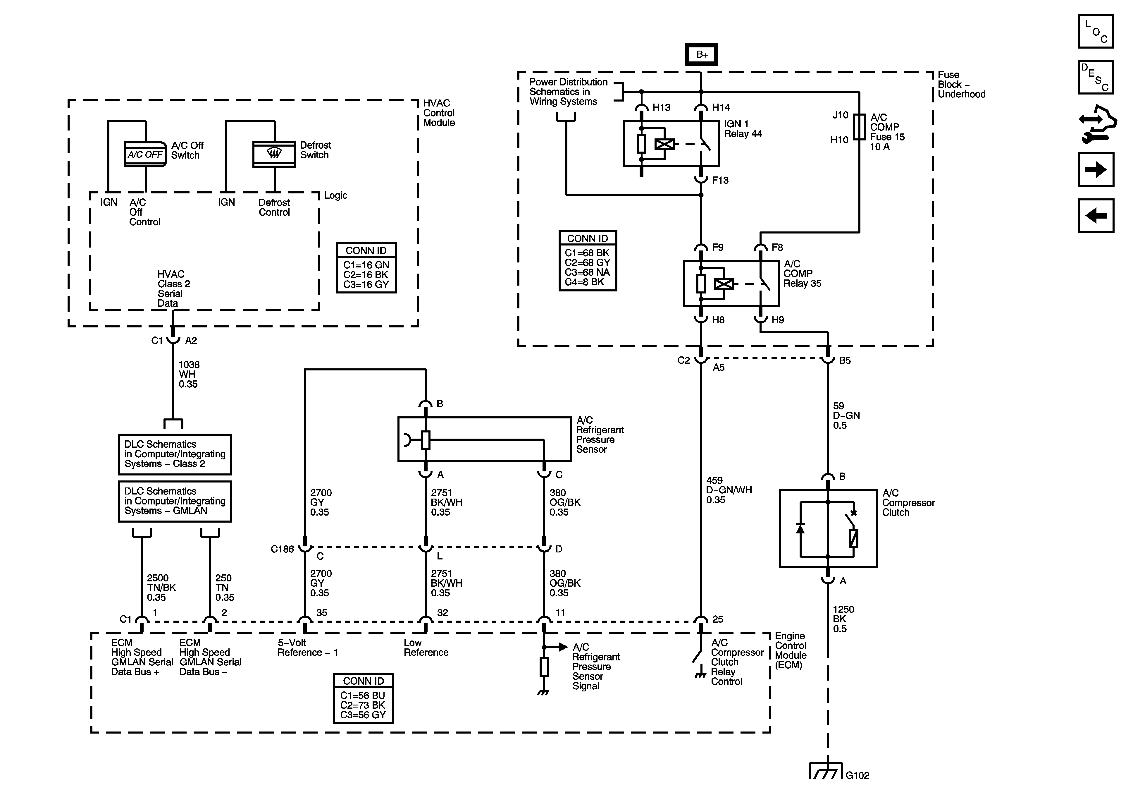
🢒 Compressor Controls
Compressor Controls
Compressor Controls
Master Electrical Component List
Air Delivery Description and Operation
Control Module References
Temperature Sensors
Blower Controls, DLC, Ground, MIL, Power and Subsystem References
Fuse Block Underhood Fuses - EMISSION, ETC, EVEN INJ, FUEL, O2SEN, and ODD INJ
DLC - Class 2
GMLAN
G102