GM Service Manual Online
For 1990-2009 cars only
Makes
🢒
Cadillac
🢒
2005
🢒
XLR
🢒 Steering Controls
Steering Controls
Master Electrical Component List
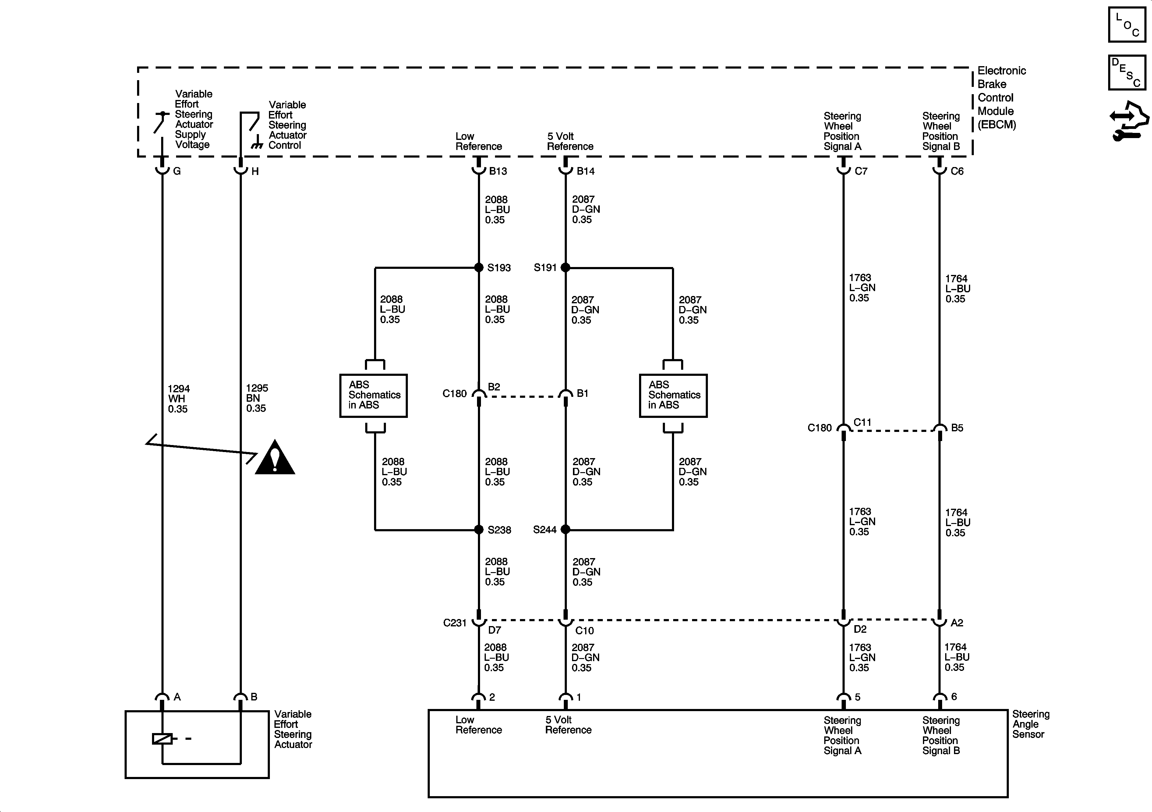
Variable Effort Steering System Description and Operation
Control Module References
Stability Control Sensors
Stability Control Sensors
Steering Assist Schematic Icons