GM Service Manual Online
For 1990-2009 cars only
Makes
🢒
Cadillac
🢒
2005
🢒
XLR
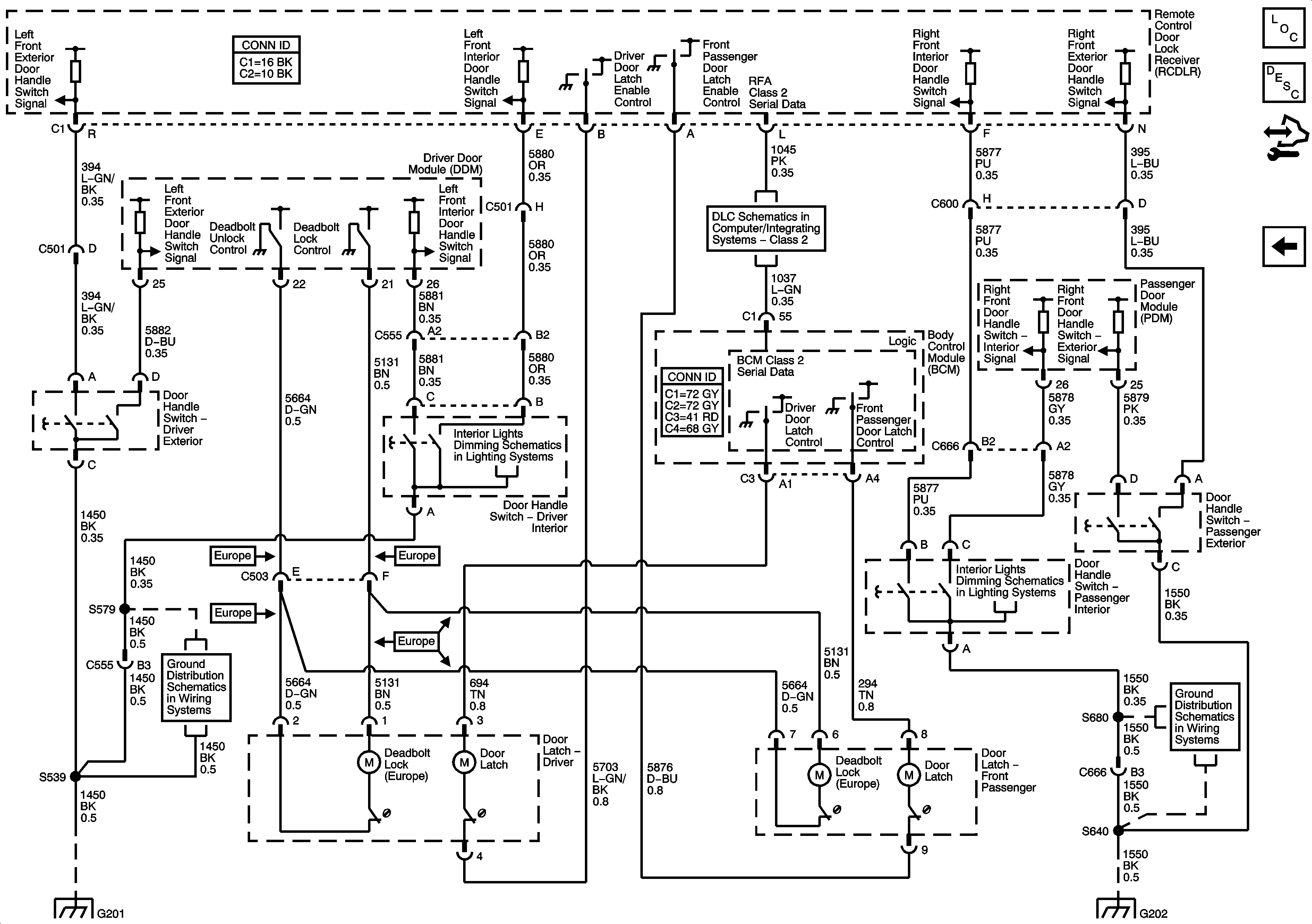
🢒 Actuators and Handle Switches
Actuators and Handle Switches
Actuators and Handle Switches
Master Electrical Component List
Power Door Latch Description and Operation
Control Module References
Indicators, Messages and Ajar/Open/Lock Switches
DLC - Class 2
DLC, HVAC Control Module, Radio and Switches
G201
DLC, HVAC Control Module, Radio and Switches
G202 - 2 of 2
G201
G202 - 1 of 2