GM Service Manual Online
For 1990-2009 cars only
Makes
🢒
Cadillac
🢒
2005
🢒
XLR
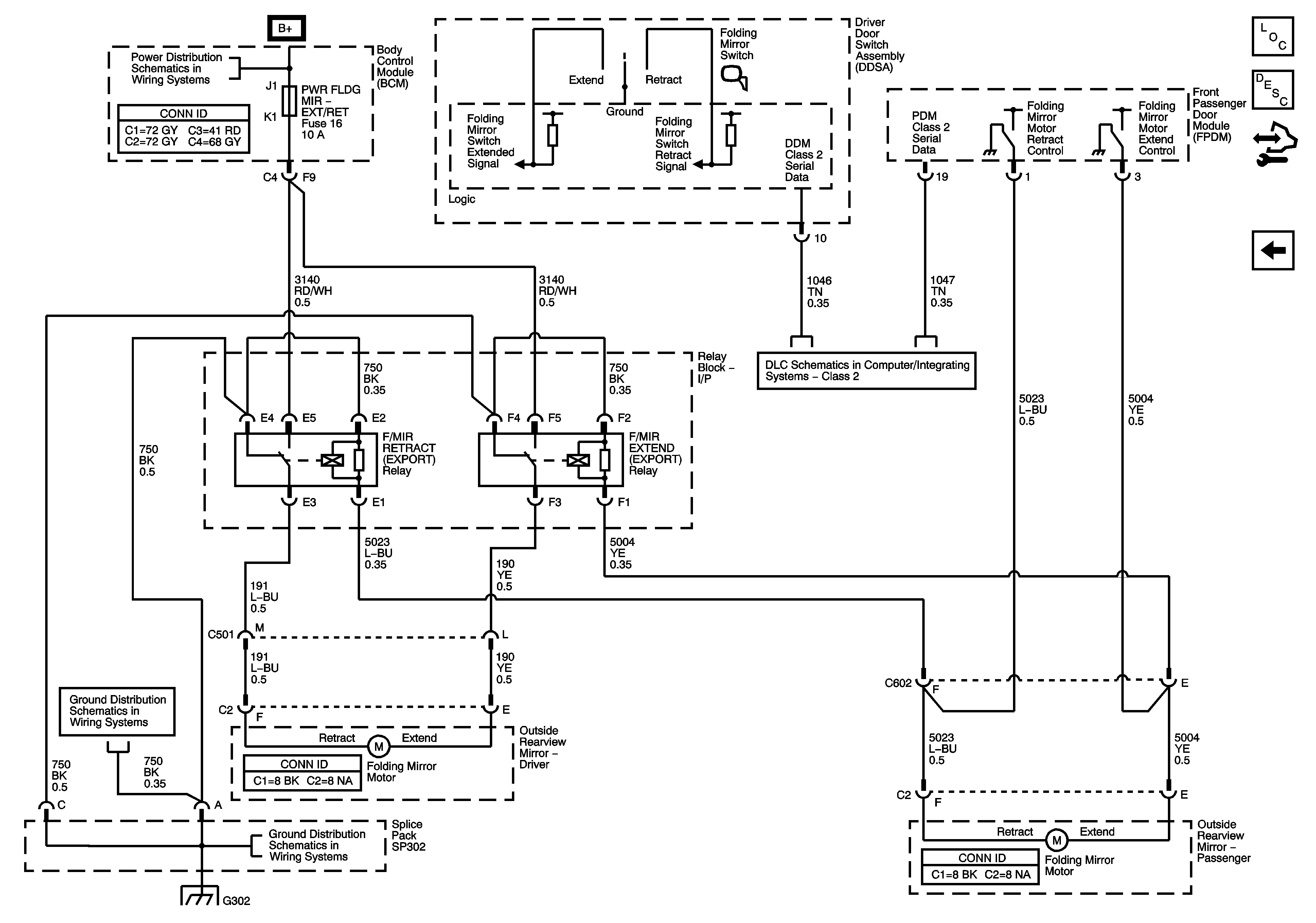
🢒 Power Folding Mirrors - Export
Power Folding Mirrors - Export
Power Folding Mirrors - Export
Master Electrical Component List
Outside Mirror Description and Operation
Control Module References
Dimming Mirror, Heated Mirrors
Fuse Block Underhood Fuses - BATT3, STOP/BULPS, BCM Fuses - BTSI SOL/COL LOCK, PWR FLDG MIR-EXT/RET, RADIO/ANT/VICS, REAR FOG/ALDL TOPSW, REVERSE LPS
DLC - Class 2
G302, G401 and G402
G302, G401 and G402
G302, G401 and G402