GM Service Manual Online
For 1990-2009 cars only
Makes
🢒
Cadillac
🢒
2005
🢒
XLR
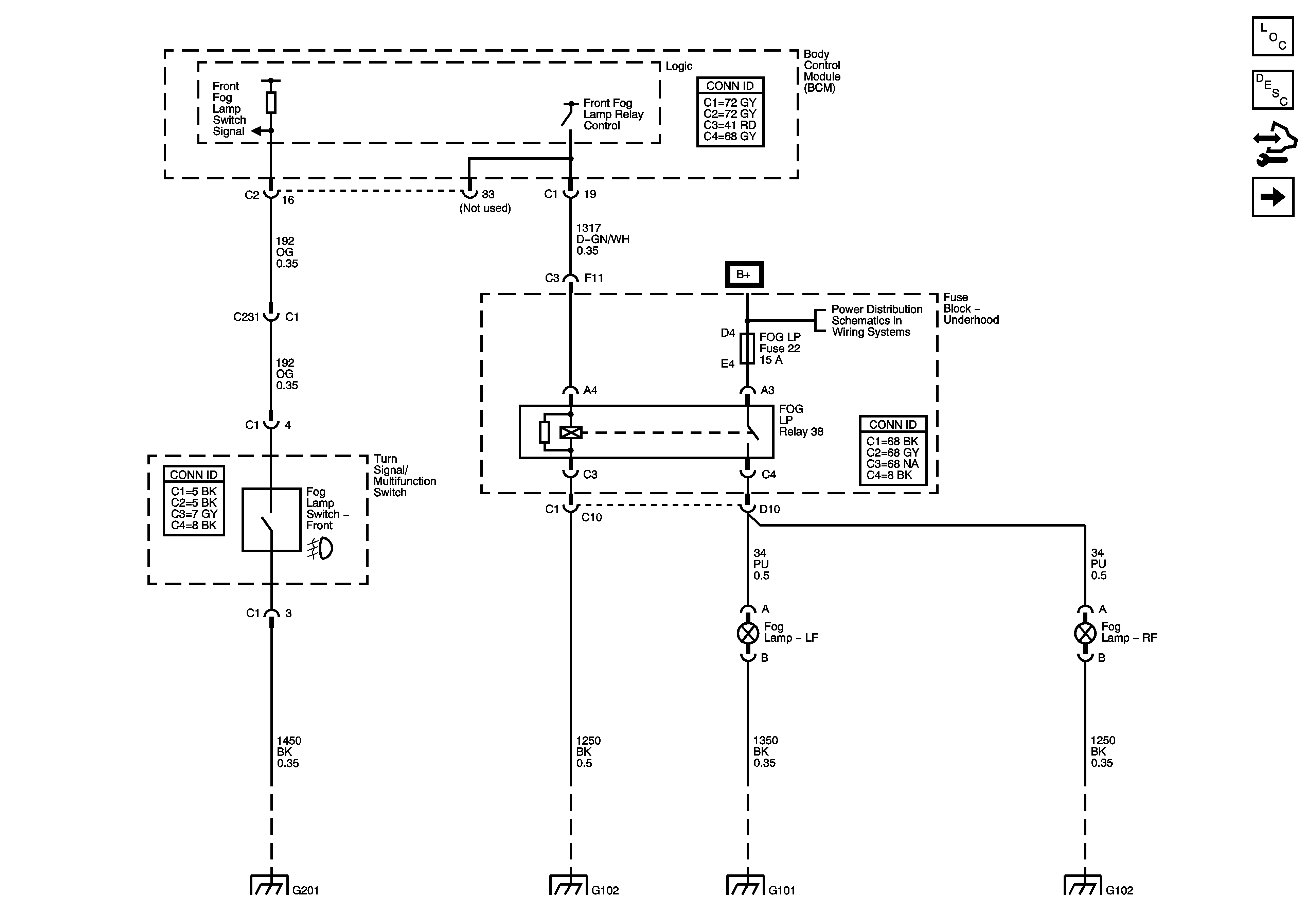
🢒 Front Fog Lamps
Front Fog Lamps
Front Fog Lamps
Master Electrical Component List
Exterior Lighting Systems Description and Operation
Control Module References
Rear Fog Lamps - Europe
Fuse Block - Underhood Bussing
G201
G102
G101
G102