GM Service Manual Online
For 1990-2009 cars only
Makes
🢒
Cadillac
🢒
2005
🢒
XLR
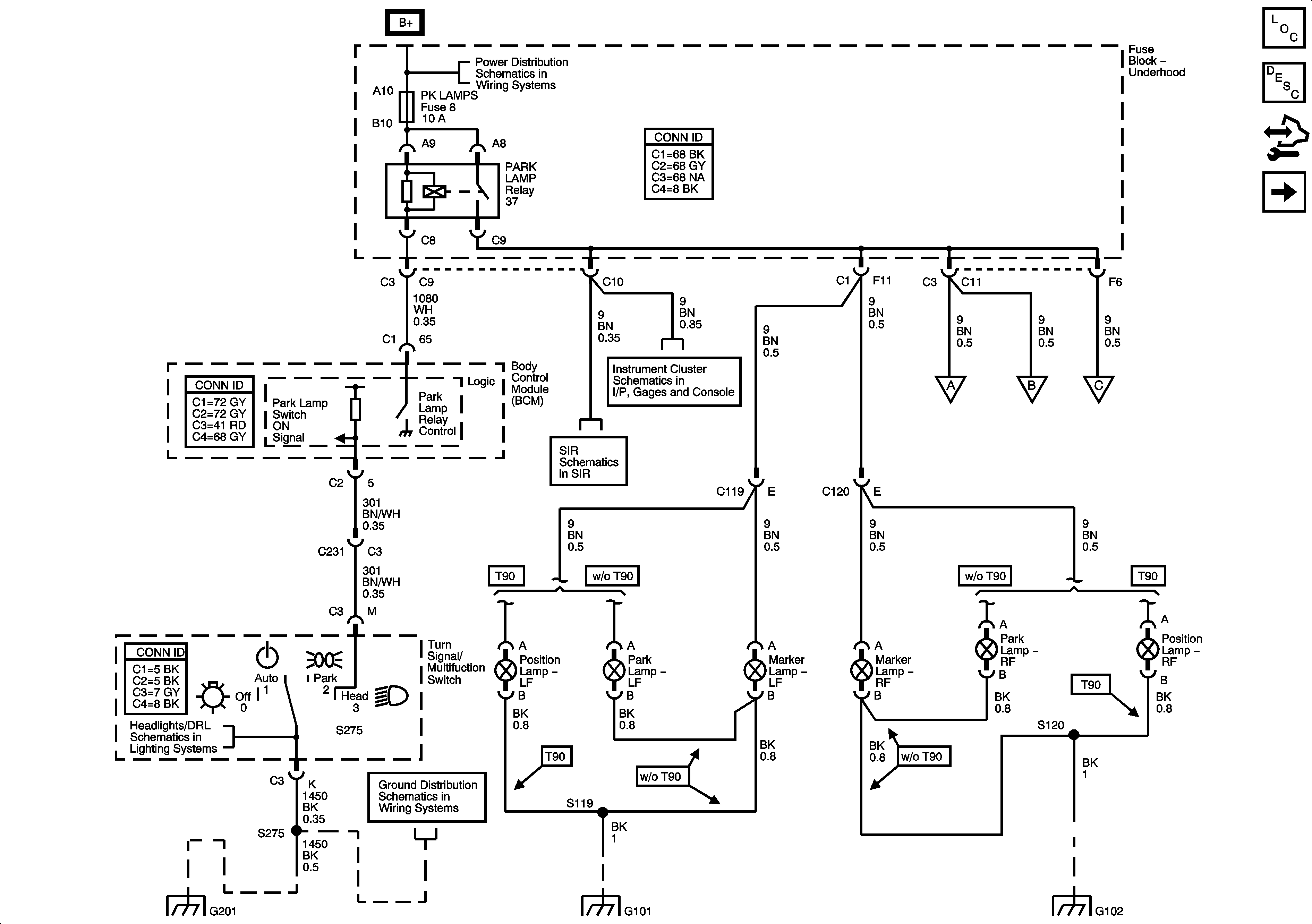
🢒 Park Lamp Control, Side Marker, Park and Position Lamps
Park Lamp Control, Side Marker, Park and Position Lamps
Park Lamp Control, Side Marker, Park and Position Lamps
Master Electrical Component List
Exterior Lighting Systems Description and Operation
Control Module References
Rear Park Lamps and License Lamps
Fuse Block - Underhood Bussing
Ground, Indicator, Power, Sensors and Switches
DLC, Ground, Indicators and Power
Rear Park Lamps and License Lamps
Rear Park Lamps and License Lamps
Rear Park Lamps and License Lamps
Headlamp/DRL Controls
G201
G201
G101
G102