GM Service Manual Online
For 1990-2009 cars only
Makes
🢒
Cadillac
🢒
2005
🢒
XLR
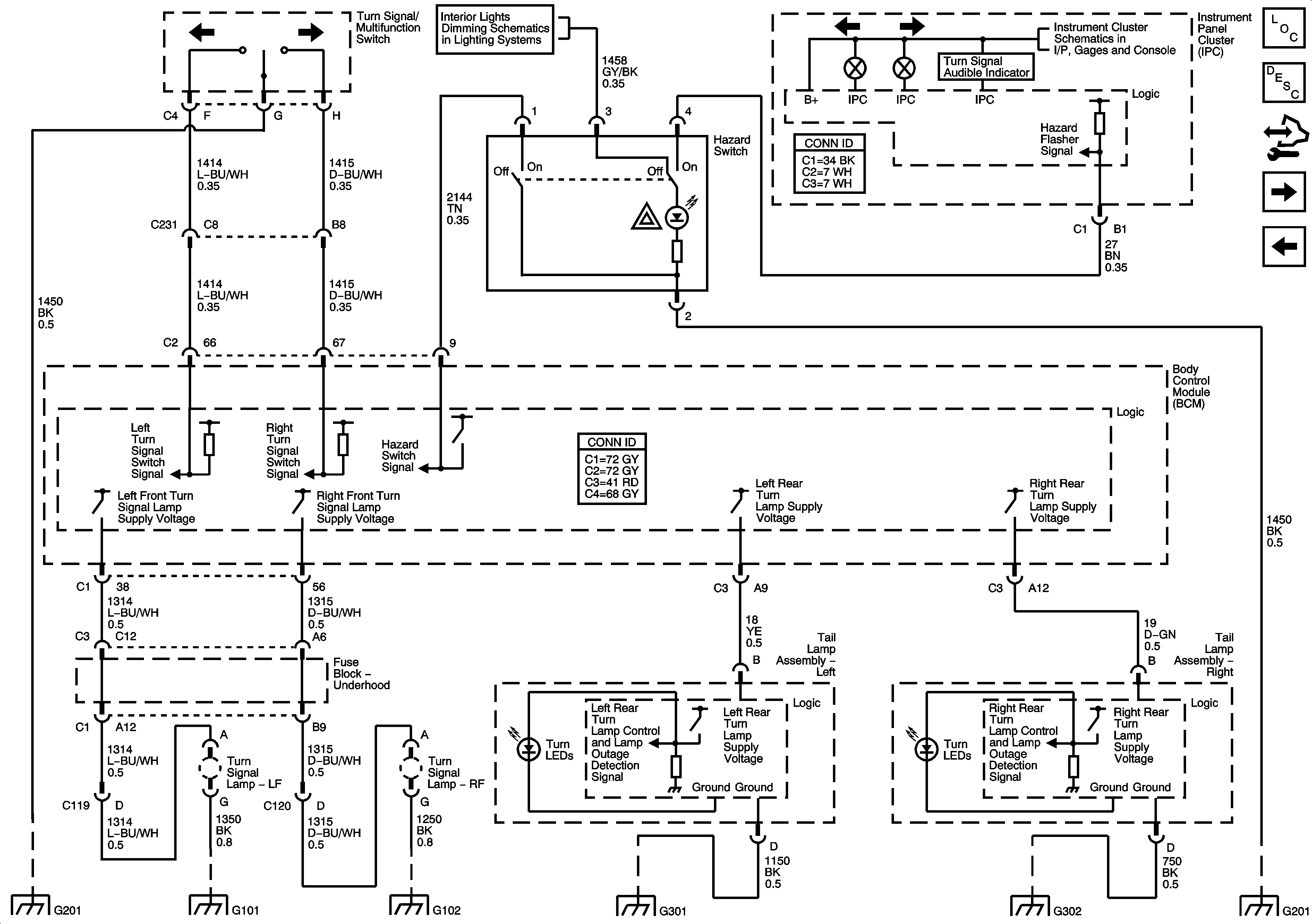
🢒 Turn Signal and Hazard Lamps - Europe and Japan
Turn Signal and Hazard Lamps - Europe and Japan
Turn Signal and Hazard Lamps - Europe and Japan
Master Electrical Component List
Exterior Lighting Systems Description and Operation
Control Module References
Stop Lamps - Europe and Japan
Rear Park Lamps and License Lamps
DLC, HVAC Control Module, Radio and Switches
DLC, Ground, Indicators and Power
G201
G101
G102
G301
G302, G401 and G402
G201