GM Service Manual Online
For 1990-2009 cars only
Makes
🢒
Cadillac
🢒
2005
🢒
XLR
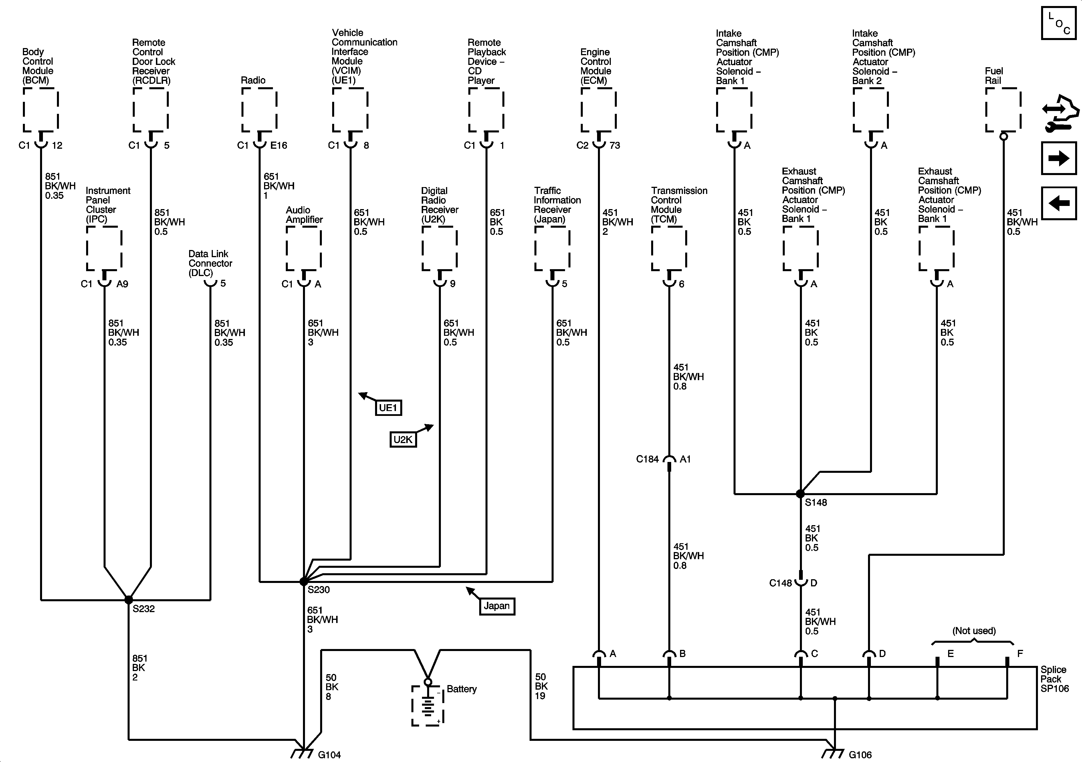
🢒 G104 and G106
G104 and G106
G104 and G106
Master Electrical Component List
Control Module References
G105 and G107
G102