GM Service Manual Online
For 1990-2009 cars only
Makes
🢒
Cadillac
🢒
2006
🢒
XLR
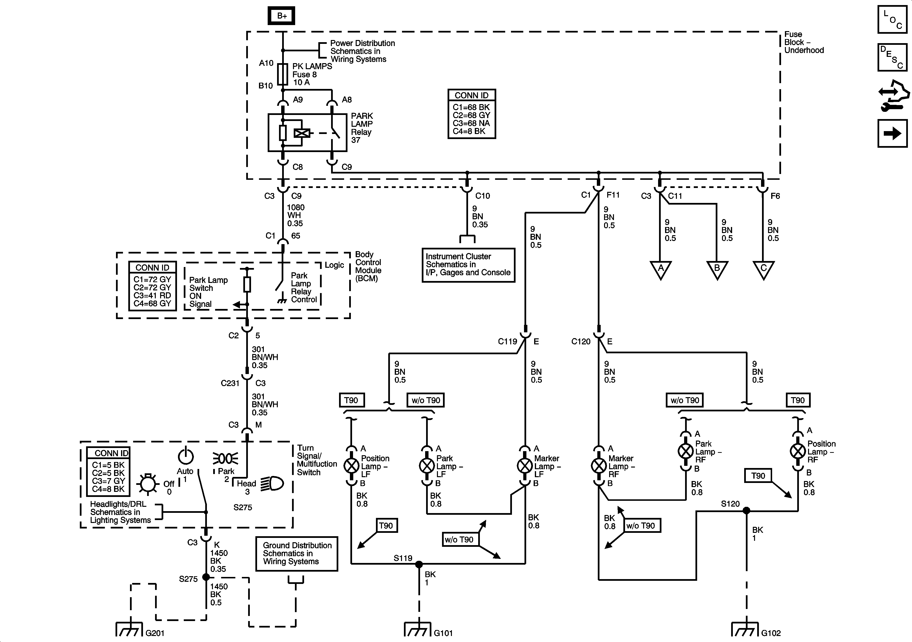
🢒 Park Lamp Control, Sidemarker, Park, and Position Lamps
Park Lamp Control, Sidemarker, Park, and Position Lamps
Park Lamp Control, Sidemarker, Park and Position Lamps
Master Electrical Component List
Exterior Lighting Systems Description and Operation
Control Module References
Rear Park Lamps and License Lamps
Fuse Block - Underhood Bussing
DLC, Ground, Indicators, and Power
Rear Park Lamps and License Lamps
Rear Park Lamps and License Lamps
Rear Park Lamps and License Lamps
G201
G201
G101
G102