GM Service Manual Online
For 1990-2009 cars only
Makes
🢒
Cadillac
🢒
2006
🢒
XLR
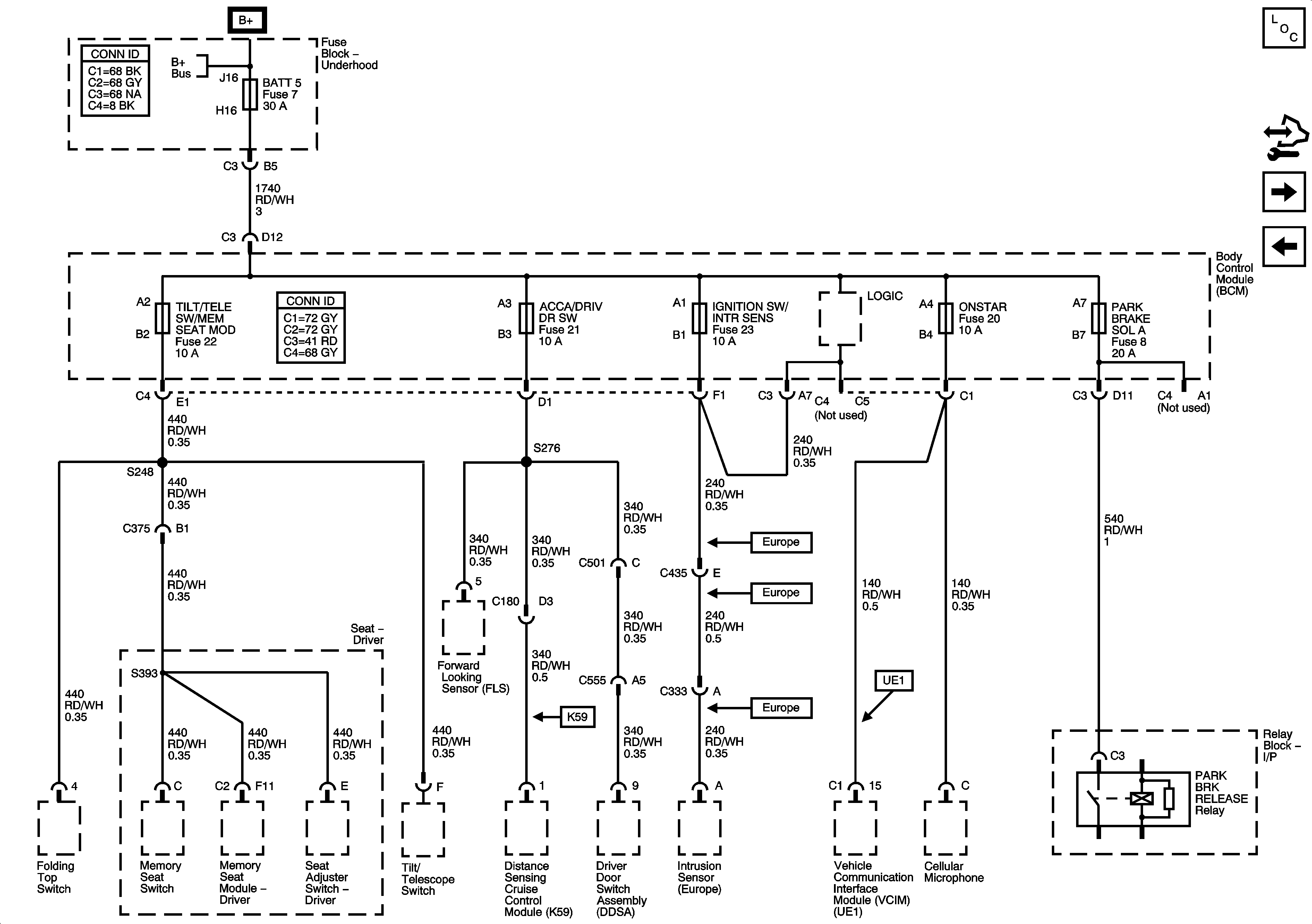
🢒 Fuse Block Underhood Fuses - BATT5, BCM Fuses - ACCA/DRIV DRSW, IGNITION SW/INTR SENS, ONSTAR, PARK BRAKE SOL A, TILT/TELE SW/MEM SEAT MOD
Fuse Block Underhood Fuses - BATT5, BCM Fuses - ACCA/DRIV DRSW, IGNITION SW/INTR SENS, ONSTAR, PARK BRAKE SOL A, TILT/TELE SW/MEM SEAT MOD
Fuse Block - Underhood Fuse: BATT5, BCM Fuses - ACCA/DRIV DR SW, IGNITION SW/INTR SENS, ONSTAR, PARK BRAKE SOL A, and TILT/TELE SW/MEM SEAT MOD
Master Electrical Component List
Control Module References
Fuse Block Underhood Fuses: BATT3, STOP/BULPS, BCM Fuses: BTSI SOL/COL LOCK, PWR FLDG MIR-EXT/RET, RADIO/ANT/VICS, REAR FOG/ALDL TOPSW, REVERSE LPS
Fuse Block Underhood Fuse - BATT1, Fuse Block I/P Fuses - AUXILIARY POWER, CIGAR LIGHTER, COLUMN LOCK MODL, FLDG TOP/TRUNK LATCH
Fuse Block - Underhood Bussing