GM Service Manual Online
For 1990-2009 cars only
Makes
🢒
Cadillac
🢒
2006
🢒
XLR
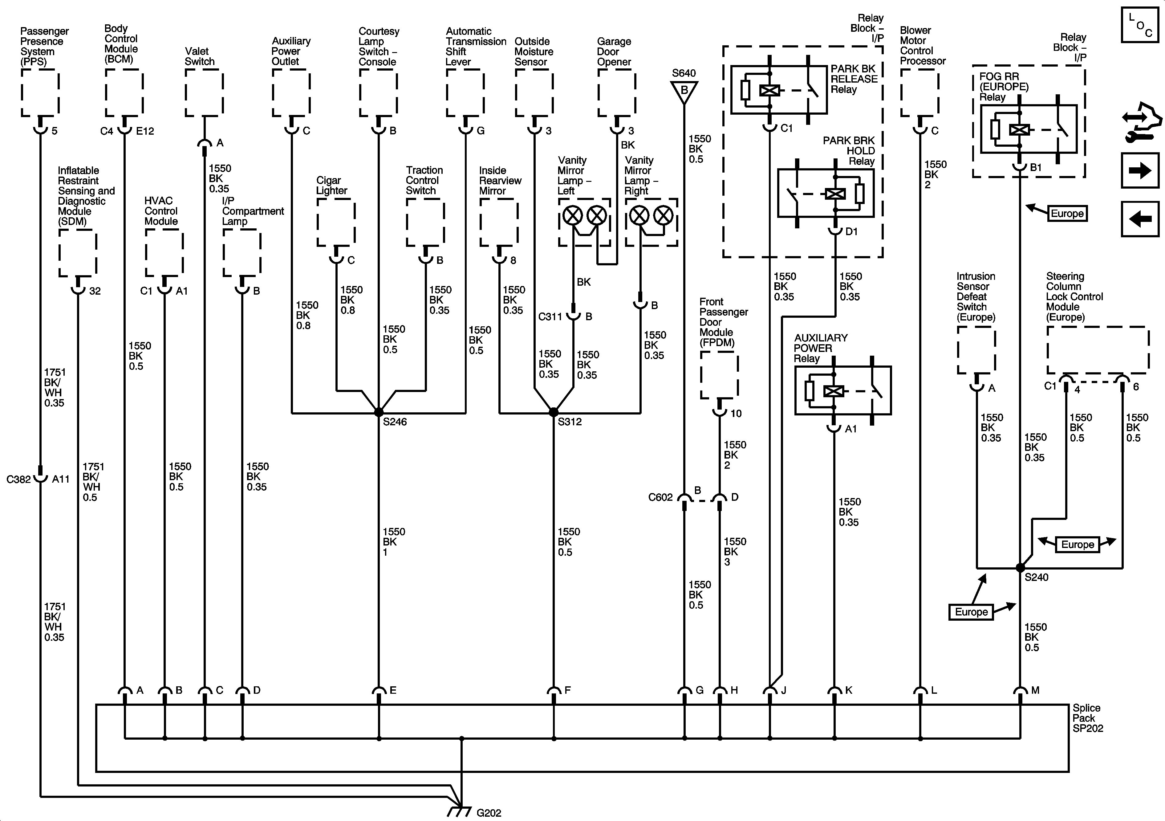
🢒 G202 - 1 of 2
G202 - 1 of 2
G202 1 of 2
Master Electrical Component List
Control Module References
G202 - 2 of 2
G201
G202 - 2 of 2