GM Service Manual Online
For 1990-2009 cars only
Makes
🢒
Cadillac
🢒
2006
🢒
XLR
🢒 Audio Output
Audio Output
Audio Output
Master Electrical Component List
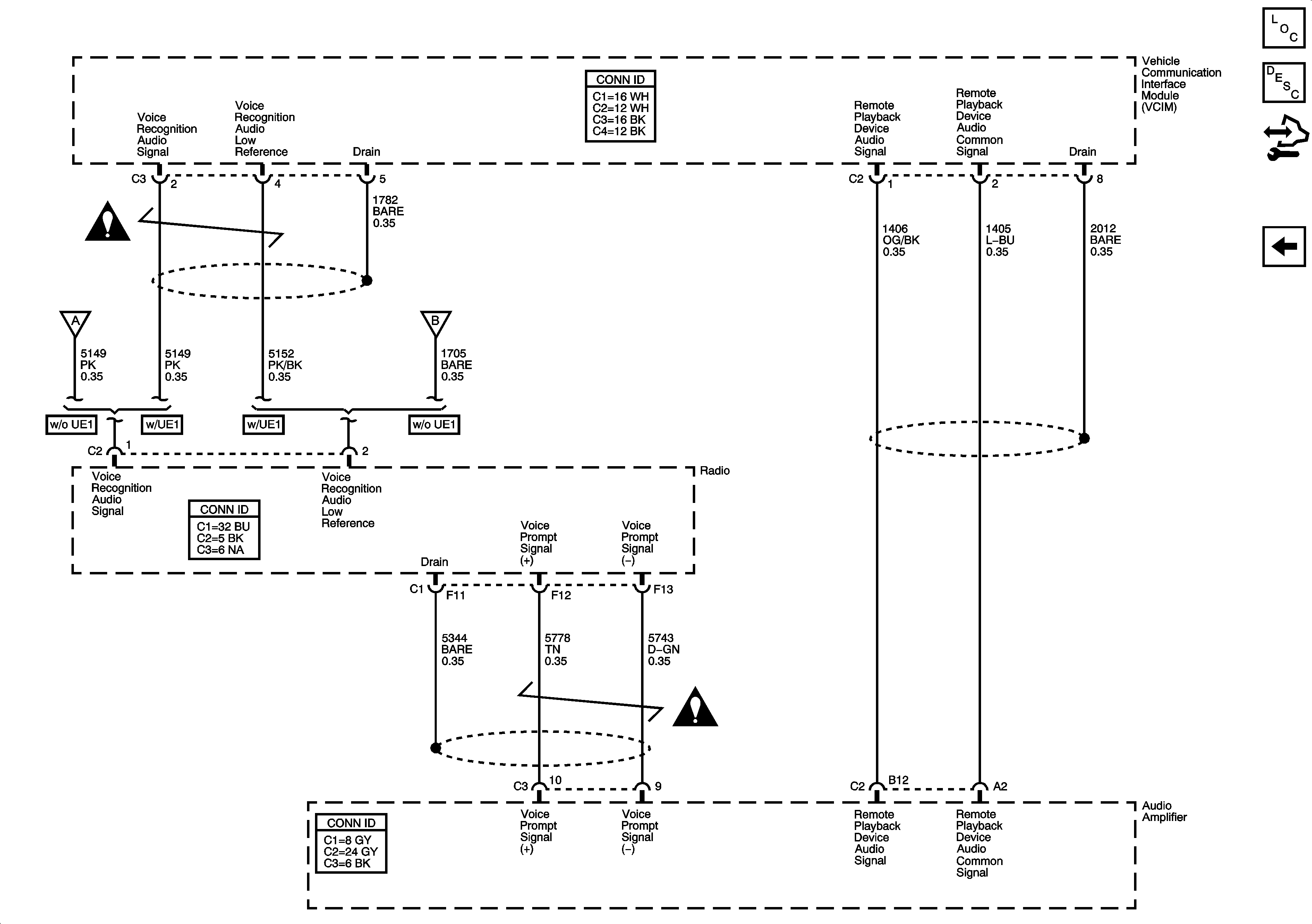
OnStar Description and Operation
Control Module References
Antenna, DLC, Ground, Power and Uer Inputs
Cellular Communication Schematic Icons
Antenna, DLC, Ground, Power and Uer Inputs
Antenna, DLC, Ground, Power and Uer Inputs
Cellular Communication Schematic Icons