GM Service Manual Online
For 1990-2009 cars only
Makes
🢒
Cadillac
🢒
2006
🢒
XLR
🢒 Driver Controls
Driver Controls
Driver Controls
Master Electrical Component List
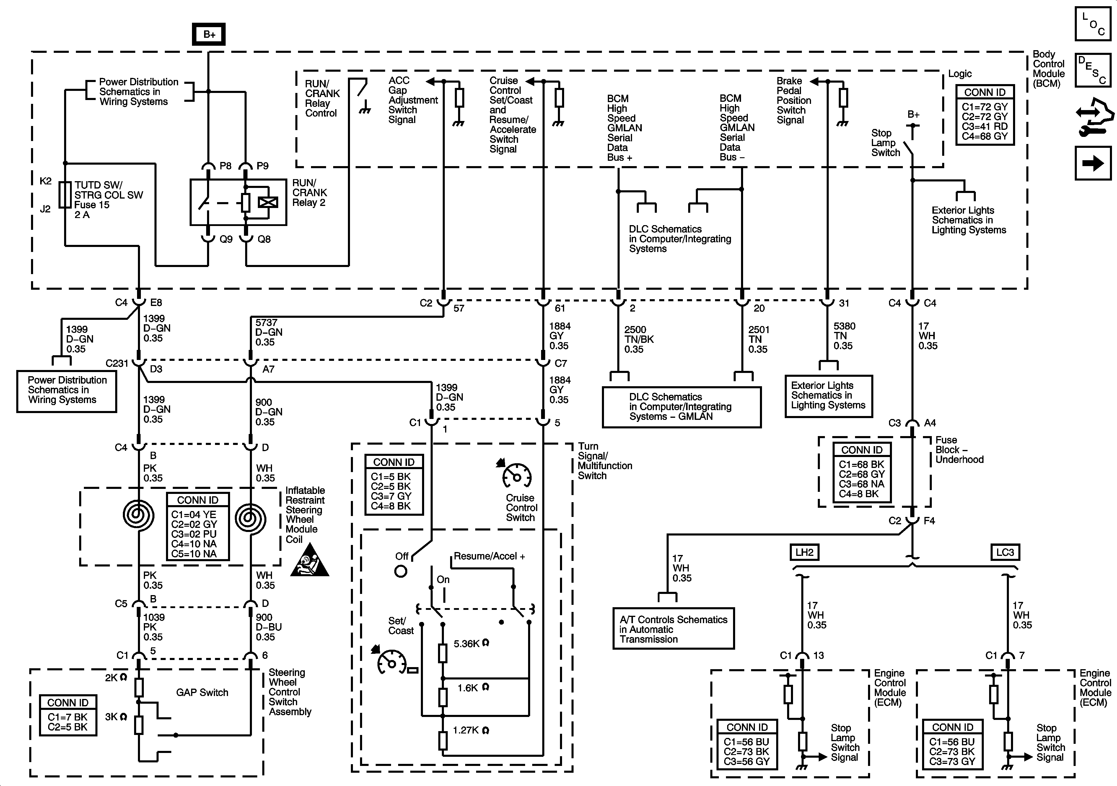
Cruise Control Description and Operation (Conventional Cruise)
Control Module References
Computer Controls and Indicators
BCM Fuses: AC LATCH/PK BRK B, CLUSTER, DOOR LOCKS, HVAC/PWR SND, INTERIOR LIGHTS, ISRVM/HVAC, and TUTD SW/STRG COL SW
GM LAN
Stop Lamps
BCM Fuses: AC LATCH/PK BRK B, CLUSTER, DOOR LOCKS, HVAC/PWR SND, INTERIOR LIGHTS, ISRVM/HVAC, and TUTD SW/STRG COL SW
Cruise Control Schematic Icons
GM LAN
Shift Lever
Stop Lamps