GM Service Manual Online
For 1990-2009 cars only
Makes
🢒
Cadillac
🢒
2007
🢒
XLR
🢒
Diagnostic Navigation
🢒
Vehicle Diagnostic Information
🢒 Driver Seat Schematics
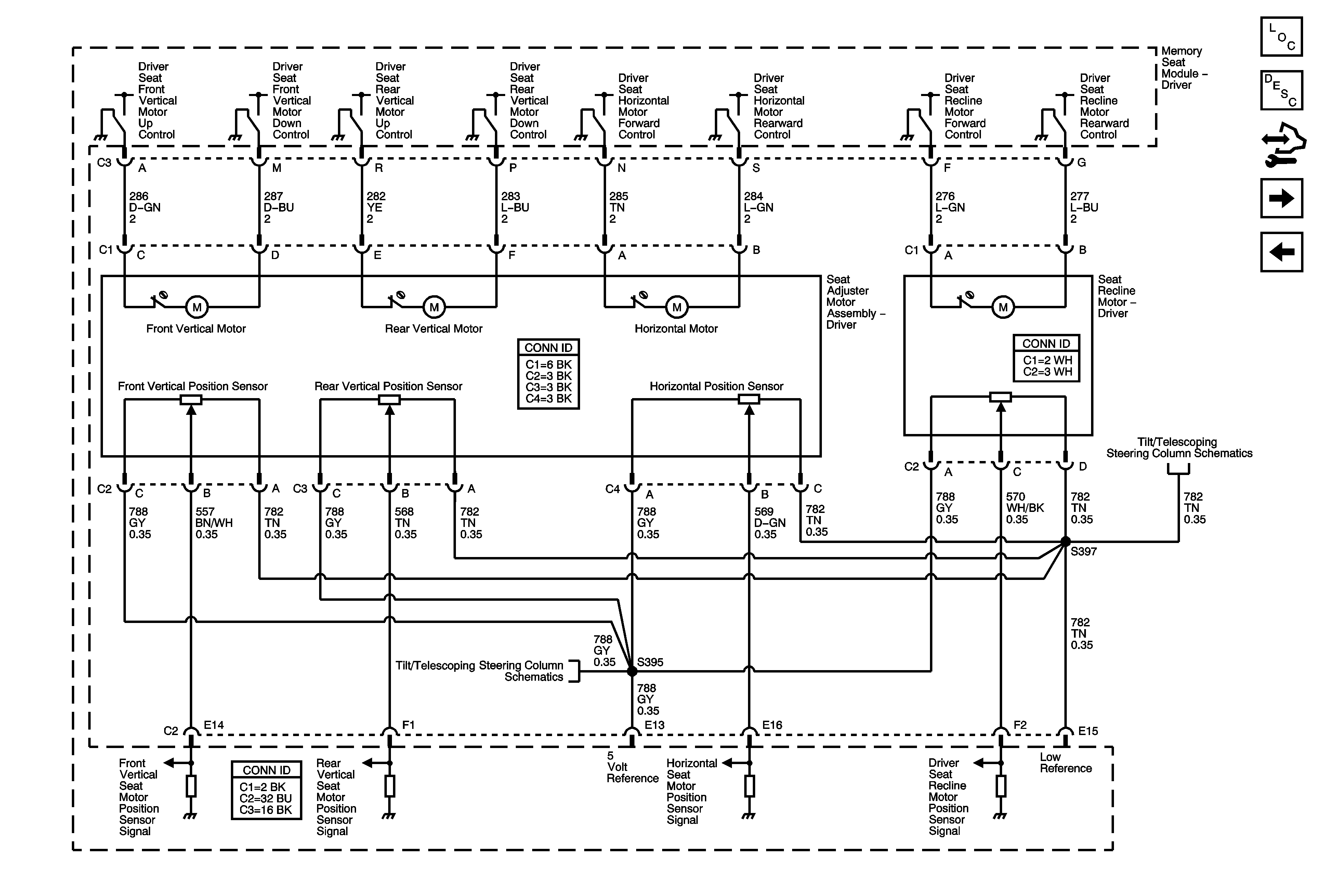
Figure
1:
Power, Ground, DLC, Switches and References
Master Electrical Component List
Memory Seats Description and Operation
Control Module References
Motors
BATT 5, TILT/TELE/MEM SEAT MOD, ACCA/DRIV DR SW, IGNITION SW/INTR SENS, ONSTAR, PARK BRAKE SOL A Fuses, and PARK BRAKE RELEASE Relay
BATT 5, TILT/TELE/MEM SEAT MOD, ACCA/DRIV DR SW, IGNITION SW/INTR SENS, ONSTAR, PARK BRAKE SOL A Fuses, and PARK BRAKE RELEASE Relay
BATT 5, TILT/TELE/MEM SEAT MOD, ACCA/DRIV DR SW, IGNITION SW/INTR SENS, ONSTAR, PARK BRAKE SOL A Fuses, and PARK BRAKE RELEASE Relay
BATT 1, HEATED SEAT LH, HEATED SEAT RH, POWER LUMBAR LH/RH Fuses, and DOOR CONTROLS, POWER SEATS Circuit Breakers, and FUEL DOOR Relay
BATT 1, HEATED SEAT LH, HEATED SEAT RH, POWER LUMBAR LH/RH Fuses, and DOOR CONTROLS, POWER SEATS Circuit Breakers, and FUEL DOOR Relay
DLC, HVAC Control Module, Radio, and Switches
Tilt/Telescoping SteeringColumn Schematics
Class 2
G301
Figure
2:
Motors
Master Electrical Component List
Power Seats System Description and Operation
Control Module References
Lumbar Support
Power, Ground, DLC, Switches, and References
Tilt/Telescoping SteeringColumn Schematics
Tilt/Telescoping SteeringColumn Schematics
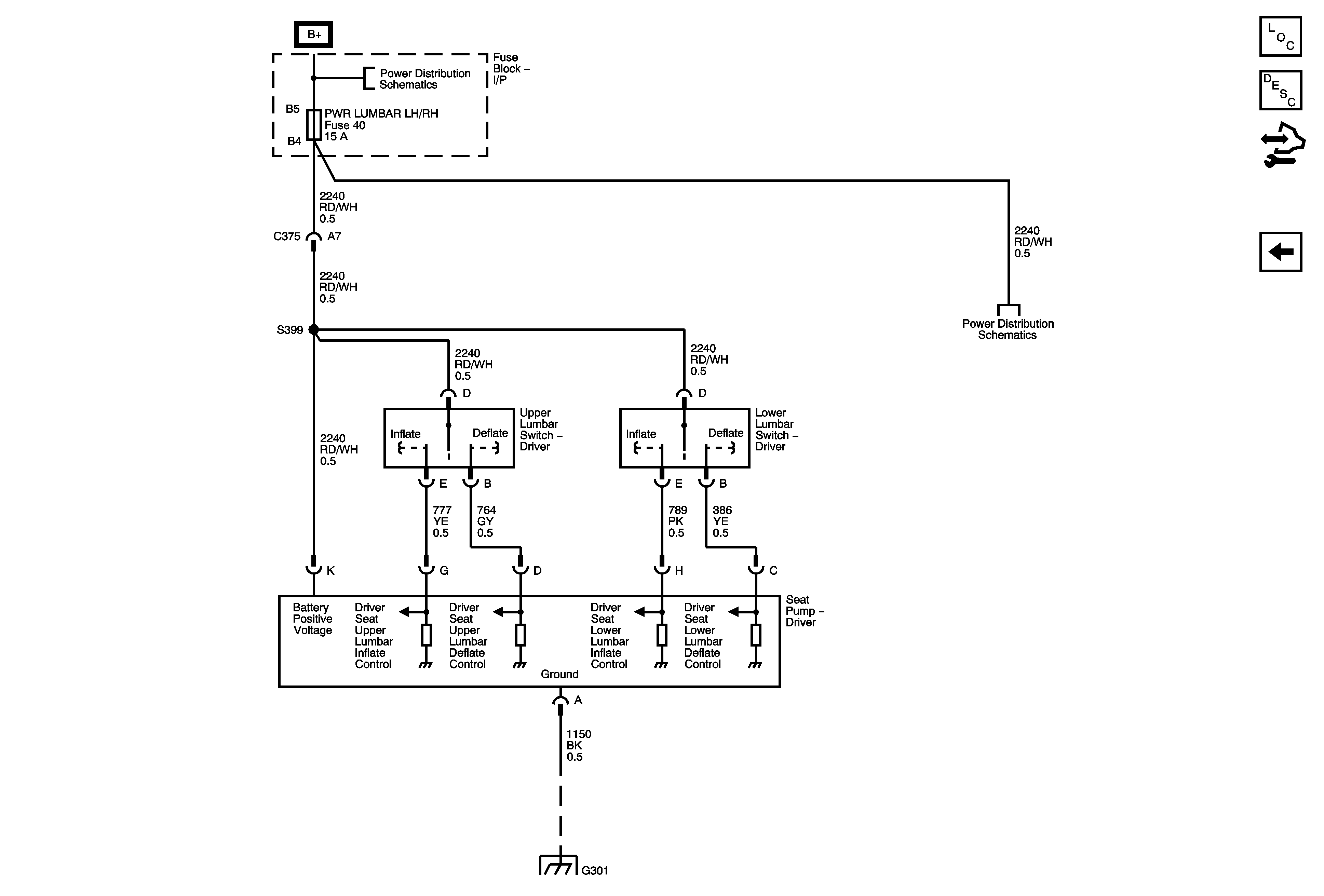
Figure
3:
Lumbar Support
Master Electrical Component List
Lumbar Support Description and Operation
Control Module References
Motors
BATT 1, HEATED SEAT LH, HEATED SEAT RH, POWER LUMBAR LH/RH Fuses, and DOOR CONTROLS, POWER SEATS Circuit Breakers, and FUEL DOOR Relay
BATT 1, HEATED SEAT LH, HEATED SEAT RH, POWER LUMBAR LH/RH Fuses, and DOOR CONTROLS, POWER SEATS Circuit Breakers, and FUEL DOOR Relay
Lumbar Support
G301