GM Service Manual Online
For 1990-2009 cars only
Makes
🢒
Cadillac
🢒
2007
🢒
XLR
🢒
Diagnostic Navigation
🢒
Vehicle Diagnostic Information
🢒 Moveable Window Schematics
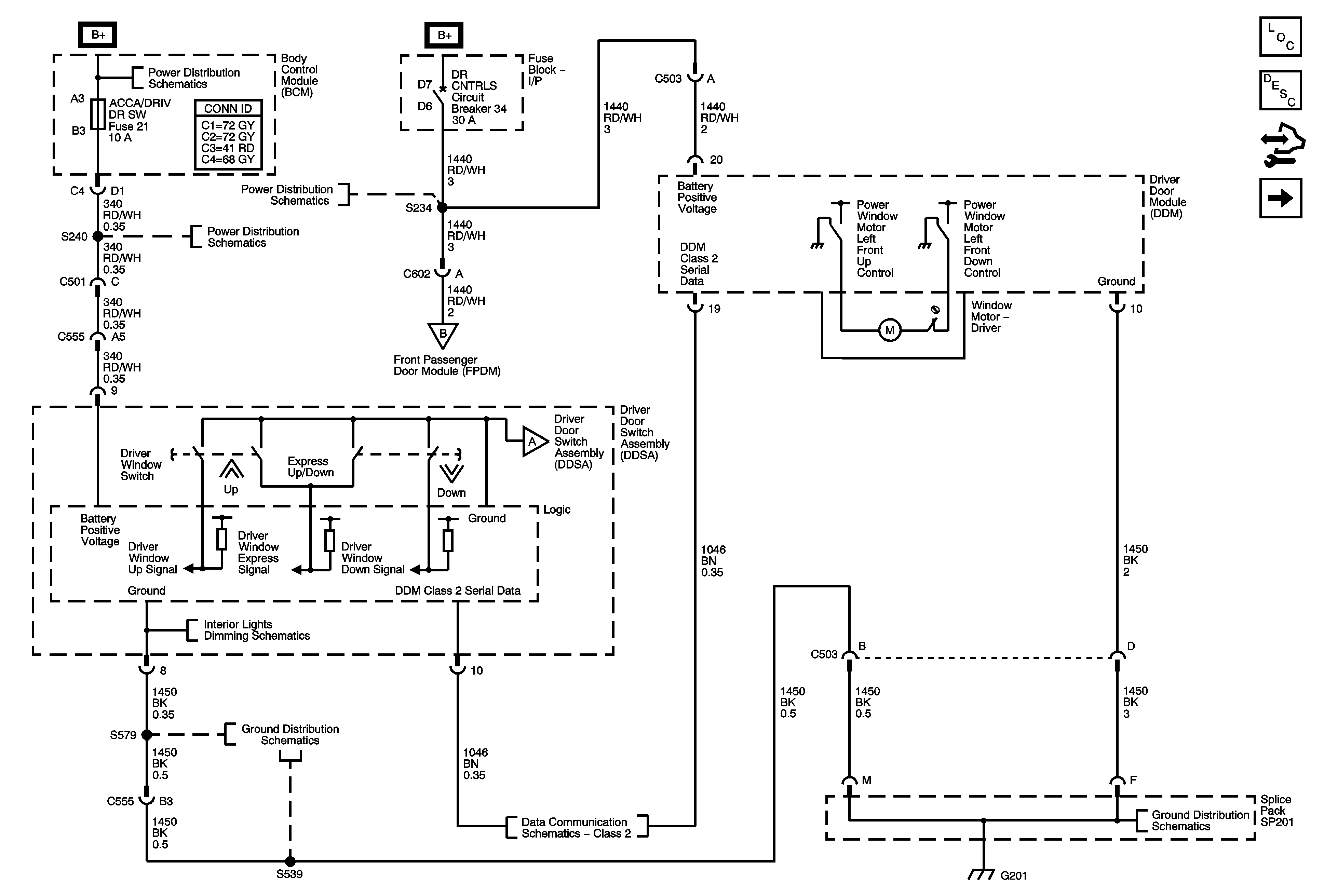
Figure
1:
Driver
Master Electrical Component List
Power Windows Description and Operation
Control Module References
Passenger
BATT 5, TILT/TELE/MEM SEAT MOD, ACCA/DRIV DR SW, IGNITION SW/INTR SENS, ONSTAR, PARK BRAKE SOL A Fuses, and PARK BRAKE RELEASE Relay
BATT 5, TILT/TELE/MEM SEAT MOD, ACCA/DRIV DR SW, IGNITION SW/INTR SENS, ONSTAR, PARK BRAKE SOL A Fuses, and PARK BRAKE RELEASE Relay
BATT 5, TILT/TELE/MEM SEAT MOD, ACCA/DRIV DR SW, IGNITION SW/INTR SENS, ONSTAR, PARK BRAKE SOL A Fuses, and PARK BRAKE RELEASE Relay
BATT 1, HEATED SEAT LH, HEATED SEAT RH, POWER LUMBAR LH/RH Fuses, and DOOR CONTROLS, POWER SEATS Circuit Breakers, and FUEL DOOR Relay
BATT 1, HEATED SEAT LH, HEATED SEAT RH, POWER LUMBAR LH/RH Fuses, and DOOR CONTROLS, POWER SEATS Circuit Breakers, and FUEL DOOR Relay
Passenger
Passenger
DLC, HVAC Control Module, Radio, and Switches
Class 2
G201
G201
G201
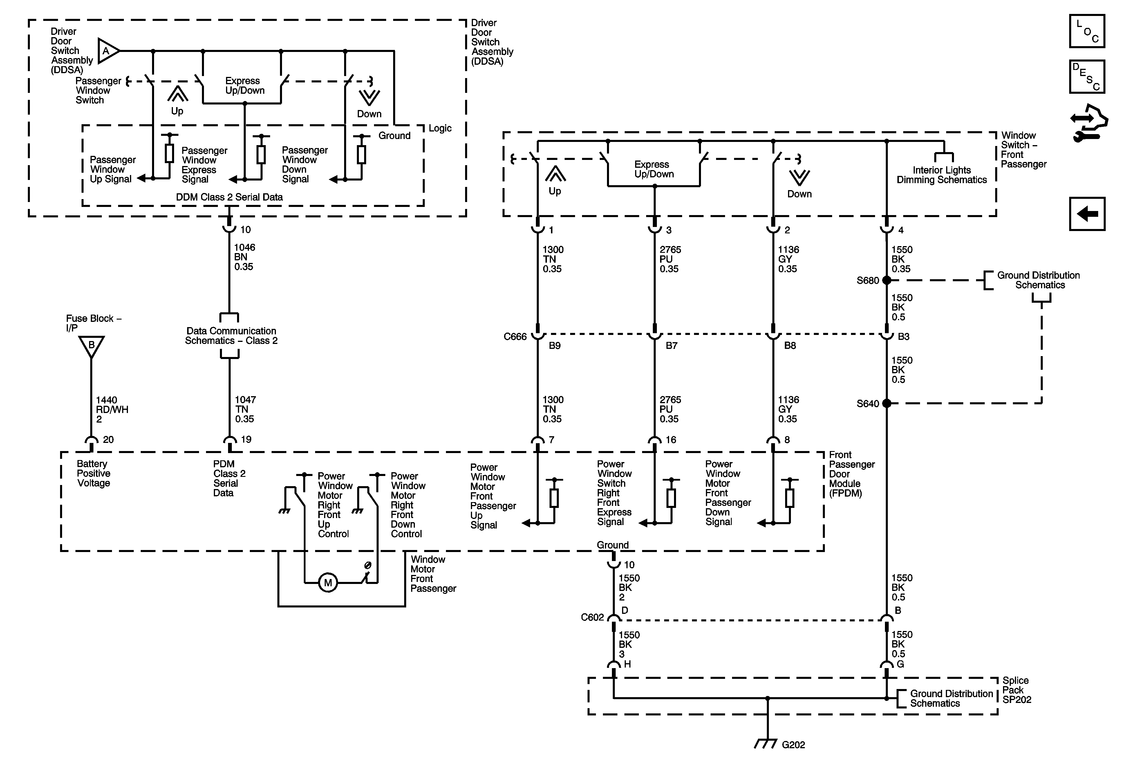
Figure
2:
Passenger
Master Electrical Component List
Power Windows Description and Operation
Control Module References
Driver
Driver
DLC, HVAC Control Module, Radio, and Switches
Driver
Class 2
G202
G202
G202