GM Service Manual Online
For 1990-2009 cars only
Makes
🢒
Cadillac
🢒
2007
🢒
XLR
🢒
Suspension
🢒
Tire Pressure Monitoring
🢒 Tire Pressure Monitoring System Schematics
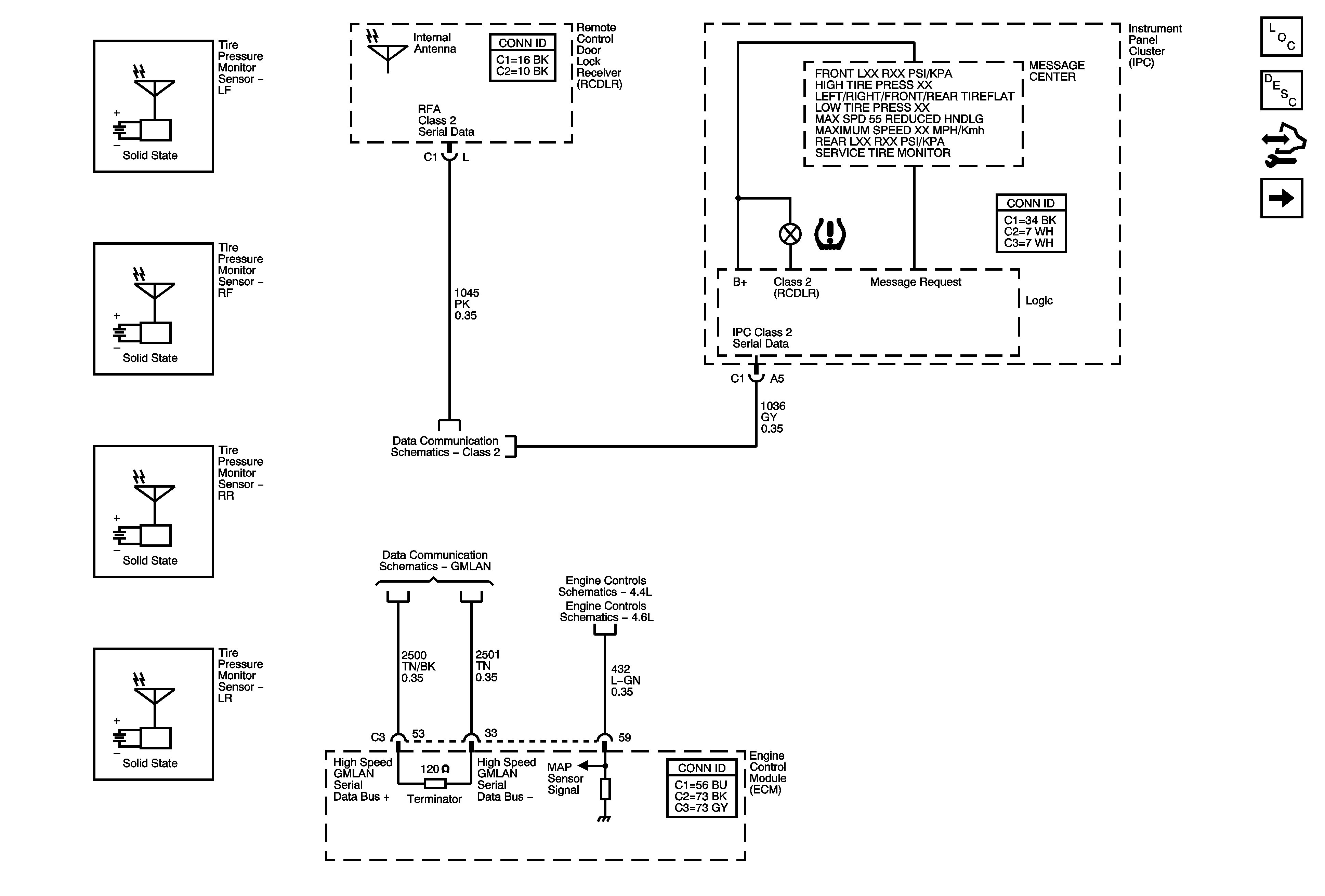
Figure
1:
Except Japan
Master Electrical Component List
Tire Pressure Monitor Description and Operation
Control Module References
Japan
Class 2
GMLAN
MAF/IAT, ECT, MAP Sensors, and Stop Lamp Switch Signal
IAT/MAF, ECT, MAP Sensors, and Stop Lamp Switch Signal
Figure
2:
Japan
Master Electrical Component List
Tire Pressure Monitor Description and Operation
Control Module References
Except Japan
Wheel Speed Sensors
GMLAN
Class 2