GM Service Manual Online
For 1990-2009 cars only
Makes
🢒
Cadillac
🢒
2007
🢒
XLR
🢒
Driver Information and Entertainment
🢒
Displays and Gages
🢒 Instrument Cluster Schematics
Figure
1:
Power, Ground, and Indicators
Master Electrical Component List
Instrument Cluster Description and Operation
Control Module References
Gages
CLUSTER, A.C. LATCH/PK BRK B, DOOR LOCKS, INTERIOR LIGHTS, HVAC/PWR SND, ISRVM/HVAC, TUTD SW/STRG COL SW FUSES, and RUN/CRANK Relay 2
CLUSTER, A.C. LATCH/PK BRK B, DOOR LOCKS, INTERIOR LIGHTS, HVAC/PWR SND, ISRVM/HVAC, TUTD SW/STRG COL SW FUSES, and RUN/CRANK Relay 2
CLUSTER, A.C. LATCH/PK BRK B, DOOR LOCKS, INTERIOR LIGHTS, HVAC/PWR SND, ISRVM/HVAC, TUTD SW/STRG COL SW FUSES, and RUN/CRANK Relay 2
G201
Park Brake System Schematics
Hydraulic Brake Schematics
Wiper Switch, Washers, and Outside Moisture Sensor
Park Lamps
Hazards and Park Lamp Control
Class 2
ECM Power, Ground, MIL, and Serial Data
ECM Power, Ground, MIL, and Serial Data
Figure
2:
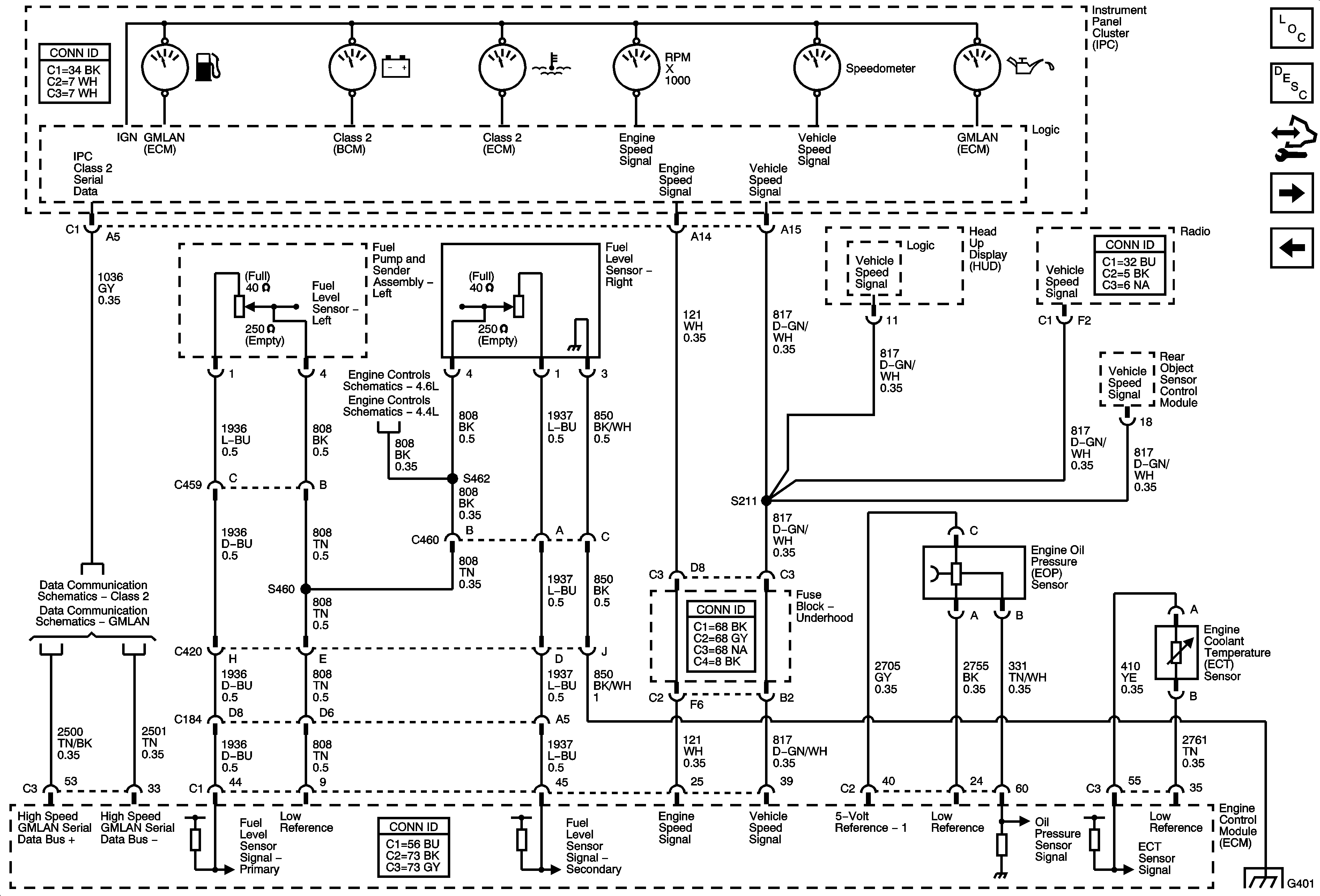
Gages
Master Electrical Component List
Instrument Cluster Description and Operation
Control Module References
Messages
Power, Ground, and Indicators
EVAP and FTP Sensor
EVAP Solenoids, and FTP Sensor
Class 2
GMLAN
Figure
3:
Messages
Master Electrical Component List
Instrument Cluster Description and Operation
Control Module References
Gages
Class 2
GMLAN
Dimmer Controls, IPC, Switches, and DLC
Head Up Display Schematics
Head Up Display Schematics
G102