GM Service Manual Online
For 1990-2009 cars only
Makes
🢒
Cadillac
🢒
2007
🢒
XLR
🢒
Driver Information and Entertainment
🢒
Secondary and Configurable Customer Controls
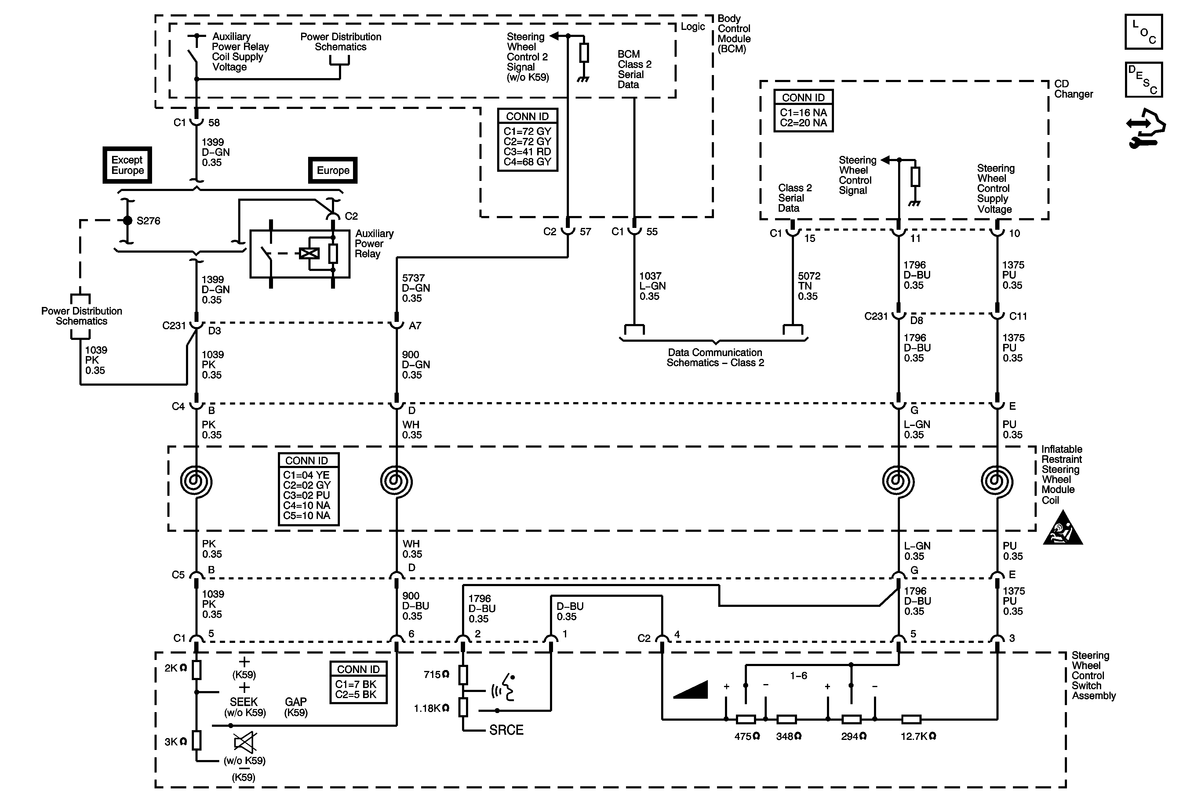
🢒 Steering Wheel Secondary/Configurable Control Schematics
Master Electrical Component List
Steering Wheel Controls Description and Operation
Control Module References
CLUSTER, A.C. LATCH/PK BRK B, DOOR LOCKS, INTERIOR LIGHTS, HVAC/PWR SND, ISRVM/HVAC, TUTD SW/STRG COL SW FUSES, and RUN/CRANK Relay 2
CLUSTER, A.C. LATCH/PK BRK B, DOOR LOCKS, INTERIOR LIGHTS, HVAC/PWR SND, ISRVM/HVAC, TUTD SW/STRG COL SW FUSES, and RUN/CRANK Relay 2
CLUSTER, A.C. LATCH/PK BRK B, DOOR LOCKS, INTERIOR LIGHTS, HVAC/PWR SND, ISRVM/HVAC, TUTD SW/STRG COL SW FUSES, and RUN/CRANK Relay 2
Class 2
Secondary/Configurable Control Schematic Icons