GM Service Manual Online
For 1990-2009 cars only
Makes
🢒
Cadillac
🢒
2007
🢒
XLR
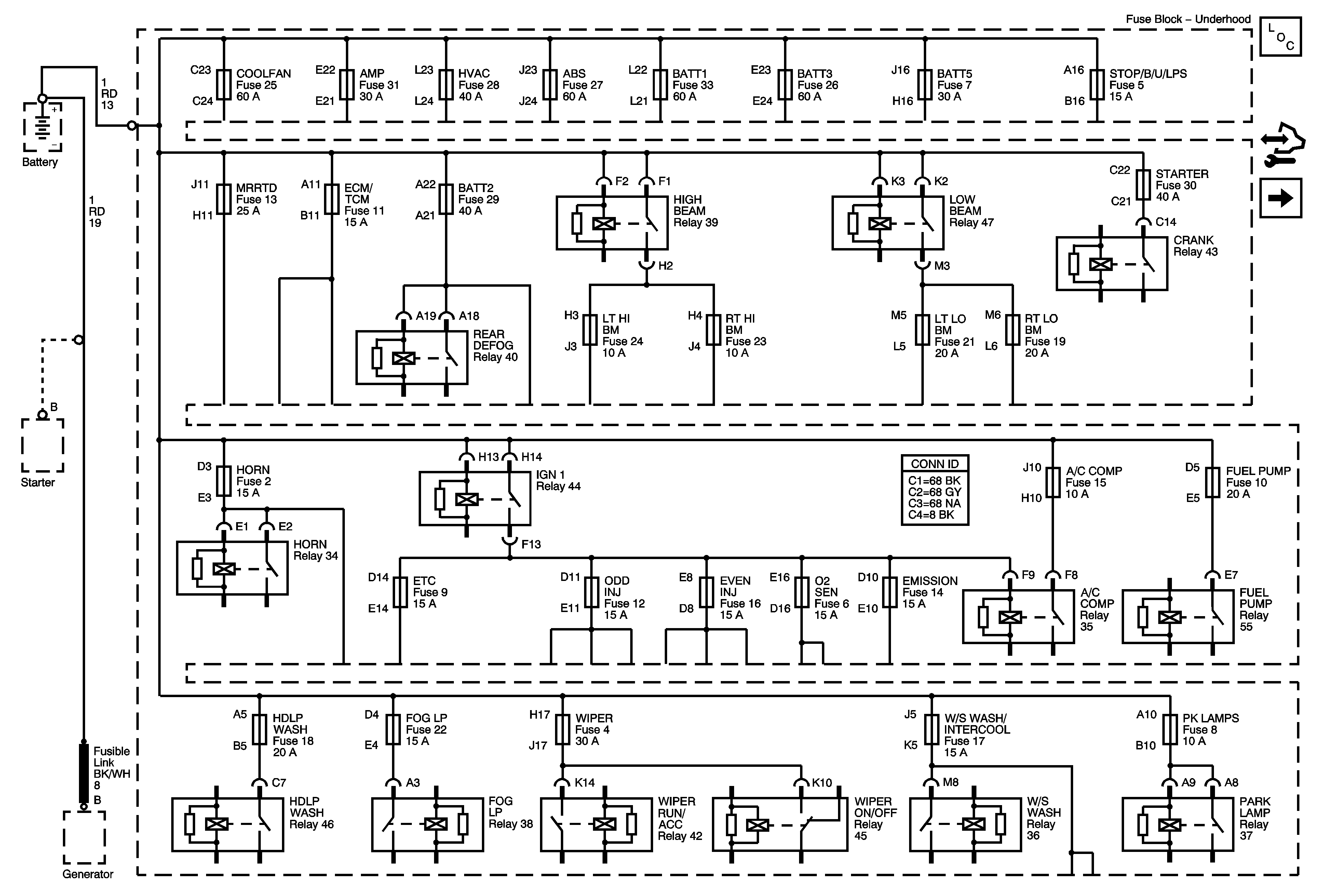
🢒 Fuse Block - Underhood Bussing
Fuse Block - Underhood Bussing
Fuse Block - Underhood Bussing
Master Electrical Component List
Control Module References
Ignition Mode Switch