GM Service Manual Online
For 1990-2009 cars only
Makes
🢒
Cadillac
🢒
2007
🢒
XLR
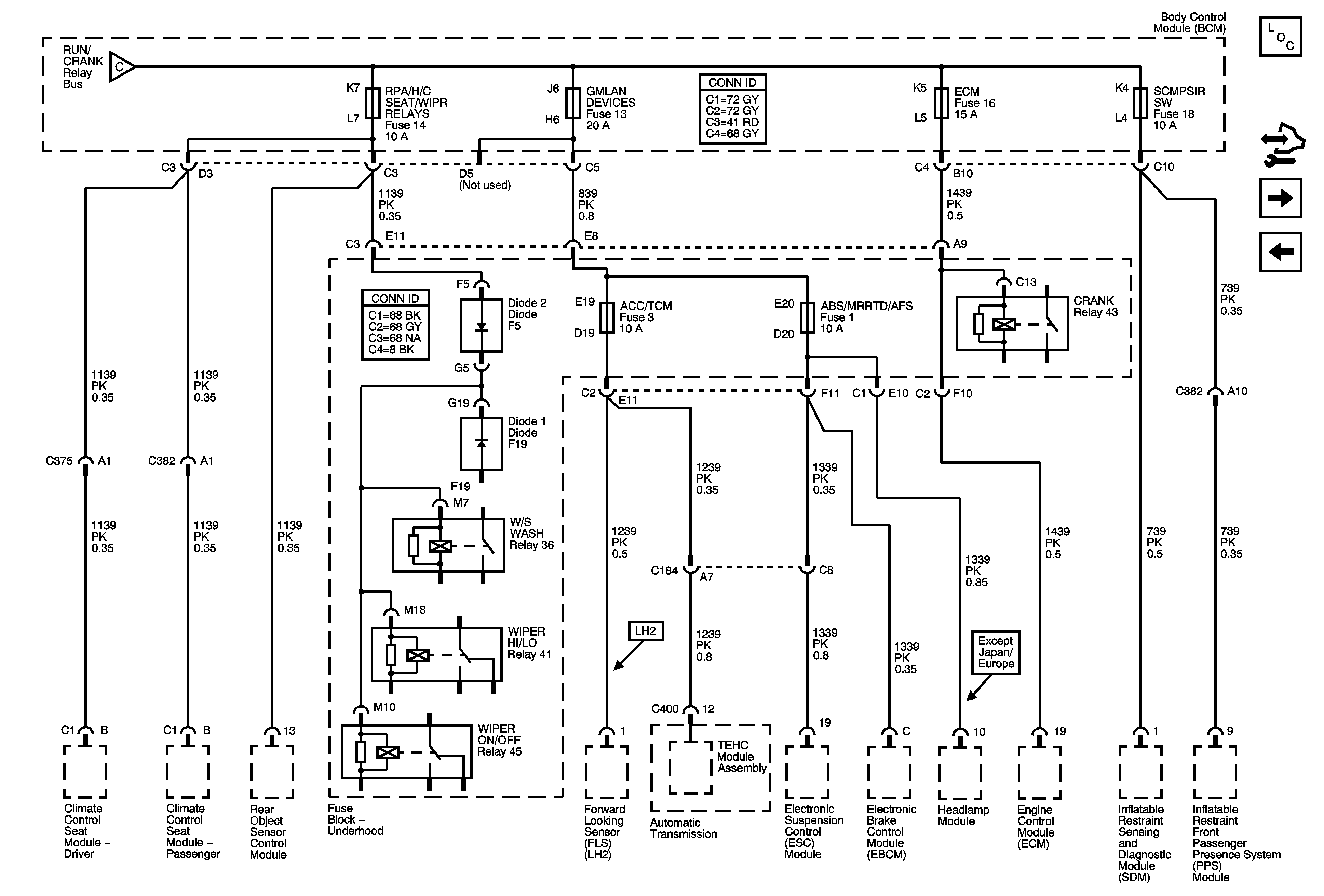
🢒 RPA/H/C SEAT, GMLAN DEVICES, ECM, SDM/PSIR SW, ACC/TCM, and ABS/MRRTD Fuses
RPA/H/C SEAT, GMLAN DEVICES, ECM, SDM/PSIR SW, ACC/TCM, and ABS/MRRTD Fuses
RPA/H/C SEAT, GMLAN DEVICES, ECM, SDM/PSIR SW, ACC/TCM, and ABS/MRRTD/AFS Fuses
Master Electrical Component List
Control Module References
ETC, O2 SEN, EMISSION, ODD INJ, EVEN INJ, and IGN 1, A/C COMP Relays
CLUSTER, A.C. LATCH/PK BRK B, DOOR LOCKS, INTERIOR LIGHTS, HVAC/PWR SND, ISRVM/HVAC, TUTD SW/STRG COL SW FUSES, and RUN/CRANK Relay 2
CLUSTER, A.C. LATCH/PK BRK B, DOOR LOCKS, INTERIOR LIGHTS, HVAC/PWR SND, ISRVM/HVAC, TUTD SW/STRG COL SW FUSES, and RUN/CRANK Relay 2